EasyManua.ls Logo

Sharp GX-CD5100W - Selecting MP3 Folders and Tracks by Name; Direct Track Selection on Discs

Sharp GX-CD5100W
84 pages
Print Icon
To Next Page IconTo Next Page
To Next Page IconTo Next Page
To Previous Page IconTo Previous Page
To Previous Page IconTo Previous Page
Loading...
GX-CD5100W
4 – 2
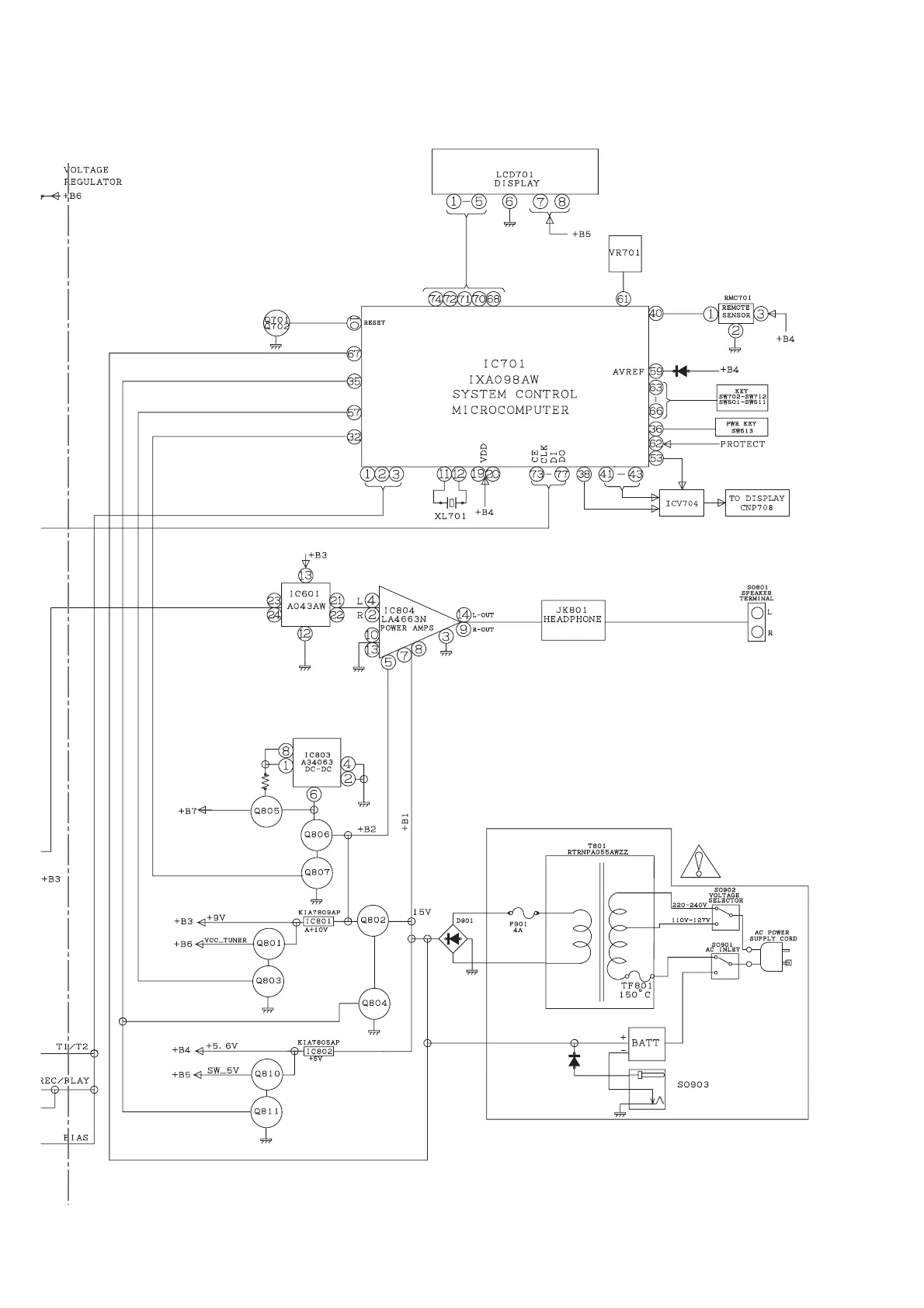
Figure 4-2: BLOCK DIAGRAM (2/4)

Other manuals for Sharp GX-CD5100W

Related product manuals