EasyManua.ls Logo

Sharp GX-CD5100W - Radio; Tuning and Receiving Radio Broadcasts; Memorizing Radio Stations

Sharp GX-CD5100W
84 pages
Print Icon
To Next Page IconTo Next Page
To Next Page IconTo Next Page
To Previous Page IconTo Previous Page
To Previous Page IconTo Previous Page
Loading...
GX-CD5100W
4 – 4
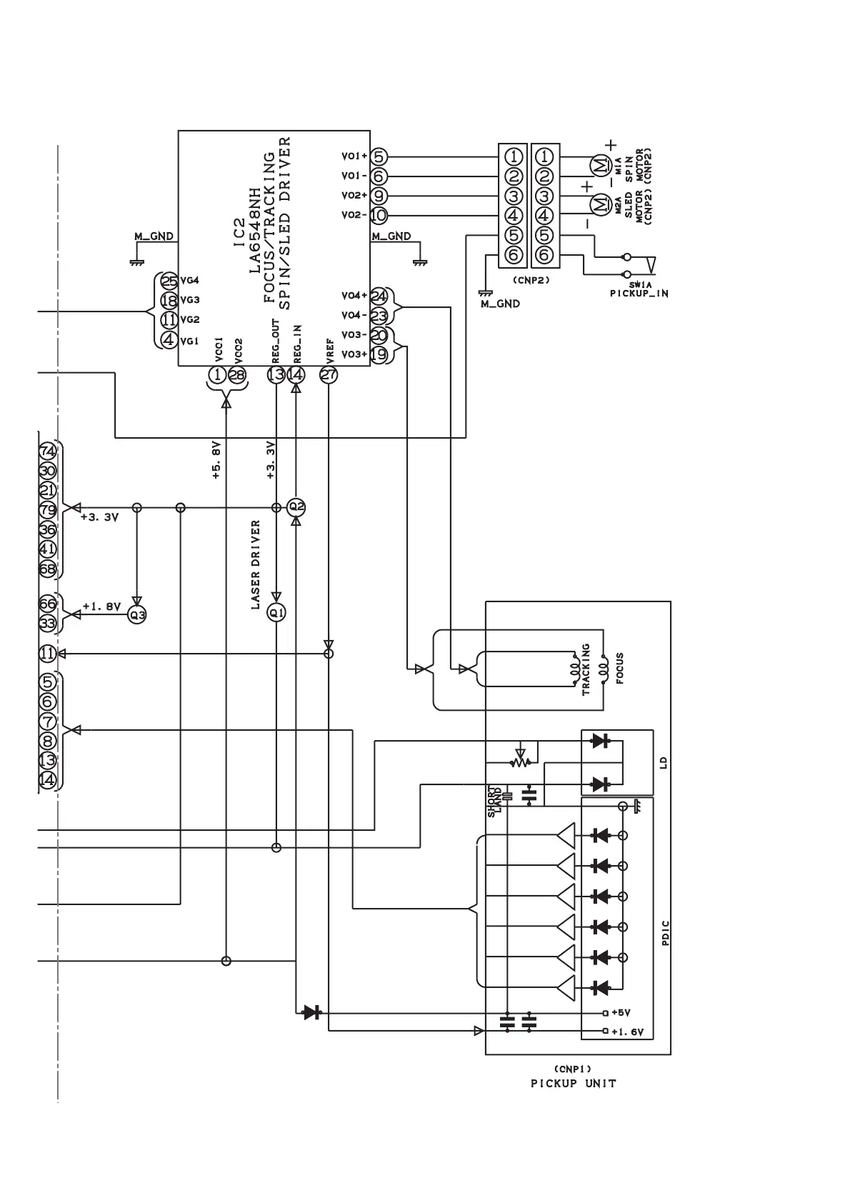
Figure 4-4: BLOCK DIAGRAM (4/4)

Other manuals for Sharp GX-CD5100W

Related product manuals