EasyManua.ls Logo

Sharp HT-DP4000 - Block Diagram

Sharp HT-DP4000
44 pages
Print Icon
To Next Page IconTo Next Page
To Next Page IconTo Next Page
To Previous Page IconTo Previous Page
To Previous Page IconTo Previous Page
Loading...
HT-DP4000
– 12 –
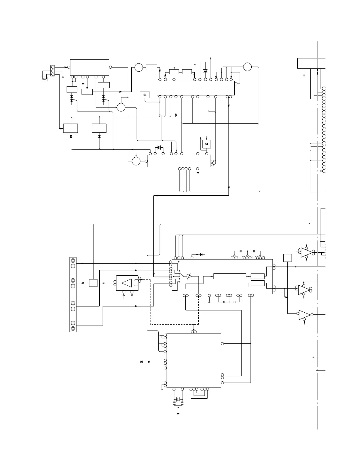
Figure 12 BLOCK DIAGRAM (1/2)
1
6
3
4
5
7
2
3
7
6
AM RF
OSC
AM IF
FMOSC
FM IN
AMIN
IC202
LC72131
PLL CONTROLLER
STEREO
OSC
X202
4.5MHz
FM IF
FM IF IN
AM
MIC
AM OSC
OUT
AM OSC
FM AFC
AM RF IN
SD
IF
OUT
IF IN
MPX
IN
L R
MPX
VCO
CUT
DI
CL
CE
DO
IO1
+5V
VOLTAGE
REGURATER
A+12V
SD
+B3
1
AM LOOP ANT
FM
AM ANT
3
4
9
8
5
6
7
VT
FM IF
L202
FM OSC
FM IF
AMP
VT
FM +B
FM
AM OSC
1
4
5
8 9
17 18
19 16
15
14 13
12
11
10
21
22
23
24
+B3
IC201
FM FRONT END
TA7358AP
L201
FM RF
T202
FM IF
T201
T203
Q201
SOC201
ANTENNA
TERMINAL
CF201
Q281
IF AMP
T204
IC203 LA1833
FM/AM IF MPX
CF203
CF202
FM
OUT
AM
OUT
Q202
MUTING
TUNER MUTE
VR201
FM MUTE LEVEL
REQ
VCC
GND
AM IF
FM
DET
PHASE
9
10
21
17
12
11
16
15 22
20
AM/FM
Q203
A+12V
+B3
+B3
AUX IN
L
R
L
R
L
R
L
R
JK401
AUTO
INPUT/
OUTPUT
MUTING
Q411
Q412
L
R
L
R
AMP
IC411 NJM4565D
MIC AMP
5
6
2
3
4
8
A–12V A+12V
GRAPHIC EQUALIZER
L
L
L
R
R
R
VOLUME
VOLUME
IC501 LC75396E
AUDIO PROCESSOR
LTIN
RTIN
CENTER
REAR
IN
FRONT
IN
L
R
R
L
L
R
R
L
DI
CE
CL
VSS
VDD
C-OUT
L-OUT
R-OUT
S-OUT
LT-IN
RT-IN
S-IN
C-IN
LSELO
RSELO
VCR1
VCR2
TUNER
AUX
VCR1
IN
VCR1
OUT
VCR2
IN
4
5
44
43 42
6
33
34
17
31
20
28
1845
46
47
26
6349
64
48
59
53
60
52
58
54
57
55
23
24
25
56
3
2
1
30
A+12V
VCC
A+12V
GND
34
38
35
37
36
18
21
17
31
32
10 11
12
14
15
16
22
23
24
46 45
CLK
DATA
ENABLE
8
OSC
9
7
VREF
IC452
LV1035M
DOLBY
PRO LOGIC
DECORDER
L-IN
R-IN
S-IN
L-OUT
R-OUT
S-OUT
8
4
CENTER
OUT
R
L
REAR
OUT
A–12V
A+
1
3
IC561
NJM4558
BUFFER
5
REAR
OUT
CENTER
7
1
L
R
L
R
IN
3
5
8
4
OUT
1
7
A–12V
IC581
NJM4558D
BUFFER
J58
1
HE
A
A+12V
H-MUTE
4
OUT
A–12V
REAR
IN
CENTER
Q531
Q532
6
IN
SUB W
O
2
A+1
2
76
77
78
79
80
81
82
83
84
85
86
87
88
89
90
91
92
93
94
95
96
97
98
99
10
0
STEREO
MUTE
VPP
VF2
(AC)
X-BASS
HEAVY
SOFT
IC431
NJM4558D
BUFFER
X451
8MHz

Related product manuals