EasyManua.ls Logo

Sharp HT-DV40H - Changing the set up menu; DVD Operation; Playing a disc

Sharp HT-DV40H
160 pages
Print Icon
To Next Page IconTo Next Page
To Next Page IconTo Next Page
To Previous Page IconTo Previous Page
To Previous Page IconTo Previous Page
Loading...
HT-DV40H
6 – 4
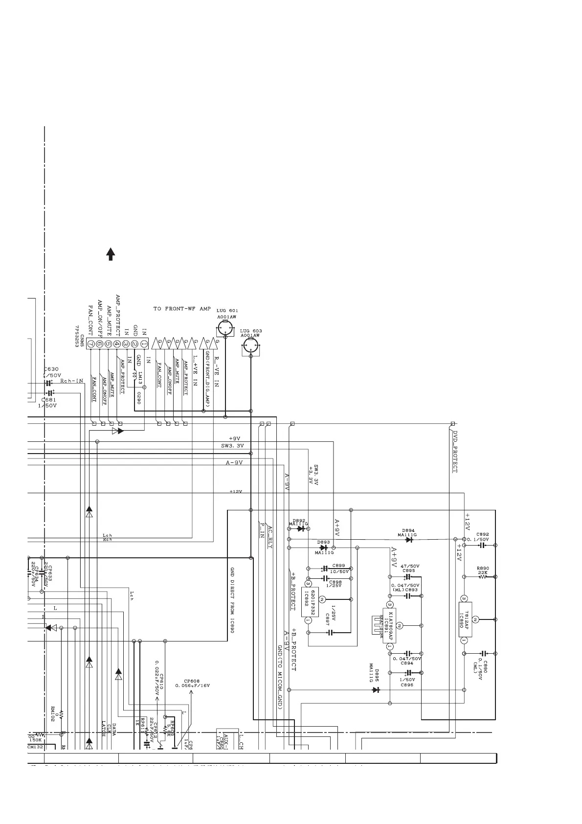
Figure 6-3: MAIN SCHEMATIC DIAGRAM (3/8)
TO
SUBWOOFER PWB-D
(BI402)
13
14 15 16 17 18

Other manuals for Sharp HT-DV40H

Related product manuals