EasyManua.ls Logo

Sharp HT-DV40H - Enjoying surround sound

Sharp HT-DV40H
160 pages
Print Icon
To Next Page IconTo Next Page
To Next Page IconTo Next Page
To Previous Page IconTo Previous Page
To Previous Page IconTo Previous Page
Loading...
HT-DV40H
6 – 13
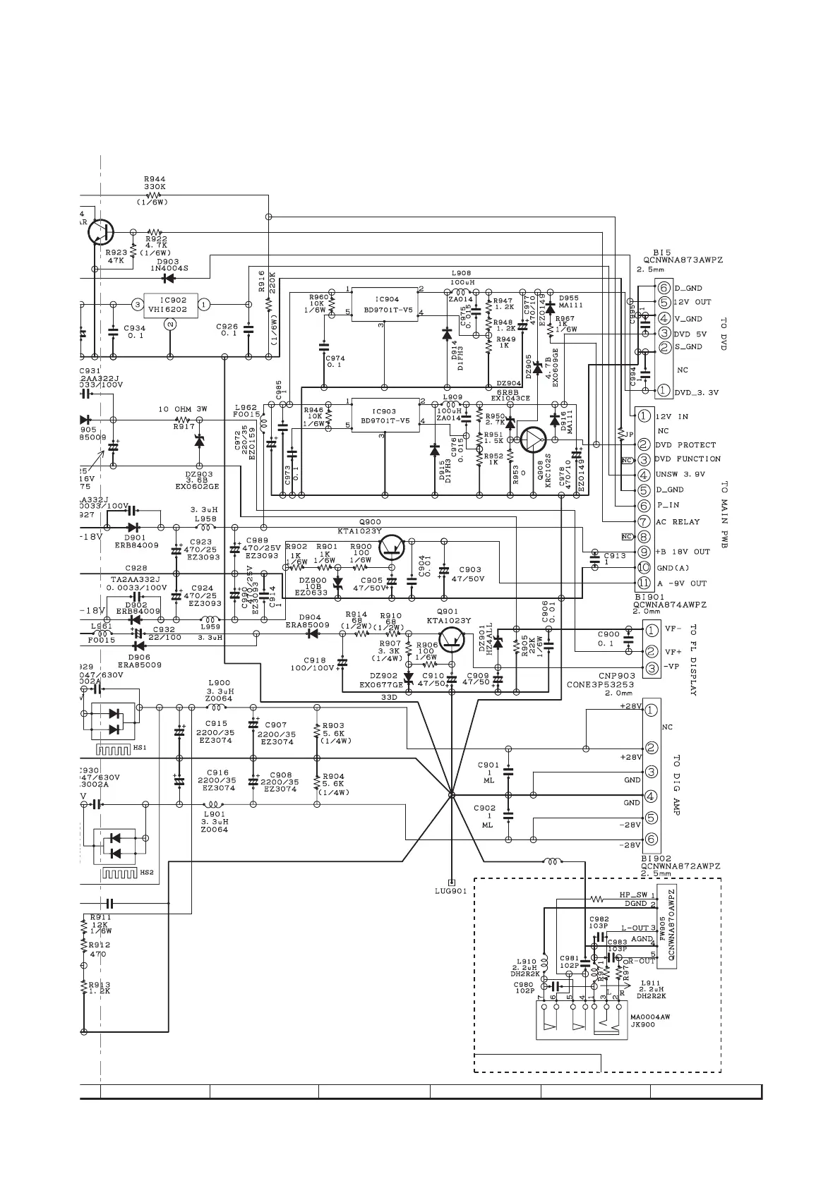
Figure 6-11: POWER SCHEMATIC DIAGRAM (2/2)
C999
101P
L912
R973
FB
FB
FB
F0015
HEADPHONE JACK
7
8 9 10 11 12

Other manuals for Sharp HT-DV40H

Related product manuals