EasyManua.ls Logo

Sharp HT-M700H - Page 13

Sharp HT-M700H
112 pages
Print Icon
To Next Page IconTo Next Page
To Next Page IconTo Next Page
To Previous Page IconTo Previous Page
To Previous Page IconTo Previous Page
Loading...
HT-M700H
4 – 2
NC
1
NC
2
PROG1
3
PROG2
4
PROG3
5
IRQ_UP
6
HP_DETECT
7
HP_MUTE
8
OPTICAL_ON
9
VIDEO_MUTE
10
RESET
11
XT1
12
XT2
13
VSS1
14
CF1
15
CF2
16
VDD1
17
KEY1
18
KEY2
19
POWER_KEY
20
RDS_VSM
21
RDS_DATA
22
SIGNAL_LVL
23
PATCH
24
MODEL
25
SYS_STOP
26
DVD_STB
27
RDS_CLK
28
IRQ_FRT
29
1G
30
2G
31
3G
32
4G
33
5G
34
6G
35
7G
36
8G
37
9G
38
10G
39
P1
40
P2
41
P3
42
P4
43
P5
44
P6
45
VDD3
46
P7
47
P8
48
P9
49
P10
50
51
P11
52
P12
53
P13
54
P14
55
P15
56
P16
57
P17
58
P18
59
P19
60
P20
61
P21
62
P22
63
P23
64
P24
65
P25
66
P26
67
P27
68
P28
69
P29
70
P30
71
VDD4
72
SD
73
MM+
74
MM-
75
FAN_PRO
76
JOG_UP
77
JOG_DOWN
78
FM_ST
79
4094_STB
80
P_CON
81
FUNC_TUNER
82
LED
83
NC
84
CE
85
DI
86
CLK
87
PROTECT
88
VSS2
89
VDD2
90
TUNER_DO
91
SW1
92
SW2
93
SW3
94
DVD_DI
95
DVD_DO
96
DVD_CLK
97
DVD_BUSY
98
CLID_OUT
99
NC
100
U701
IX0058SJ
SYSTEM
NICROCOMPUTER
X701
32.768 kHz
8MHz
DGND
X702
Q701
Q702
D711
DGND
D701
VCC_STBY
+5.6V
SYS_STOP
Q704
D702
D703
RESET
L701
SYS_STOP
RESET
IRQ
XT1
XT2
STB
BUSY
CLK
DI
DO
1
2
3
4
5
6
7
8
9
10
CNW701
TUNER_DI
TUNER_CE
DGND
TUNER_CLK
TUNER_DO
SD
FM_ST
RDS_CLK
RDS_DATA
RDS_VSM
TUNER_DI
TUNER_CE
TUNER_CLK
TUNER_DO
SD
FM_ST
RDS_CLK
RDS_DATA
RDS_VSM
MM+
MM-
FAN_PRO
A
1
C
2
B
3
4
5
SW709
(JOG)
DGND
JOG_UP
JOG_UP
JOG_DOWN
JOG_DOWN
P-CON
I_DETECT
HP_MUTE
DC_PRO
VDD
SW701
KEY1
KEY2
POWER_KEY
SW702
SW703
SW705
SW706
SW707
SW708
DGND
KEY1
KEY2
PLAY
STOP
TRAY OPEN/CLOSE
TUNER
FUNCTION
PRESET UP
PRESET DOWN
F1
1
F1
2
1G
4
2G
5
3G
6
4G
7
5G
8
6G
9
7G
10
8G
11
9G
12
10G
13
P1
16
P2
17
P3
18
P4
19
P5
20
P6
21
P7
22
P8
23
P9
24
P10
25
P11
26
P12
27
P13
28
P14
29
P15
30
P16
31
F2
33
F2
34
VFD701
AC3.8V-1
AC3.8V-2
DGND
VDD
SW_OPEN
FAN_START
LED_BACK
AMP_MUTE
HP_DETECT
IIC_SCL
IIC_SDA
1
2
3
4
CNW702
XP20/4P-B
VDD
DGND
IRQ
POWER_KEY
1
2
3
4
5
6
7
8
9
CNW704
AC3.8V-1
AC3.8V-2
-30V
DGND
VCC_STBY
P-CON
DGND
I_DETECT
1
2
3
4
5
6
7
8
CNW705
STB
BUSY
CLK
DI
DO
1
2
3
4
5
6
7
CNW706
DGND
1
2
3
CNW707
OPEN/CLOSE
DGND
1
2
3
4
CNW703
DGND
DC_PRO
HP_MUTE
AMP_MUTE
D704
VCC_STBY
+5.6V
D705
VCC_STBY
+5.6V
1G
2G
3G
4G
5G
6G
7G
8G
9G
10G
P1
P2
P3
P4
P5
P6
P7
P8
P9
P10
P11
P12
P13
P14
P15
P16
D708
LED
D710
LED
DGND
MVCC
+5.6V
Q703
LED_BACK
DOOR OPEN/CLOSE
1
2
3
4
5
6
CNW708
DGND
RESET
DGND
MM+
MM-
SW_CLOSE
SW_OPEN
FAN_START
FAN_PRO
MVCC
HP_DETECT
RADIO_SLT
RADIO_SLT
DGND
VDD
PROG1
PROG2
PROG3
(Only use for on board program)
To power unitTo DVD unitTo tuner unit
To AMP unit
TUNER
TUNER
D721
VDD1
VDD1
DGND
GND
CFW701
DGND
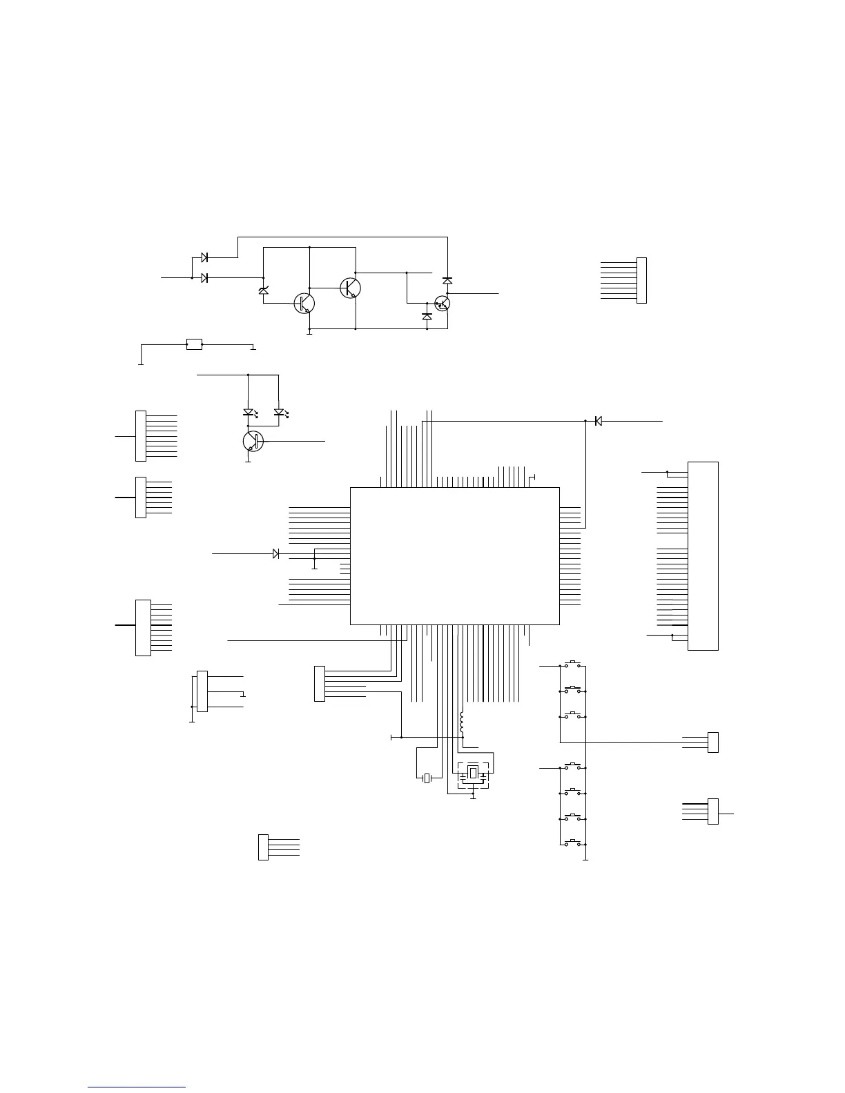
Figure 4-2 BLOCK DIAGRAM (2/14)

Related product manuals