EasyManua.ls Logo

Sharp HT-M700H - Page 59

Sharp HT-M700H
112 pages
Print Icon
To Next Page IconTo Next Page
To Next Page IconTo Next Page
To Previous Page IconTo Previous Page
To Previous Page IconTo Previous Page
Loading...
HT-M700H
6 – 30
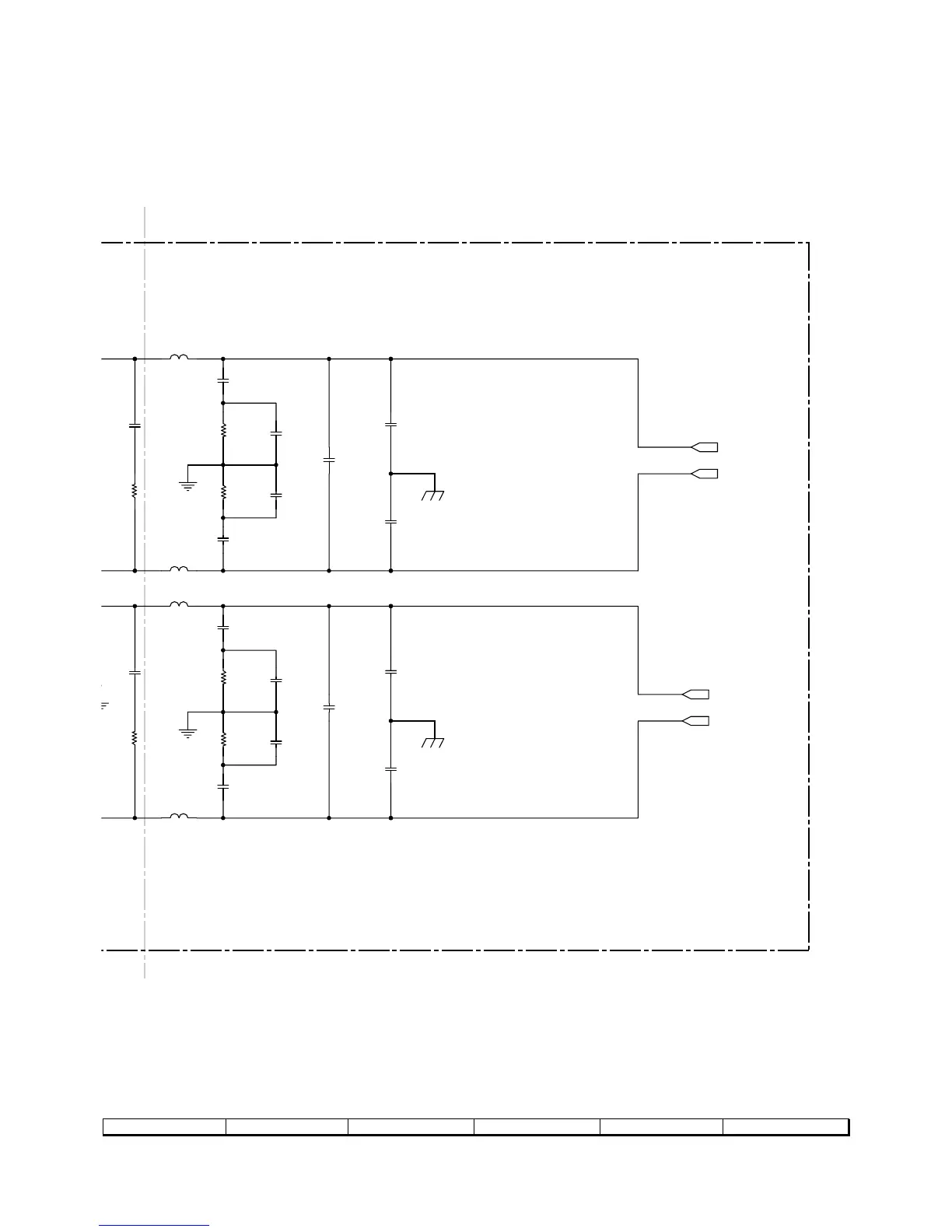
Figure 6-30 SCHEMATIC DIAGRAM (22/27)
7
8 9 10 11 12
C44B
0.0056
8 OHM(SUB)
8OHM(CN)
C45B
0.1
C30B
0.1
R13C
20
C32B
470nF
FILM
L5C
22
µH
C47B
470nF
FILM
C37B
0.1
L6C
22
µH
R9C
20
R11C
6.2
C49
0.1
C51B
0.0056
C42B
0.1
R10B
6.2
C52B
0.1
C48B
330P
L7B
15
µH
R16C
6.2
L8B
15
µH
C29C
0.1
C27C
0.1
C39B
0.1
C36B
0.1
R14C
6.2
C35B
330P
CH3+
CH4+
CH4-
CH3-

Related product manuals