EasyManua.ls Logo

Sharp JC-130HBK - Page 9

Sharp JC-130HBK
18 pages
Print Icon
To Next Page IconTo Next Page
To Next Page IconTo Next Page
To Previous Page IconTo Previous Page
To Previous Page IconTo Previous Page
Loading...
A
B
C
D
E
F
G
~
H
-
1
3
I
4
5
6
__
Ql,Q2
2SC1815
GR
R4
1
,/
Cl0
lOOK
0.01
--_---------
A------
_-
-
-- --
-
-
1
LAYBACK HEAD
ICI01
TABIIIAP
PRE POWER
AMP.
HEADPHONES
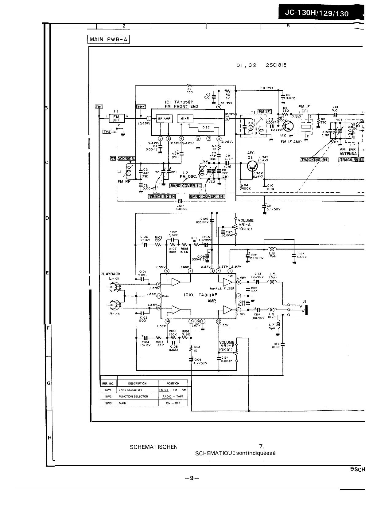
. NOTES ON SCHEMATIC DIAGRAM can be found on page 6.
. ANMERKUNGEN ZUM
SCHEMATISCHEN
SCHALTPLAN stehen auf Seite 7.
. REMARQUES CONCERNANT LE DIAGRAMME
SCHEMATIQUE
sont
indiqukes
B
la page 8.
1
I
2
I
3
4
5
I
6
Figure
g
ScH
-9-

Related product manuals