EasyManua.ls Logo

Sharp JC-130HBK - Schematic Diagram;Wiring Side of P.w.board

Sharp JC-130HBK
18 pages
Print Icon
To Next Page IconTo Next Page
To Next Page IconTo Next Page
To Previous Page IconTo Previous Page
To Previous Page IconTo Previous Page
Loading...
6
I
7
I
8 9
I
10
I
11
I
12
-
rc
ICJ
TA7342P
FM MPX
MAIN SWITCF
SW3
I
i
I
czoz
JC- 130: DC
3V
100/,0
R6,
HP-7
or
JC-
130H/l29
:
DC
3V
Nai/SUM-3
or
R6
x21
lUM/SUM-3,
AAcell
x2
I
-
I
7
I
8
I
9
10
11
12
9
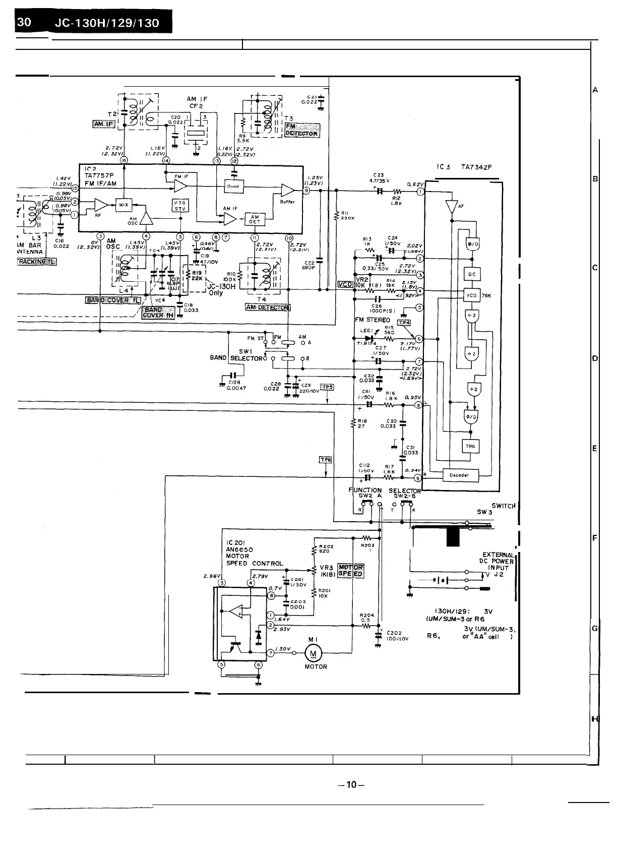
SCHEMATIC DIAGRAM
-lO-
B
C
D
E
F
G
i
l-i

Related product manuals