EasyManua.ls Logo

Sharp LC-15AV7U - Page 31

Sharp LC-15AV7U
73 pages
Print Icon
To Next Page IconTo Next Page
To Next Page IconTo Next Page
To Previous Page IconTo Previous Page
To Previous Page IconTo Previous Page
Loading...
8-3
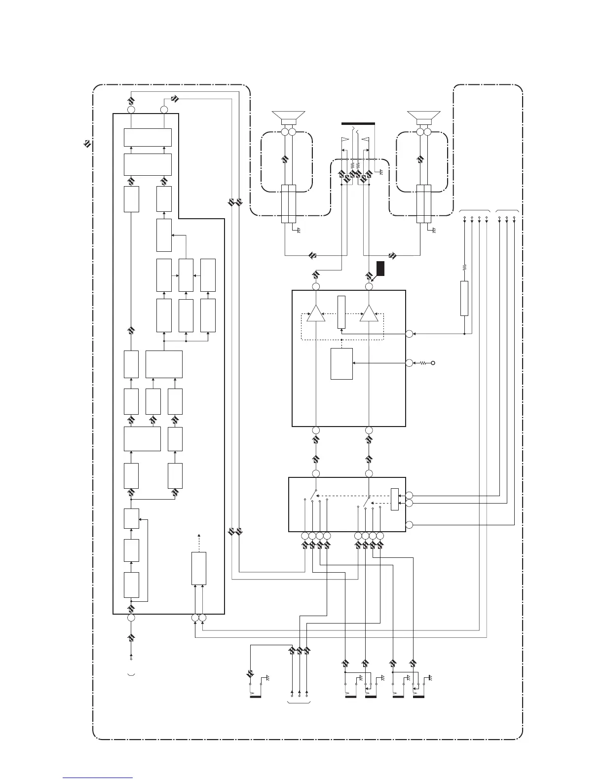
Audio Block Diagram
A7121BLA
MAIN CBA
AUDIO-MUTE
VOLUME
TO SYSTEM
CONTROL BLOCK
DIAGRAM
INPUT-0(INV)
INPUT-1(INV)
SCL
SDA
IC852 (INPUT SELECT)
SW CTL
INH
3
12
15
11
14
1
4
6
9 10
STEREO
FILTER
75uS
DE-EMPH
dBX
DE-EMPH
L+R
FILTER
WIDE BAND
FILTER
WIDE BAND
RMS DET
WIDE BAND
EXPAND
SPECTRAL
EXPAND
SPECTRAL
RMS DET
SPECTRAL
FILTER
OFFSET
CANCEL
L-CH
R-CH
MATRIX AGC
OFFSET
CANCEL
L-R
FILTER
(L-R)/SAP
SW
SAP
FILTER
I2C
DECORDER
SAP
DEMOD
SAP OUT
FILTER
29
30
TO
IF/VIDEO BLOCK
DIAGRAM
TUNER
TUNER
(L-CH)
(R-CH)
21
27
24
IC851 (MTS/SAP AUDIO SIGNAL PROCESS)
AUDIO(L)
-IN1
JK704
DIGITAL
AUDIO-OUT
JK1701
SIF
JK705
AUDIO(R)
-IN1
JK709
AUDIO(L)
-IN2
JK710
AUDIO(R)
-IN2
OFFSET
CANCEL
14
IC801 (AUDIO AMP)
7
VOLUME
11
AMP
AMP
MUTE
/STANDBY
CONTROL
(R-CH)
(L-CH)
2
Q802
P-ON+5V
TO IF/VIDEO
BLOCK DIAGRAM
13
2
WF7
AUDIO1
AUDIO2
AUDIO1
AUDIO2
SIF/BB
SW
INPUT
VCA
SIF
DEMOD
INPUT-2(INV)
6
DTV
DTV
5
1
DTV-SPDIF
DTV-AUDIO(L)
TO DTV
MODULE
BLOCK
DIAGRAM
DTV-AUDIO(R)
AUDIO SIGNAL
AUDIO MUTE
JK801
HEADPHONE
JACK
SP801
SPEAKER
R-CH
JUNCTION-B CBA
CL802
SP802
SPEAKER
L-CH
JUNCTION-A CBA
CL801
22SP-GND
11SP-L
22SP-GND
11SP-R
NOTE: CBA AND PWB MEANS PRINTED WIRING BOARD.

Table of Contents

Other manuals for Sharp LC-15AV7U

Related product manuals