EasyManua.ls Logo

Sharp LC-20S1M - Page 32

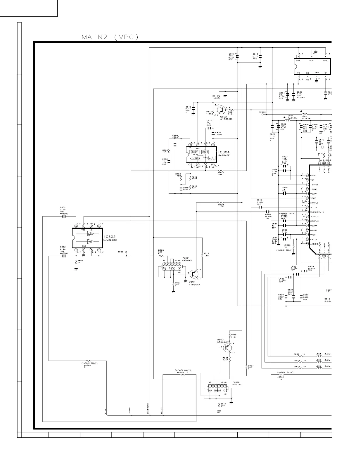
Sharp LC-20S1M
76 pages
Print Icon
To Next Page IconTo Next Page
To Next Page IconTo Next Page
To Previous Page IconTo Previous Page
To Previous Page IconTo Previous Page
Loading...
32
LC-20S1M
87109654321
A
B
C
D
E
F
G
H
Ë
MAIN Unit-2/6

Related product manuals