EasyManua.ls Logo

Sharp LC-26D43U - Page 52

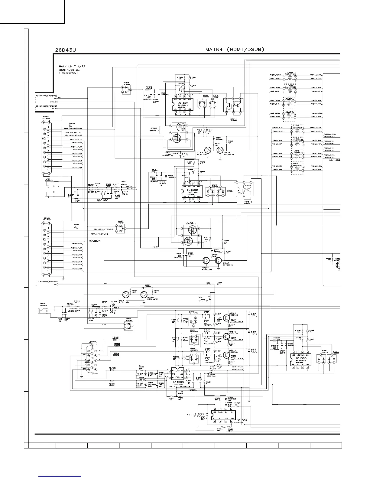
Sharp LC-26D43U
116 pages
Print Icon
To Next Page IconTo Next Page
To Next Page IconTo Next Page
To Previous Page IconTo Previous Page
To Previous Page IconTo Previous Page
Loading...
87109654321
A
B
C
D
E
F
G
H
52
LC-26D43U
Ë
MAIN Unit-4/20

Related product manuals