EasyManua.ls Logo

Sharp LC-26D43U - Page 54

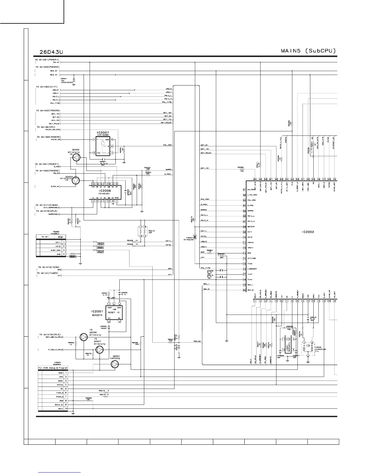
Sharp LC-26D43U
116 pages
Print Icon
To Next Page IconTo Next Page
To Next Page IconTo Next Page
To Previous Page IconTo Previous Page
To Previous Page IconTo Previous Page
Loading...
87109654321
A
B
C
D
E
F
G
H
54
LC-26D43U
Ë
MAIN Unit-5 /20
IXB986WJN4

Related product manuals