EasyManua.ls Logo

Sharp LC-26SH12U - Page 42

Sharp LC-26SH12U
64 pages
Print Icon
To Next Page IconTo Next Page
To Next Page IconTo Next Page
To Previous Page IconTo Previous Page
To Previous Page IconTo Previous Page
Loading...
ABC D E F GH
ABC D E F GH
2
1
3
4
5
6
7
8
2
1
3
4
5
6
7
8
D702
UDZS12B
D713
UDZS12B
D715
UDZS12B
D707 UDZS12B
D709 UDZS12B
D708 UDZS12B
D711 UDZS12B
D701
UDZS5.6B
D705 UDZS12B
D712 UDZS12B
D710 UDZS12B
D706 UDZS12B
D714
UDZS12B
IC703
NJM2584AM(TE1)
SW IC
1
10111213141516
2345678
9
H1H1 H2
EE
J701
AV3-13P2-31S1
COMPONENT_IN_1
1
23
4
5
NC H1 H2 H3
E
J703
RCA-349-00C-02
CVBS_IN_1
1
2345
NC H1 H2 H3
E
J702
RCA-349-00C-02
CVBS_IN_2
1
2345
L702
47uHNLCV32T
IC901
AN5832SA-E1V
USA STEREO IC
110111213141516
17 18 19
2
20 21 22 23 24 25 26 27 28 29
3
30 31 32
4567
89
IC701 AN15853B-E1
AV SW IC
1 101112131415161718
19
2
20212223242526272829
3
303132333435
36
456789
Q703
KTC3875S_Y_RTK
BUFFER
Q705
KTC3875S_Y_RTK
D AUDIO DRIVER
EE
H
J706
R102-D04KAF-06
S+COAXIAL
12
34
56
7
89
IC705
MM1501XNRE
AUDIO SW R IC
123
456
IC704 MM1501XNRE
AUDIO SW L IC
123
456
Q704
KTA1504S_Y_RTK
SYNC SEPA
Q702
KTA1504S_Y_RTK
BUFFER
Q701
KTA1504S_Y_RTK
BUFFER
C904
3.350V V-S
C931
10016V V-S
L701
47uH
NLCV32T
C769
4716V V-S
C717
2216V V-S
C753
10016V V-S
C779
10016V V-S
C726
330
6.3V
V-S
C712
22016V V-S
OF PRINTING AND SUBJECT TO CHANGE WITHOUT NOTICE
NOTE:THIS SCHEMATIC DIAGRAM IS THE LATEST AT THE TIME
WAS RECEIVED IN GOOD CONDITION AND PICTURE IS NORMAL.
WITH THE DIGITAL TESTER WHEN THE COLOR BROADCAST
NOTE:THE DC VOLTAGE AT EACH PART WAS MEASURED
W822
W859
W860
W854
W801
W885
W883
W802
W835
W834
W838
W837
W832
W807
W806
W855
B723
FCM1608KF-102T02
B722
FCM1608KF-102T02
B712
FCM1608KF-102T02
B710
FCM1608KF-102T02
B721
FCM1608KF-102T02
B709
FCM1608KF-102T02
B701
FCM1608KF-151T06
B702
FCM1608KF-151T06
B705
FCM1608CF-600T06
B708 FCM1608KF-102T02
B720 FCM1608KF-102T02
B706
FCM1608KF-102T02
B703
FCM1608KF-151T06
B711
FCM1608KF-102T02
B704
FCM1608KF-151T06
R755
1M
R732 220K
R731
220K
R714
560
R716
75 +-1%
R717
75 +-1%
R715
75 +-1%
R735
220K
R750
1K
R748
220
R747
220K
R905
100
R904
100
R760
1M
R759
1M
R758
1M
R756
1M
R757
1M
R702
3.3K
R710
2.2K
R703
220
R705
100K
R706
75 +-1%
R719
470
R752
75
R720
100
R721
100
R718
470
R730
10
R729
10
R761
470
R701
1.5K
R707
75 +-1%
R709
75 +-1%
R708
75 +-1%
R742
470
R743
75
R704
68
R736
220K
R902 180K
R901
3.3K
R744
47K
R746
560
R745
39K
C781
10 C
C783
10 C
C782
10 C
C784
10 C
C775
1B
C780
10 C
C777
10 C
C785
0.001 B
C731
1B
C730
1B
C729
1B
C710
470PCH
C705
470P CH
C711 47P CH
C709
470P CH
C706
470P CH
C737
1B
C738
1B
C741
1B
C740
1B
C739
1B
C774
1B
C778
0.1 B
C749
1B
C916 2.2 B
C720
0.01 B
C701
0.022 B
C703
100P CH
C702
0.1 B
C736
1B
C734
1B
C732
0.01 B
C728
0.01 B
C725
1B
C735
1B
C733
1B
C704
47P CH
C727
1B
C750
0.0039 B
C707
100P CH
C754
100P CH
C708
100P CH
C713
0.01 B
C920
1B
C919
1B
C721
0.01 B
C724
0.01 B
C722
0.01 B
C723
0.01 B
C903 0.33 B
C906 0.022 B
C902 10 C
C905 0.1 B C917 2.2 B
C908
0.1 B
C909
0.033 B
C901
2.2
B
C915 0.33 B
C918
0.22 B
C914
0.1 B
C912 0.001 B
C911 4.7 B
C910 2.2 B
C745
10 C
C746
0.01 B
C747
10 C
V_IN VGA-R
Y_IN
X242_SPDIF SPDIF_OUT U_IN
V_IN
SW_V/R U_IN
SW_U/B PC/HDMI_H
P.CON+5V
P.CON+5V
SW_Y/G VGA-B
Y_SYNC-SEPA
VGA-G Y_IN
C_SYNC
AV2_V_IN
YUV/AV2_A_IN_L
YUV/AV2_A_IN_R
DVI_A_IN_L P.CON+9V
YUV/AV2_A_IN_R
SW_AUDIO_L
AV2_V_IN
SW_Y/G
SW_U/B
YUV/AV2_A_IN_L
SW_V/R
GND
PC/HDMI_H
S_DET1
AV1_V_IN
DVI_A_IN_R
I2C_DATA
AV1_A_IN_R
SW_AUDIO_R
I2C_CLK SW_AUDIO_R
X242_SPDIF
Y_IN
AV1_A_IN_L
SW_AUDIO_L
S_DET1
TU_VIDEO
SW_A_OUT_R TU_VIDEO
SW_Y/CVBS_OUT
SW_C_OUT
PC/HDMI_H
SW_A_OUT_L
AV1_C_IN
TU_AUDIO_L
SIF
AV1_C_IN
AV1_Y_IN
P.CON+9V
TU_AUDIO_R
AV1_A_IN_R
P.CON+5V
I2C_CLK
I2C_DATA
AV1_Y_IN
I2C_CLK
AV1_A_IN_L
SPDIF_OUT
AV1_V_IN
Y_SYNC-SEPA
C_SYNC
SW_Y/CVBS_OUT
I2C_DATA
SW_A_OUT_L
SW_A_OUT_R
SIF
VGA-R
SW_C_OUT
VGA-G
VGA-B
DVI_A_IN_L
DVI_A_IN_R
P.CON+5V
P.CON+5V
P.CON+9V
GND
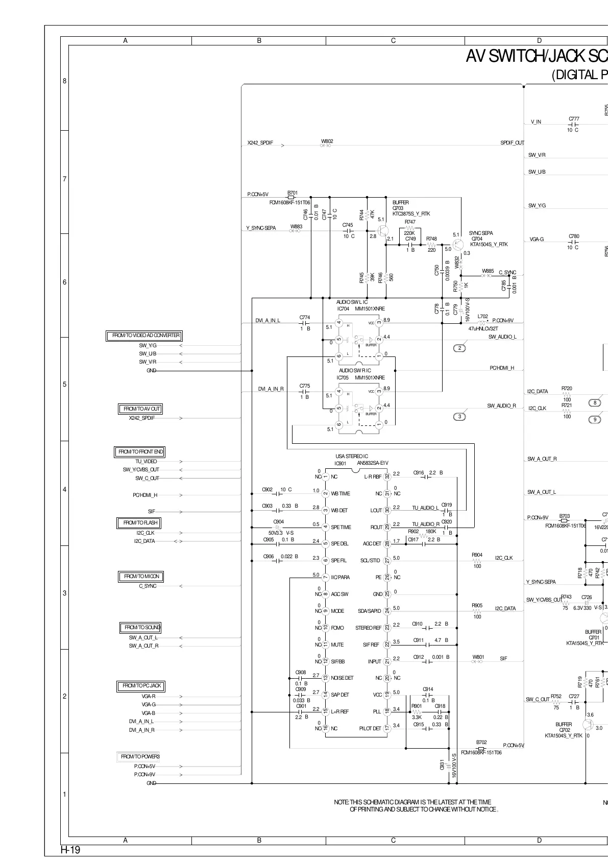
AV SWITCH/JACK SCHEMATIC DIAGRAM
(DIGITAL PCB)
H-20
H-19
PCBDH0
CEF276
FROM/TO POWER3
5.1
VCC
H
8.9
0
BUFFER
L
4.4
0
5.1
5.1
VCC
H
8.9
0
BUFFER
L
4.4
0
5.1
0.3
5.0
5.1
2.1
2.8
5.1
WB TIME
L+R REF
NC PILOT DET
PLL
WB DET
SPE TIME
SPE DEL
SPE FIL
IIC/PARA
AGC SW
MODE
FOMO
MUTE
SIF/BB
NOISE DET
SAP DET
NC
L-R RBF
GND
PE
SCL/STID
AGC DET
ROUT
LOUT
SIF REF
STEREO REF
VCC
NC
INPUT
SDA/SAPID
OUT1
IN3B
GND3
IN2A
CTL
V+
IN2B
GND1
IN1A
IN1B
NC
GND2
OUT2
OUT3
NC
IN3A
1.7
0
1.0
1.8
0
2.0
0
2.4
2.0
0
2.4
3.1
4.8
2.5
0
2.5
RED
R1
L1
V1
WHITE
YELLOW
C
Y
6dB
6dB
+
Vref
6dB
SDA
SCL
GND
BIAS
Vcc
D_SW_1 D_L1_Vin
4.5
0
4.7
4.5
4.7
4.5
4.7
0
0
4.8
4.5
4.8
4.5
4.8
0
4.5
4.8
4.5
4.8
4.7
5.1
4.6
9.0
4.5
4.5
4.4
4.5
4.6
4.5
0
4.8
4.8
0
4.8
4.5
4.8
0
NC
Yout
Cout
Sin1Sin2
Cin
Rout
Yin
Lout
Vout
Y
Pb
Pr
GREEN
BLUE
RED
R2
L2
V2
RED
WHITE
YELLOW
0
OTHER
PC/HDMI
SW
L
H
3.6
3.0
0
3.0
3.6
FROM/TO AV OUT
FROM/TO FRONT END
FROM/TO FLASH
FROM/TO MICON
FROM/TO SOUND
FROM/TO PC JACK
FROM/TO VIDEO AD CONVERTER
NC
NC
NC
NC
NC
NC
NC
NC
NC
NC
NC
NC
NC
0
1.0
2.8
0.5
2.4
2.3
5.0
0
0
2.2
0
2.2
2.2
1.7
5.0
0
0
5.0
2.2
3.5
2.2
0
5.0
2.7
0
0
0
2.7
2.2
0
3.4
3.4
5.0
5.0
5.0
2
3
8
9
6
7
4
5
All manuals and user guides at all-guides.com

Related product manuals