EasyManua.ls Logo

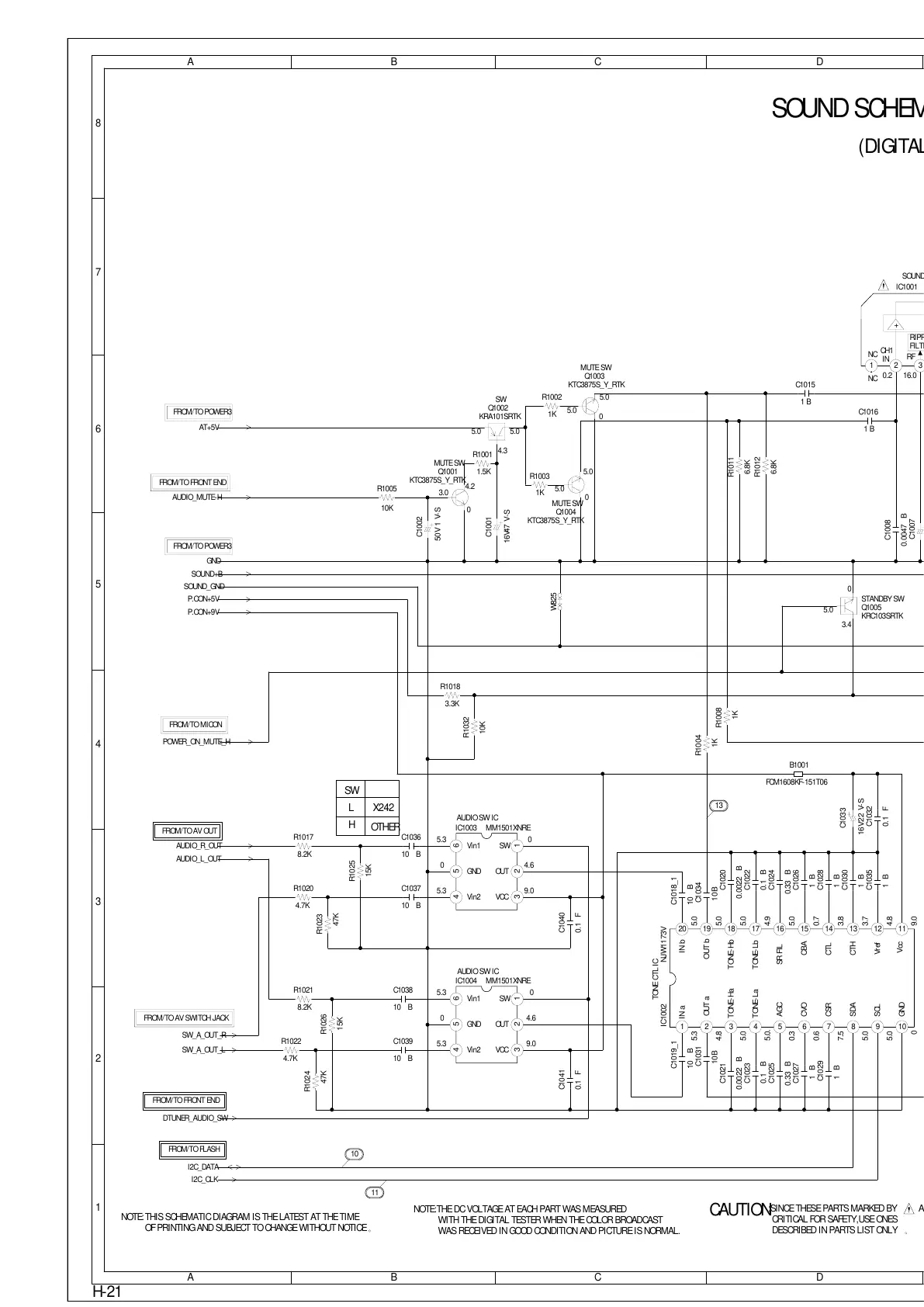
Sharp LC-26SH12U - SOUND SCHEMATIC

Sharp LC-26SH12U
64 pages
Print Icon
To Next Page IconTo Next Page
To Next Page IconTo Next Page
To Previous Page IconTo Previous Page
To Previous Page IconTo Previous Page
Loading...
ABC D E F GH
ABC D E F GH
2
1
3
4
5
6
7
8
2
1
3
4
5
6
7
8
TR1001
HF70T22*10*14
IC1002 NJW1173V
TONE CTL IC
110
111213141516171819
2
20
3456789
IC1001 AN17808B
SOUND AMP IC
1 10111223456789
SPEAKER
SP1001
S0412F03
SPEAKER
SP1002
S0412F03
TM101
ETR0088-010161
BT001
GR6M
BT002
GR6M
Q1003
KTC3875S_Y_RTK
MUTE SW
Q1001
KTC3875S_Y_RTK
MUTE SW
Q1004
KTC3875S_Y_RTK
MUTE SW
AUDIO SIGNAL(REC)
CP1001
A2502WV2-4P
1
2
3
4
Q1002
KRA101SRTK
SW
CD301_1
CU145005
CD3805
P201-2476-2
Q1005
KRC103SRTK
STANDBY SW
IC1004 MM1501XNRE
AUDIO SW IC
123
456
IC1003 MM1501XNRE
AUDIO SW IC
123
456
CAUTION: DIGITAL TRANSISTOR
CAUTION: DIGITAL TRANSISTOR
C1010
1006.3V V-S
C1007
10025V YK_P
C1013
100025V YK_P
C1002
150V V-S
C1012_1
100035V MHE_P
C1014
100025V YK_P
C1011
150V V-S
DANS LA NOMENCLATURE DES PIECES
N’UTILISER QUE CELLS DECRITES
DANGEREUSES AN POINT DE VUE SECURITE
:LES PIECES REPAREES PAR UN ETANT
ATTENTION
:SINCE THESE PARTS MARKED BY
CAUTION
DESCRIBED IN PARTS LIST ONLY
CRITICAL FOR SAFETY,USE ONES
ARE
C1001
4716V V-S
C1033
2216V V-S
HS1001
763WAA0295
HS33V6
OF PRINTING AND SUBJECT TO CHANGE WITHOUT NOTICE
NOTE:THIS SCHEMATIC DIAGRAM IS THE LATEST AT THE TIME
WAS RECEIVED IN GOOD CONDITION AND PICTURE IS NORMAL.
WITH THE DIGITAL TESTER WHEN THE COLOR BROADCAST
NOTE:THE DC VOLTAGE AT EACH PART WAS MEASURED
W826
W825
B1001
FCM1608KF-151T06
B1004
HCB1608KF-181T20
B1005
HCB1608KF-181T20
B1009
FCM1608KF-151T06
R1024
47K
R1023
47K
R1001
1.5K
R1004
1K
R1026
15K
R1022
4.7K
R1008
1K
R1027
10K
R1011
6.8K
R1012
6.8K
R1029
4.7K
R1014
3.9K
R1030
3.9K
R1031
4.7K
R1032
10K
R1005
10K
R1018
3.3K
R1025
15K
R1020
4.7K
R1017
8.2K
R1021
8.2K
R1003
1K
R1002
1K
C1039
10 B
C1038
10 B
C1031
10B
C1035
1B
C1030
1B
C1026
1B
C1024
0.33 B
C1022
0.1 B
C1020
0.0022 B
C1028
1B
C1032
0.1 F
C1009
0.0047 B
C1015
1B
C1008
0.0047 B
C1016
1B
C1029
1B
C1023
0.1 B
C1021
0.0022 B
C1025
0.33 B
C1027
1B
C1019_1
10 B
C1018_1
10 B
C1034
10B
C1037
10 B
C1036
10 B
C1041
0.1 F
C1040
0.1 F
AT+5V
AUDIO_MUTE-H
GND
SOUND+B
SOUND_GND
P.CON+5V
P.CON+9V
POWER_ON_MUTE_H
AUDIO_R_OUT
AUDIO_L_OUT
SW_A_OUT_R
SW_A_OUT_L
DTUNER_AUDIO_SW
I2C_DATA
I2C_CLK
H-22
H-21
PCBDH0
CEF276
(DIGITAL PCB)
SOUND SCHEMATIC DIAGRAM
3.4
3.4
FROM/TO AV OUT
OUT b
IN b
TONE-Ha
TONE-La
SCL
GND
Vcc
Vref
CBA
SR FIL
TONE-Lb
TONE-Hb
OUT a
CTL
CTH
AGC
CVO
CSR
SDA
IN a
NC
NC
00.7
3.7
16.500.70.2016.00.2
ATT.CONT.
RF
CH1
IN IN
CH2
GND
CH1CH2
OUT
MUTE
OUT-BY
STAND
GND VCC
ATT. +
+
-
NC
+
-
+
FILTER
RIPPLE
NC
1
2
3
4
SP OUT L
SP OUT R
GND
GND
ACCESSORY
FROM/TO FRONT END
FROM/TO MICON
FROM/TO AV SWITCH JACK
FROM/TO FRONT END
FROM/TO FLASH
FROM/TO POWER3
FROM/TO POWER3
X242
OTHER
SW
L
H
5.0
5.0
5.0
4.9
5.0
0.7
3.8
3.7
4.8
9.0
5.3
4.8
5.0
5.0.
0.3
0.6
7.5
5.0
5.0
0
5.05.0
4.3
4.2
0
3.0
5.0
5.0
5.0
5.0
0
0
0
5.0
Vin2
GND
Vin1
VCC
OUT
SW
Vin2
GND
Vin1
VCC
OUT
SW
0
4.6
9.05.3
0
5.3
0
4.6
9.0
5.3
0
5.3
13 12
10
11
14
15
All manuals and user guides at all-guides.com

Related product manuals