EasyManua.ls Logo

Sharp LC-60LE600U - System Block Diagram

Sharp LC-60LE600U
68 pages
Print Icon
To Next Page IconTo Next Page
To Next Page IconTo Next Page
To Previous Page IconTo Previous Page
To Previous Page IconTo Previous Page
Loading...
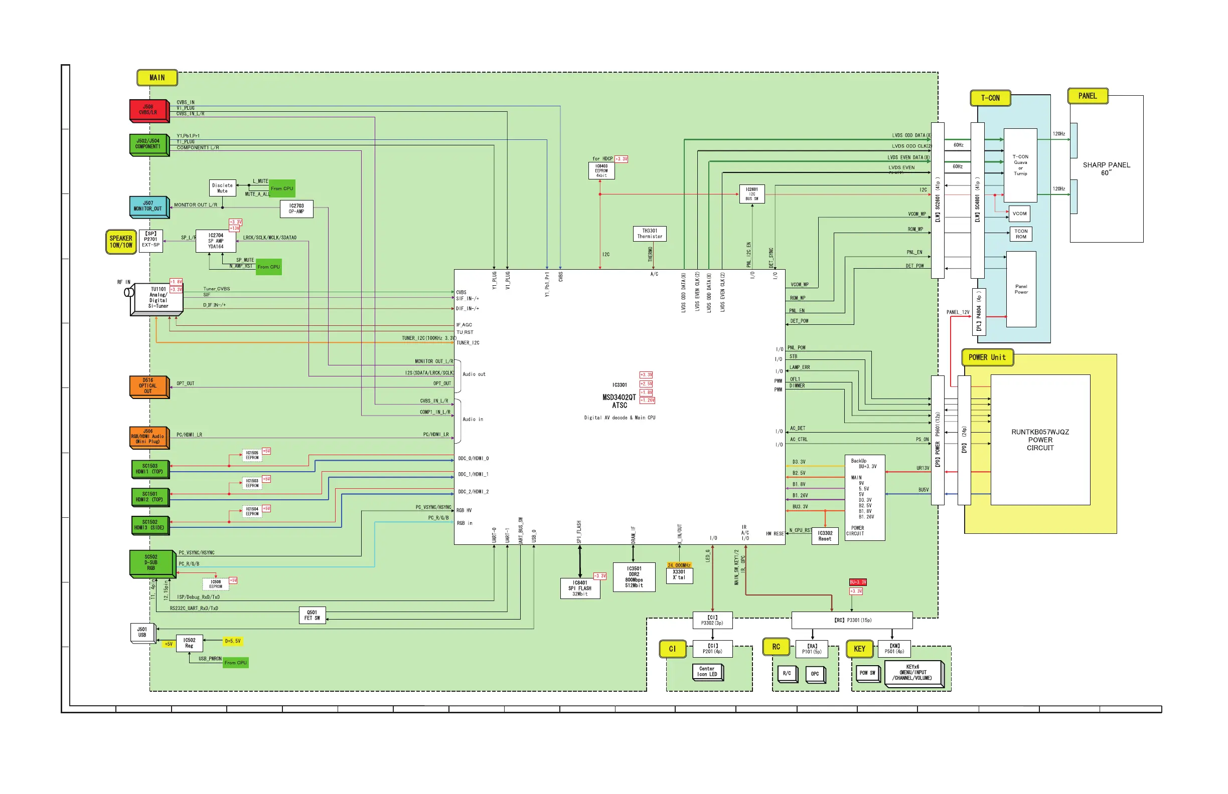
LC-60/70LE600U
8 – 2
[2] SYSTEM BLOCK DIAGRAM
1
23
1097654
8
J
A
B
C
D
E
F
G
H
I
1311 191816151412 17

Related product manuals