EasyManua.ls Logo

Sharp MX-4501N - Page 360

Sharp MX-4501N
448 pages
Print Icon
To Next Page IconTo Next Page
To Next Page IconTo Next Page
To Previous Page IconTo Previous Page
To Previous Page IconTo Previous Page
Loading...
MX3500N TRAY PAPER FEED SECTION E – 1
MX3500N
Service Manual
[E] TRAY PAPER FEED SECTION
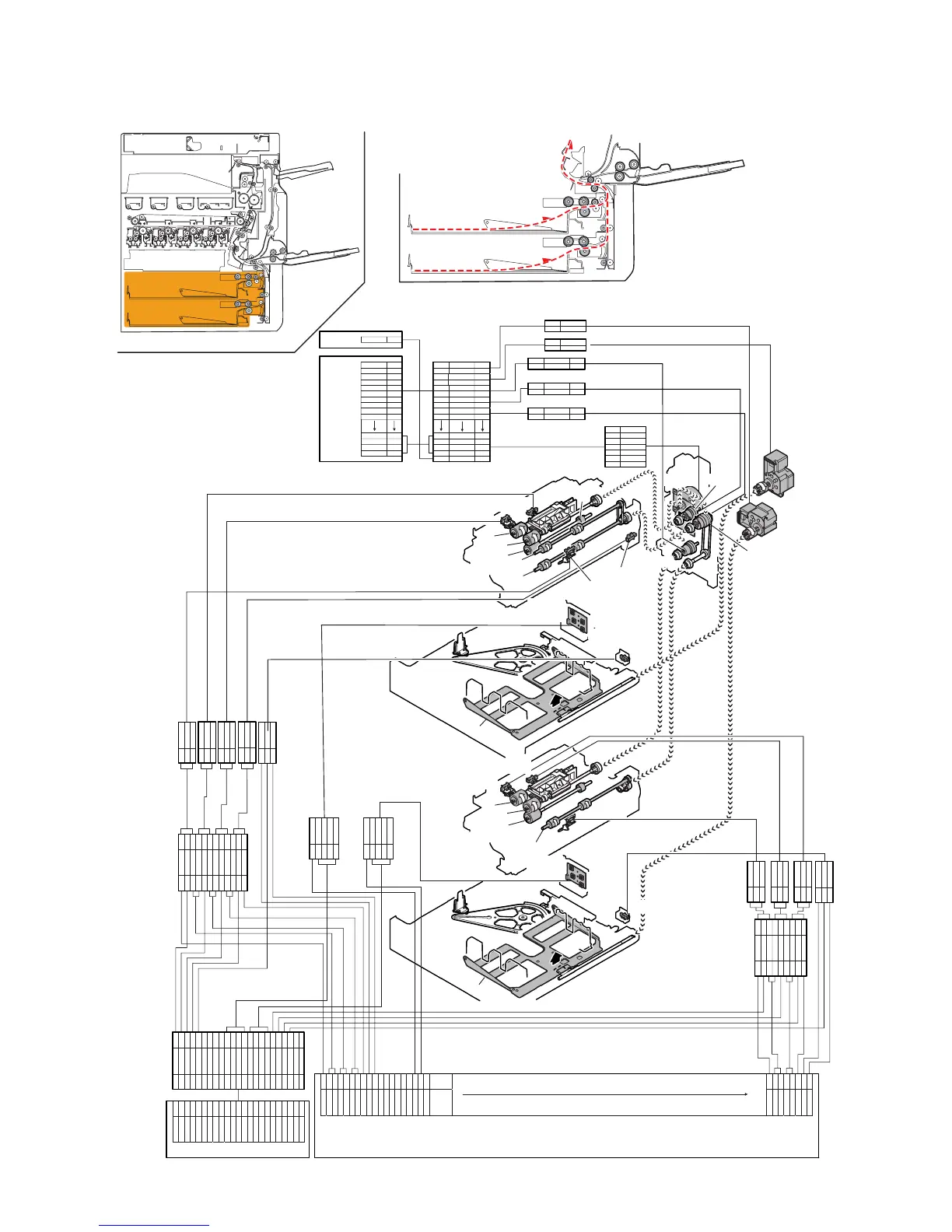
1. Electrical and mechanism relation diagram
PHNR-12-H+
P
DF1B-24p
S
CN6
BU12P-TR-P-H
B24B-PHDSS-B
CN4
PHNR-9-H+
BU09P-TR-P-H
B30B-PHDSS-B
5VNPD3
D-GND1
2 CPED2
14CPWD2214CPWD22 24
4
6
10
12CPWD2112
10CSPD2
4CLUD2
20
22
24
2
19
21
23
18
7
16
17
9
11
13
15
22CSS23
6CPED2
24CSS24
2CPFD2
18CSS21
20CSS22
21CSS13
23CSS14
17CSS11
19CSS12
15CSS1
16CSS2
11CPWD11
13CPWD12
7DSW_R
9CSPD1
18CSS24
22CPWD21
6CPED2
8CSPD2
4CLUD2
17CSS13
13CSS11
15CSS12
11CSS1
10CSS2
7DSW_R
9CSPD1
2CPFD2
19CSS14
12CSS21
14CSS22
16CSS23
21CPWD11
23CPWD12
5VNPD 26
11
D-GND 9
D-GND
2
18
5VN 21
5VNPD
5VNPD 23
19
D-GND 3
5VN 20
D-GND 1
D-GND
D-GND 5
5VNPD 22
D-GND 8
D-GND 6
5VN 24
D-GND 7
10
11
12
D-GND
1
2
3
D-GND 4
5VNPD
5VNPD
10
7
D-GND
6
3
4
5
D-GND
CPED2
CPFD2
CLUD2
CSPD1
5VN
2
8
9
D-GND
1
1
3
9
2
5VN3
1 D-GND
3
D-GND
5VNPD
1
2 CSPD2
D-GND
DSW_R
5VN
D-GND
3
2
1
D-GND
CPFD1
5VN
D-GND
6
8
7
5
4
12
4
9
1
D-GND
3
5
6
11
CPED1
5VNPD
CLUD12
10
9
5VNPD
5VN
3
CPFD22
1
2
3
D-GND
CPED1
5VNPD
1
2
D-GND
CPFD1
7
1CPFD1
3CLUD1
1
3
1CPFD1
85CPED15
3CLUD1
5CPED1
6
8
7
DRIVER
MAIN PWB
5VNPD
5
4
5VNPD
5VNPD 25
PCU
2
5VN3
D-GND1
DSW_R
5VNPD3
D-GND1
2CLUD2
1
2
3
D-GND
CLUD1
5VNPD
CN17
B7P-PH-K-S
PHNR-2-H
BU02P-TR-P-H
PHNR-2-H
BU02P-TR-P-H
PHNR-2-H
BU02P-TR-P-H
R
SM18P
P
B32B-PHDSS-B
CN9
B2P-PH-K-S
3
INT24V2
B3P-PH-K-S
B2P-PH-K-S
P-GND
8
/CLUM2
/CPUC1
6
/CLUM1
14
15
/CLUM2
16
9
24V3
12
24V3
11
/CPFC
10
2
CPFM_LD
8
24V38
5
7
/CPFC
7
P-GND
4
/CPFM_CK
/CPFM_D
5
3
/CPFM_CK3
4
/CPFM_D
4
5
CPFM_LD
9
/CPUC19
24V3
10
10
P-GND
/CLUM1
P-GND
14
15
15
16
7
P-GND
13
14
13
11
/CPUC2
24V3
2
1
2
1
/CPUC2
11
24V312
1
INT24V21
1
2
P-GND2
12
13
2
/CPUC1
24V3
/CPFC
1
2
24V3
1
1
2
2
/CPUC2
24V3
1
1
2
P-GND
/CLUM2
1
2
P-GND
/CLUM1
1
2
3
4
5
6
7
INT24V2
P-GND
FG-OUT
/CPFM_CK
/CPFM_D
CPFM_LD
5V
PCU PWB
AC PWB
S6P-PH-K-S
CSS2
CSS1
S6P-PH-K-S
D-GND2
CSS21
D-GND2
CSS113
CSS124
CSS135
CSS146
3
CSS246
CSS224
CSS235
D-GND 13
D-GND 14
D-GND 12
5VNPD 27
5VNPD 29
5VNPD 30
5VNPD 28
CSS12
CSS14
CSS11
CSS13
CSS22
CSS24
CSS21
CSS23
CPED1
1
2
4
CLUD1
CLUD2
CPFD1
DSW_R
CPFM
CPUC1
CPFC
CLUM1
CLUM2
CPUC2
CPFD2
CPED2
CSPD1
3
5
6
7
8
10
9
11
11
CSPD2

Table of Contents

Other manuals for Sharp MX-4501N

Related product manuals