EasyManua.ls Logo

Sharp MZ-5600 - Page 96

Sharp MZ-5600
143 pages
Print Icon
To Next Page IconTo Next Page
To Next Page IconTo Next Page
To Previous Page IconTo Previous Page
To Previous Page IconTo Previous Page
Loading...
A B c D E
F
G H
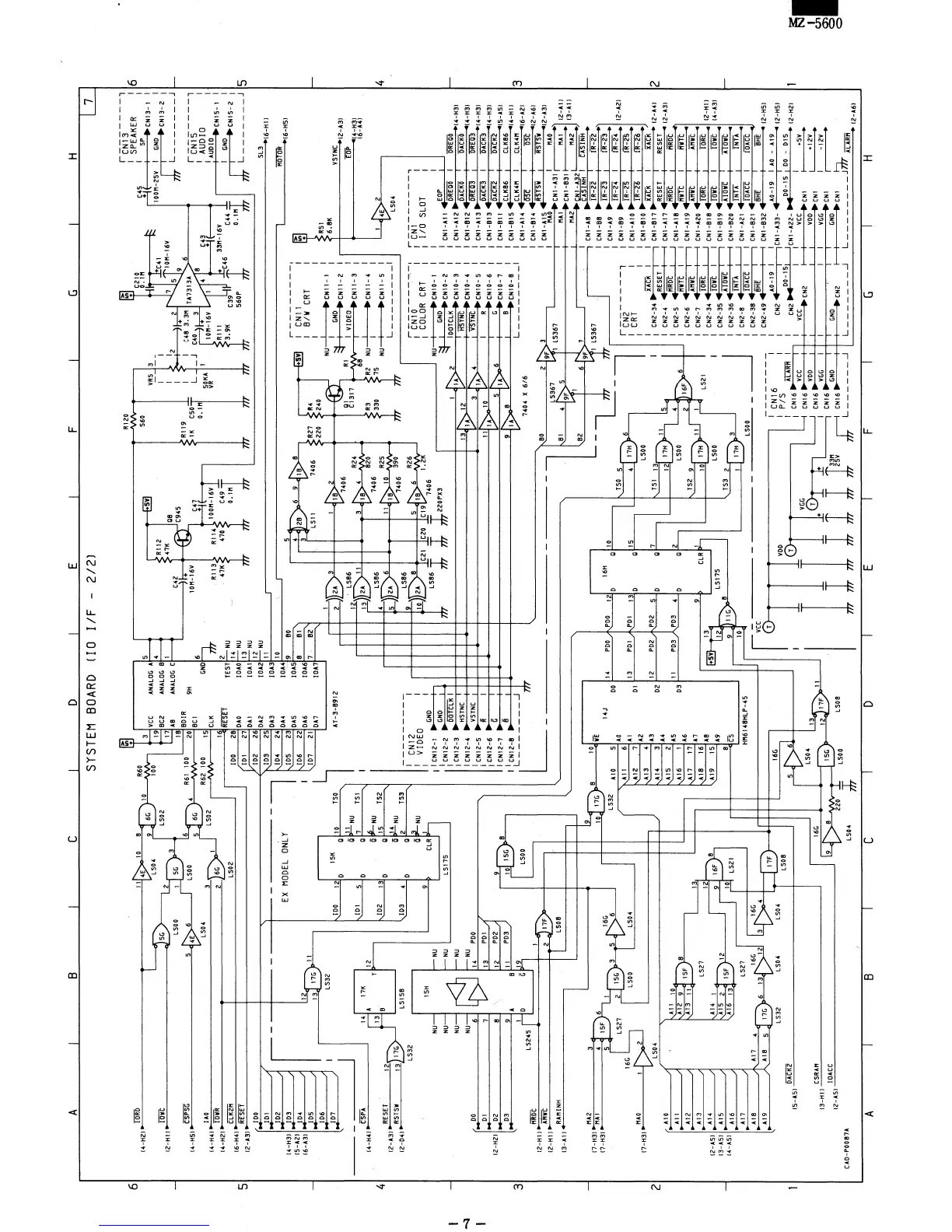
SYSTEM
BOARD
(ID
IIF
-
2/21
7
-t
I
6
~
RIZO
r~
i
cN13
----i
I
lORD
«
10
8 lfl
L~
cm
1
SPEAKER
1 6
14-H2J
~4E
9
6G
10
R60
,L§~VCC
ANAlOG"'f..---
~:
-ill
560
VRS
:3
ll~·ll1
i,'(
I
SPIIICN13_1
I
LSD4 100 T 19 " -
--
~+"
10011-2SV I
GNO
I
10\llC
5G
Z
lS02
t-.:...:.
Bez
ANALOG
Br-------
RIl2
I I
::::::C41
--~CNI3-2
I
12-1111
LSOO
1
se;
:3
fa
048
ANALOG
c~
C42 47K
~:45
:
12
z r" 5 1011-16V
.",.
L
_______
J
msG
5 6
LSOO
6
-4
R61100
20 BDIR
9H
+
\.!:toL-
R119 I I C48
3~3H
TA7313A 9 6
1-------1
14-H51
4E
5
6G
BCI 6
10H-16V
i'7
lK
~5~1
L
_J
F
C40
3 8 I
eNlS
I
lAO
LS04
R62
100 15
GNoh
:V!·
SOKA'
+
"C43
AUD
I 0
14-H4,IIOWR
:3
6G
1
LS02
eLK
1_
71T
R113
Rl14
10011-16V
VR
lOH-16V
1
T.
+ I AUDIO CHIS 1 :
14-H2)
CLKZI1
2 LS02 100
~:RE.SET
TEST~NU
47K 470
~~~i
~~~~
C391
:£+(C46
3311-16V
c44x
I
~I
GNO
CN15~2:
16-H41
~
DAO
IOAOrNU
5o50P
O.IM
L
15
RESET
(D(
27
"
'7
W
'7
' _______ J
12-A31 100
~
OAI
IOAI~NU
I,
n
I,
I.
14-H311~
:~:
~
- -
EX-
MODEL
ONLY
-I
~=~n::
:~::~NU
80
~
.;.
::::~:
15-A21 104 I
~
OA5
IOA5~
4
28
6 9 18 8
-m
I(N11-----;
r~l
16-A31 12 I
~
OA6
IOAo5~
3
~
- I 8/W
CRT
t
C}J
105 13
17G
11
_
I~OA1
IOA7~
LSII
7406
~~~
~:O
I t
106 t I LS32
r-L-'
NU~CNII-I
t
:5~K
107
~IOO
12
15K
10
TSO
AY-3-8912
2
'~2A
3 I
IB
:::=t
11
GNO.
1
1
'
VSYNC
I
1-0
Q
t---=-1
7406
~
..
CNII-2
12-A31
i;itt-LNU
12 ' LS86
gbl7
RI I VIDEO I
EOP
~
101
5 7 TSI
~
11
3 4
R24
CNII-3
I (4-H31
CSPA
14
l1K
~
0 Q I 13).
2A
18
68
~
I
16-HI
I4-H41 13 A Y
IZ
i;i~NU
...!..::!.I,
LSB6
7406
8Z0
~;O
~~
NU
I
CNII-4
I I
11:'>..
RESET
IZ
8
~D
gl5
TSZ
4.~
6
11
10
RZS
NU-+---------+CNII-S
I
~Z
(2-,'"
"TSW
13
17G
.!>'-iNU
~l
ZA
(·'40'
390
Z
m-
L ________ I
LS04
lZ-0411
LS32
~
~
0
~~NU
TS3
:(N12----:
~
Z~S8~
5 18 6
RZ6
I
iCN10-----;
iCN1------i
ISH 9 I I
VIDEO
I
tl!..1
C21
£ZO
CI9
l.ZK
I COlOR
CRT
I
,I/O
SLOT
I
NU-
-NU
CLRn
,ICNI2-1
~
LS86
T T T
7406
NU-+---------+CN10-1
I I I
NU-
~
-NU
~'
I
:CNIZ-Z
~
7i
7tT 7tT
TfrZZOPX3
1
I.'-....
~:
GNO"CNIO_Z
: :
CNI-AIl
.EOP
:
__
NU-
-NU
,CNIZ-3
~~~~~K
r--......
I
~
2
O~:~~:
CNIO-3
, I
CNI-AI2"~:~~:
I
~:~~:1(4-H31
00
NU-
-
NU
POO
I
CN12-4
VSYNC
13
VIA
lZ
r--....
VSYNC
CNIO-
4 I 1
CNI-8IZ
4DRrn I
D"R"E"ii3
1'4-H31
[
6 14
ICNI2-S
_ 3
11A
......
4
CN10-5
I 1
CNI-AI3"
I
II4-H31
01
7 13
POI
~
'CNI2-6
~
I
II~
10
V I R
CHIO-6
I 1
CNI-BI3
..
OACK3
I
OACK3
II4-H31
lZ-HZ1
oz
a 12 poz.I1
~a
:CNIZ-1
~
t;.r
5
~
6 G
CNIO-7:
:
CNI-BII
..
DACKZ:
OACK2
1(5-A5J
03
9 A
all
P03')
10
ISG
IICNIZ-8
8 9
~
8 V
,B
CNIO-8
I I
CNI-BI5
..
CLK86 1
ClK805
1{4-HII
t
-
19
I L
_______
J V L
________
I 1
..
CLK'"
1
Cl","
_ LS245 0 G
LSOO
7i
7404
X
6/6
I
CNI-AI4
m f ost
1'6-AZI
lZ-HIJ
MROC
- I )..,BO 2
t--...
_ 1
CNI-814
4
RSf5i
:
RSTSV
I'Z-A61
A"VC 2
JI7F
- - - -lR
-I9f'>L-.---,
I
CNI-AIS
4 I
1'2-A31
12-H1J I LS305i
IA"7
LS36i
MAO
CNI-A3!
~J
RAMINH
LS08 BI 4 5 - I'
MAl
f I'IAI 12-A1J
13-All
I
",
~
MAZ
CN1-B31~
13-A1I
9
BZ
6 9F 7
I.
~ZI
-CA-SI-NH,
MAZ
3
10
~
I
CNI-A8
..
I 1
17-H31
MAl
10.
17G
8
VE
.------
- I J. I LS367 t _
..
IR-22
I
JR-ZZ.
17-H31
~5
15f
6
~
15G
3 5
16G
6
I LS3Z
AIO
5
14J
DO
14
POO
POO
1Z0
16H
QD'O
~_
:
~::-::
..
~:~~::
~'I
lSZi
AO
TSO
5 l
I-~-----l
1
CNI-59
..
I !Z-A21
16G
LSOO
LS04
~
Al 13
POI
POI 13 15 4
17H
6 I
CNZ
I I
CNI-AIO"
IR-Z5:
IR-25
I
MAO
1 Z
~
AZ
01
0
Qhl
I
CRT
I I
..
IR-Z6
I
IR-26
17-H31 I'\.AI3 4
LSOO
I
XACK
I I
CNI-BIO
XACK
I
XACK
I
LS04
I~
A3
DZ
IZ
POZ POZ
5 0
QrL--
TSI 13 I I
CNZ-34"
j I
CNI-B17"
I
1'{Z-A41
AIO
~
A4
lZ
17H
11
5 I CNZ-4
..
RESET
I I
CNI-A17
..
RESET
I
RfSEl
I1Z-A31
All
1 0
~
A5
11
P03 P03 4 Z 4 I
(N2-5
..
"ROC
I I
CN
I-A
18
..
MROC
I
MROC
A
11
~
8
t------
~
03
~
0 Q
r--
LSOO
6 I
MVTC
I I
tiiTC
I
"VlC
A1Z
,A13
11]
15F
~
J'\..AI~
A6
TS2 9 Z
'6f
I CNZ-6 "AMWC I I
CNI-AI9
"AMVC I
AI1VC
1
AI3
LSZ7 3
L---..t---
1
~
Ai
9
CLR
J'
1-;] 17H
11
I I
CNZ-7"
I I
CNI-A20
4 1 1
AI4
12
~
Aa
I
~3
LS21
r CNZ-34
..
IORC
1 I
CNI-BI8
..
IORC
I
IORC
11
lZ-HIJ
lZ-
A51
1
AI4
I r 9
16f
8
~
A9
5V Z
~
LSOO
I I
..
IOWC
I I
..
IOVC
I IOVC 14-A3J
!3-A51
AI5
~
15f
IZ
I 8 1 8
TS3
~
I
CN2-35
AIOVC I I
CNI-819
AIOVC I
AIOVC'
14-A51
AI6
"A16
1;31
10
LSZI
cs
9
IIG
ZJ
3 I
CNZ-36"
I I
CNI-620
..
I I
J
loT I
17H
I
..
INTA I I
41NTA
1
INlA
A17 LSZ7 HM6148HLP-45
~
lSOO r CNZ-8
iOACC
I I
CNI-AZI
10ACC
I
JOACC
I
AI8 AI7
4
16G,
t.3_~G
I ,vec - - - I CNZ-38
"BHE
I I
CNI-6Z1
4BHE
I
6HE
.v
AI9 AI8
5
17G
6 13 Z
~
411
17f).
CV
,------1
: CNZ-49
"AO-19:
i
CNI-63Z
"AO-19
:
AO
_
AI9
1!2-H51
LS3Z
LSO'
LS04
~
I (6G I I I
VDD
L11
C
p
N
S
16
I I
CNZ"
I
ICN1-A33-"
I I lZ-H51
--
Lsoa
~
r.\
/
--
DO-IS,
I
00-15
I
DO
-
015
I
-A
J
OACK2
5 6
\.2.11
I
~'
CNI6
~
I
CNZ....
CNI-AZZ-....
lZ-HZl
5 5 I 1 :
:.
vcc
~
vcc
I
VCC
I
-t5V
LS04
~3
I I
~VGG
CNI6
VOO
CNZ
I VDO"
CNI
~
CSRAM
I
16G
11
T
CN16
CN!
~
13-Hl1
IOACC
~
8 J
15G
IZ
17f
r r
1+
r 1+3311 I
CN16
~~~
GNO
~~~
CNI
~
12-A51 V
zzo::!::
LSOO
LS08
Z5V
r-:
CNI6
CNZ
I I
..
CNI
t--,
LSO<
&
Tfr
L
______
J L
_______
J L
________
J77T
Ai:ARM
(2-'"
5
4
3
2
CAO-P0087A
~I
o
4
3
2
A
B
c
D E
F
G
H

Other manuals for Sharp MZ-5600

Related product manuals