EasyManua.ls Logo

Sharp R-231F - Wiring Diagram

Sharp R-231F
32 pages
Print Icon
To Next Page IconTo Next Page
To Next Page IconTo Next Page
To Previous Page IconTo Previous Page
To Previous Page IconTo Previous Page
Loading...
R-231F
24
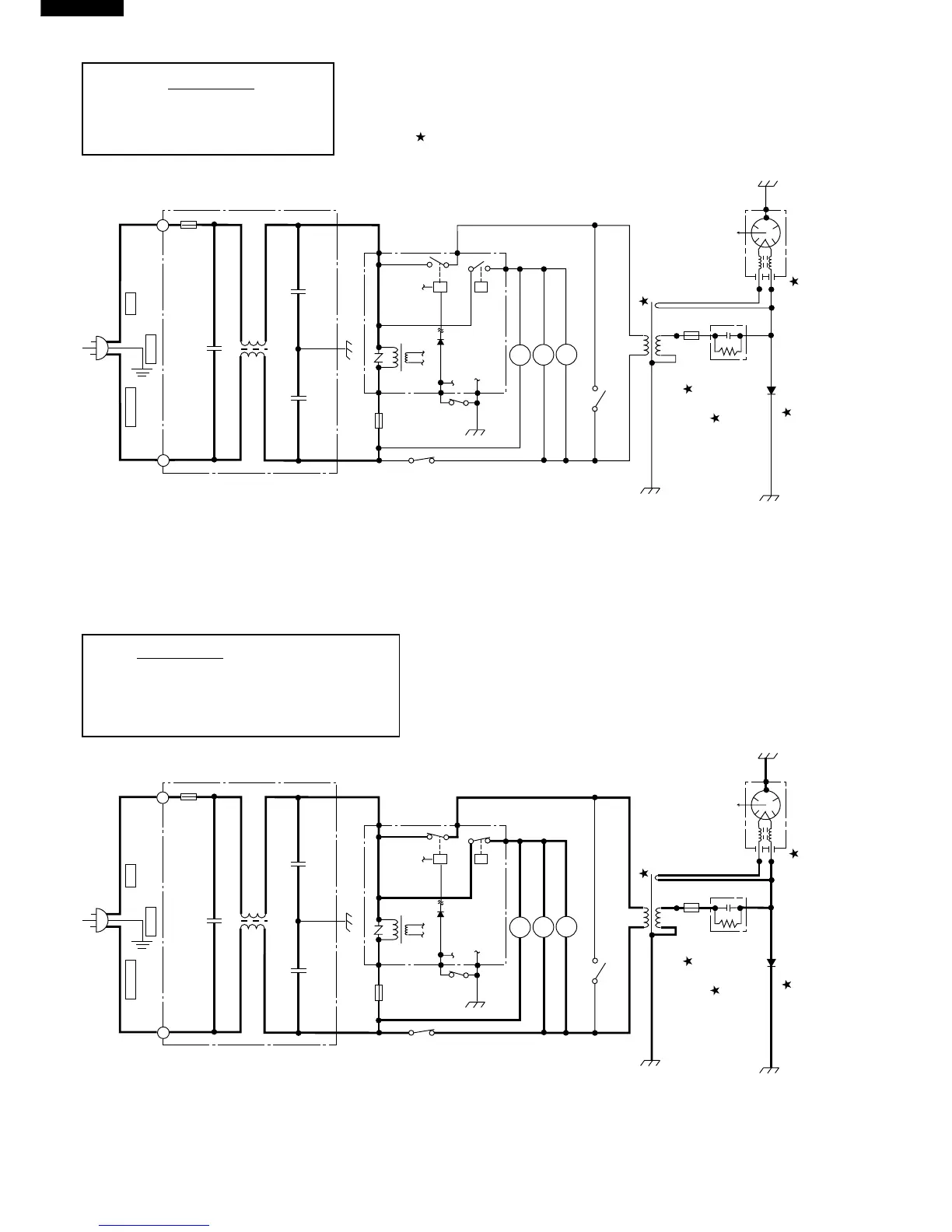
SCHEMATIC
NOTE: CONDITION OF OVEN
1. DOOR CLOSED.
2. COOKING TIME PROGRAMMED.
3. START KEY TOUCHED.
SCHEMATIC
NOTE: CONDITION OF OVEN
1. DOOR CLOSED.
2. CLOCK APPEARS ON DISPLAY.
NOTE: " " indicates components with potential above 250V.
Figure O-1 Oven Schematic-OFF Condition
Figure O-2 Oven Schematic-ON Condition
POWER TRANSFORMER
MAGNETRON
H.V. RECTIFIER
TURNTABLE MOTOR
FAN MOTOR
OVEN LAMP
MONITOR SWITCH
CONTROL
UNIT
1ST. LATCH
SWITCH
2ND. INTERLOCK
RELAY CONTROL
SWITCH
B1
B2A3
OL
FM
TTM
COM.
RY-1
N.O.
A1
RY-2
2ND.
INTERLOCK
RELAY
EARTH
230 - 240V
˜
50Hz
BLU
BRN
LIVENEUTRAL
G-Y
FUSE
T6.3A
N
L
LINE CROSS CAPACITOR
0.068µ/AC250V
NOISE SUPPRESSION COIL
LINE BYPASS
CAPACITOR
0.0022µ/AC250V
LINE BYPASS
CAPACITOR
0.0022µ/AC250V
NOISE FILTER
H.V. FUSE
0.6A
CAPACITOR
0.91µF
AC2100V
TEMPERATURE
FUSE
120˚C (OVEN)
POWER TRANSFORMER
MAGNETRON
H.V. RECTIFIER
TURNTABLE MOTOR
FAN MOTOR
OVEN LAMP
MONITOR SWITCH
CONTROL
UNIT
1ST. LATCH
SWITCH
2ND. INTERLOCK
RELAY CONTROL
SWITCH
B1
B2A3
OL
FM
TTM
COM.
RY-1
N.O.
A1
RY-2
2ND.
INTERLOCK
RELAY
H.V. FUSE
0.6A
EARTH
230 - 240V
˜
50Hz
BLU
BRN
LIVENEUTRAL
G-Y
FUSE
T6.3A
N
L
LINE CROSS CAPACITOR
0.068µ/AC250V
NOISE SUPPRESSION COIL
LINE BYPASS
CAPACITOR
0.0022µ/AC250V
LINE BYPASS
CAPACITOR
0.0022µ/AC250V
NOISE FILTER
CAPACITOR
0.91µF
AC2100V
TEMPERATURE
FUSE
120˚C (OVEN)

Other manuals for Sharp R-231F

Related product manuals