EasyManua.ls Logo

Sharp R-55TS - Page 10

Sharp R-55TS
44 pages
Print Icon
To Next Page IconTo Next Page
To Next Page IconTo Next Page
To Previous Page IconTo Previous Page
To Previous Page IconTo Previous Page
Loading...
8
R-55TS
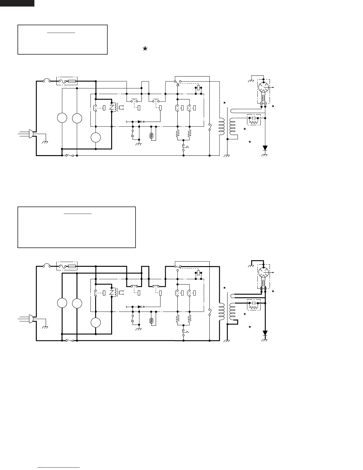
Figure O-1. Oven Schematic-Off Condition
SCHEMATIC
NOTE: CONDITION OF OVEN
1. DOOR CLOSED
2. CLOCK APPEARS ON DISPLAY
SCHEMATIC
NOTE: CONDITION OF OVEN
1. DOOR CLOSED
2. COOKING TIME PROGRAMMED
3. VARIABLE COOKING CONTROL "P100" (100%)
4. "START" PAD TOUCHED
Figure O-2. Oven Schematic-Microwave Cooking Condition
NOTE: " " indicates components with potential above 250V.
120V AC
60 Hz
OVEN LAMP
FAN MOTOR
TURNTABLE MOTOR
POWER
TRANSFORMER
MONITOR SWITCH
RECTIFIER
MAGNETRON
SECONDARY
INTERLOCK
SWITCH
TTM
OL
FM
C/T FUSE
THERMAL
CUT-OUT
N.O. N.O.
N.O.
N.O.
N.C.
C1
COM. COM.
COM.
COM.
DOOR
SENSING
SWITCH
THREMISTOR
OVEN
THERMOSTAT
UPPER
HEAER
LOWER
HEAER
RY5
RY1 RY3
CONTROL
UNIT
PRIMARY
INTERLOCK
RELAY
GRN
C2
CAPACITOR
0.82µF
AC 2100V
E3
A7
A1 A5
B3
B1
B5
RY4
RY2
B2
SELECT
RELAY
120V AC
60 Hz
OVEN LAMP
FAN MOTOR
TURNTABLE MOTOR
POWER
TRANSFORMER
MONITOR SWITCH
RECTIFIER
MAGNETRON
SECONDARY
INTERLOCK
SWITCH
TTM
OL
FM
C/T FUSE
THERMAL
CUT-OUT
N.O. N.O.
N.O.
N.O.
N.C.
C1
COM. COM.
COM.
COM.
DOOR
SENSING
SWITCH
THREMISTOR
OVEN
THERMOSTAT
UPPER
HEAER
LOWER
HEAER
RY5
RY1 RY3
CONTROL
UNIT
PRIMARY
INTERLOCK
RELAY
GRN
C2
CAPACITOR
0.82µF
AC 2100V
E3
A7
A1 A5
B3
B1 B2
B5
RY4
RY2
SELECT
RELAY

Related product manuals