EasyManua.ls Logo

Sharp SD-AT1000H - Page 16

Sharp SD-AT1000H
72 pages
Print Icon
To Next Page IconTo Next Page
To Next Page IconTo Next Page
To Previous Page IconTo Previous Page
To Previous Page IconTo Previous Page
Loading...
SD-AT1000H
– 16 –
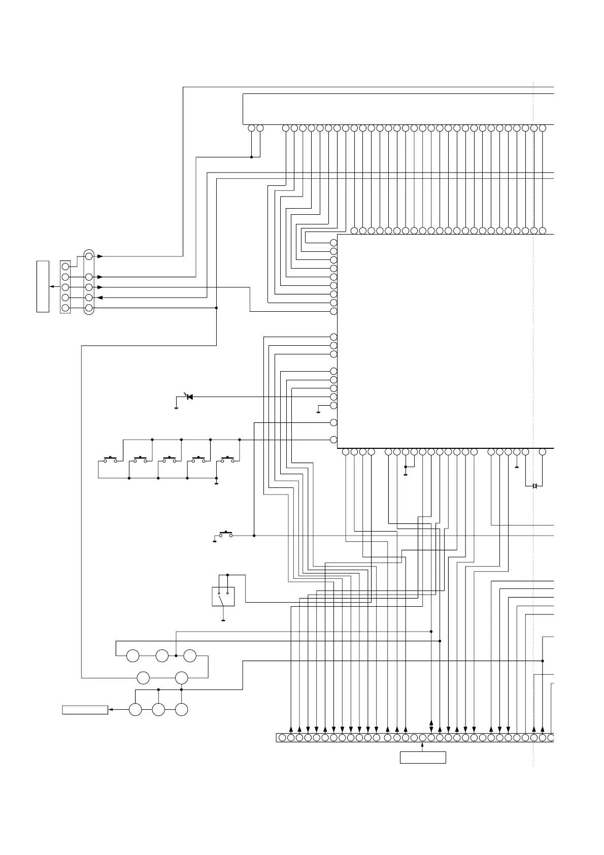
Figure 16 BLOCK DIAGRAM (5/10)
IX0558AW (SERIAL NO. TO 30400813)
IX0600AW (SERIAL NO. 30500814~30501208)
IX0610AW (SERIAL NO. 30601209~)
100
98
97
96
95
94
93
92
91
90
89
88
87
86
85
84
83
82
81
12 56789101112 2322212019181716151413 3433323130292827262524 35
80 79 78 77 76 75 74 73 72 71 70 60616263646566676869 5859
1234 6789 1516 232221201918
POWER_LEVEL1
1G
2G
3G
4G
5G
6G
7G
8G
9G
10G
11G
12G
F1
F1
13G
P1
P2
P3
P4
P5
P6
P7
P8
P9
P10
P11
P12
P13
P14
P15
P16
14G
15G
VSS
CCB DI
CCB CL
RESET
CCB_DO
CCB_CE
POWER_LEVEL2
OFF_SET
A/D_RESET
FAN_LOCK
JOG
PROTECT
+B_CHECK
TIMER LED
GND
S_MUTE
S_S_MUTE
C_S_MUTE
F_S_MUTE
W_S_MUTE
L_MUTE
SEG8
SEG16
SEG15
SEG14
SEG13
SEG12
SEG11
SEG10
SEG9
SEG7
SEG6
SEG5
SEG4
SEG3
SEG2
SEG1
DIG15
DIG14
DIG7
DIG8
DIG6
DIG5
DIG4
DIG3
DIG2
DIG1
DIG9
KEY1
VEE
DIG10
DIG11
DIG12
DIG13
VREF
X_IN
X_OUT
VF1
3
1
4
5
6
2
1
3
4
5
SP_RELAY
–VP FOR FL
VF2
AC_RELAY
P_CONT_LEVEL
9V
H.P_SW
CONFIG
CCB_CL
CCB_DO
CCB_CE
OFF_SET PROTECT
A/D_RESET
+B_CHECK
PROTECT
VOL_CL
VOL_DA
D_GND
SW 5V
BASS_SW
14151617181920 13 12 11 10 7 2485639
CCB_DI
27 26 25 24 23 22 21
L_MUTE
W_S_MUTE
F_S_MUTE
C_S_MUTE
S_S_MUTE
FAN_LOCK
S_MUTE
CNP901
TO POWER SECTION
CNP501
TO MAIN SECTION
TO POWER SECTION
OFFSET
AMP.
OFFSET
AMP.
OFFSET
AMP.
SP RELAY
BUFFER
SP RELAY
BUFFER
PROTECT
DRIVER
OFFSET
LATCH
OFFSET
LATCH
10 11 12 13 14
RDS DO
RDS RST
RDS CLK
RDS RDY
TUNER_SM
33 32 31 30 29 28
TUNER_SM
RDS_RDY
RDS_CLK
RDS_RST
RDS_DO
SYSTEM MICROCOMPUTER
BI701
CNS701
FL701
FL DISPLAY
XL701
4.19 MHz
LED701
JOG701
JOG VOLUME
SW706
POWER
QS01 QS02
QS08QS07QS06
QS03QS04QS05
IC701
SW705
TUNING
DOWN
SW704
TUNING UP
SW703
TUNER
(BAND)
SW702
LINE
SW701
DIGITAL

Related product manuals