EasyManua.ls Logo

Sharp SD-AT1000H - Page 17

Sharp SD-AT1000H
72 pages
Print Icon
To Next Page IconTo Next Page
To Next Page IconTo Next Page
To Previous Page IconTo Previous Page
To Previous Page IconTo Previous Page
Loading...
– 17 –
SD-AT1000H
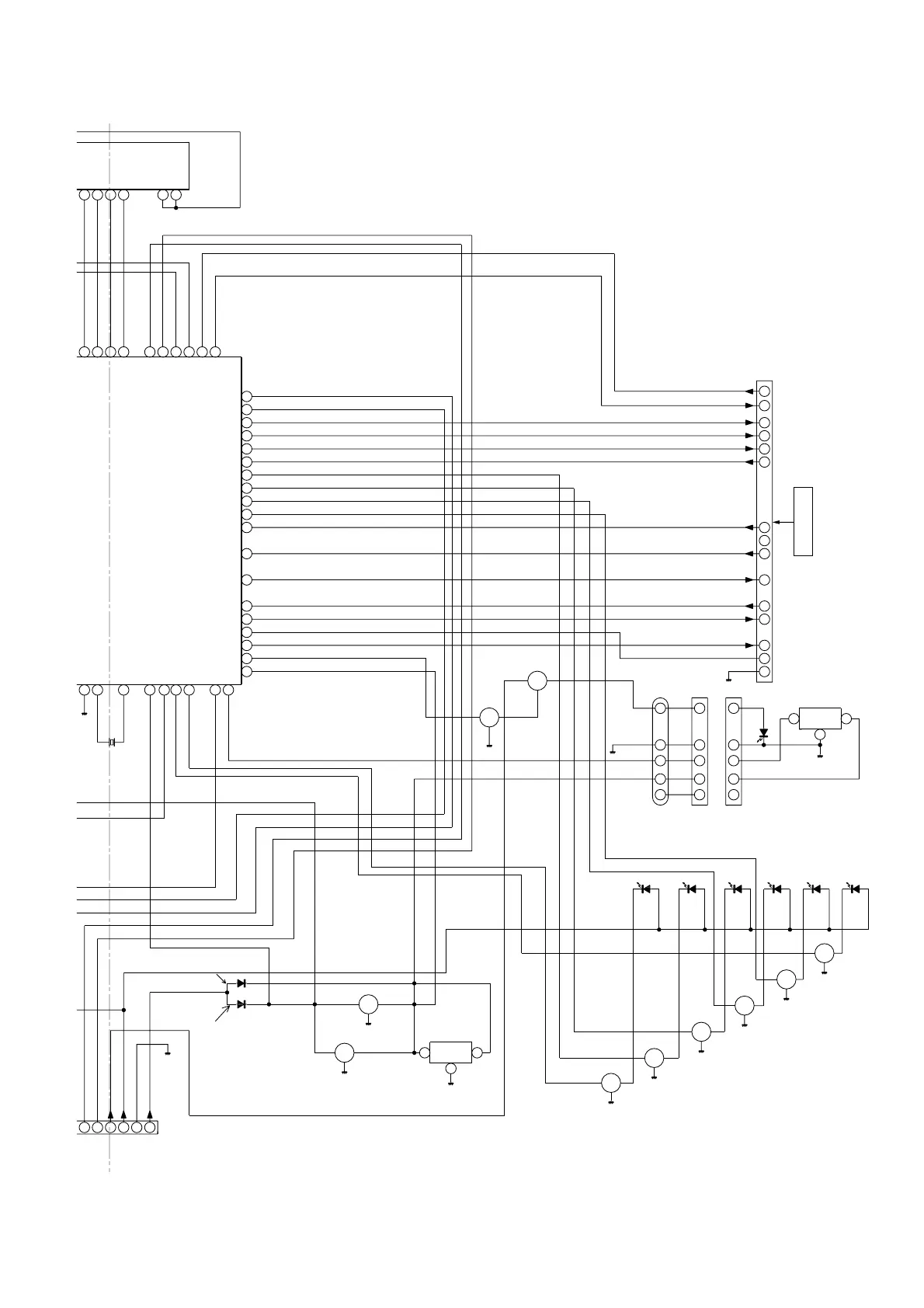
Figure 17 BLOCK DIAGRAM (6/10)
0
813)
4
~30501208)
9
~)
50
49
48
47
46
45
44
43
42
41
40
38
37
36
35
34
33
32
31
PST9140
21
GP1UM271
21
3
343332 393835
6061 5152535455565859
232221 302927262524
3
+5V(UNSWD)
+5V(BACK UP)
BASS SW
CONFIG
RX-IN
F2
F1
P13
P14
P15
P16
DIG FUNC
DPL_LED
DD_LED
POWER_KEY
VSS
VCC
DIMMER
DSP_INTREQ
DSP_CS
DSP_SCCLK
DSP_SCDIN
DSP_SCDOUT
DSP_RESET
OVF
STD_LED
DTS_LED
SURR_LED
STEREO_LED
COD_DO
COD_CLK
COD_DI
COD_CSN
VOL_DA
VOL_CL
AC RLY
SP_RLY
NONPCM
SEG16
SEG15
SEG14
SEG13
SYS_STOP
X_IN
X_OUT
4
2
1
1
2
4
1
3
5
3
6
5
5
4
3
GND
DSP_SCCLK
COD_CSN
COD_CLK
DSP_RESET
DSP_CS
DSP_SCDIN
DSP_SCDOUT
DSP_INTERQ
OVF
COD_DO
COD_DI
DIG_FUNC_+B
NON_PCM
15
14
13
10
9
8
7
6
5
4
3
2
1
11
12
9V
CONFIG
D_GND
UN_SW 5.6V
SW 5V
BASS_SW
245613
CNP502
TO MAIN SECTION
RESET
RESET
LED
DRIVER
LED
DRIVER
LED
DRIVER
LED
DRIVER
LED
DRIVER
LED
DRIVER
LED
DRIVER
LED
DRIVER
E
R
XL701
4.19 MHz
LED706
LED705
LED704
LED703
LED708
LED707
RX701
LED702
BI702
CNS702
CNP705
D702
D701
Q701
Q703
Q704
Q705
Q706
Q707
Q708
Q709
Q710
Q702
IC703
RESET
CNP702
CNP701
REMOTE SENSOR

Related product manuals