EasyManua.ls Logo

Sharp SD-AT1000H - Page 30

Sharp SD-AT1000H
72 pages
Print Icon
To Next Page IconTo Next Page
To Next Page IconTo Next Page
To Previous Page IconTo Previous Page
To Previous Page IconTo Previous Page
Loading...
SD-AT1000H
– 30 –
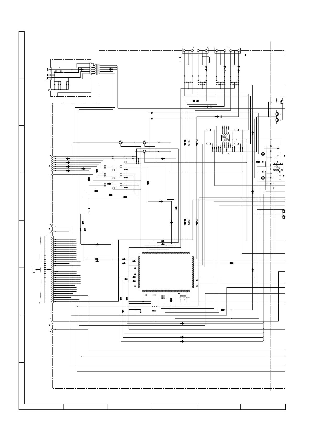
Figure 30 SCHEMATIC DIAGRAM (1/11)
A
B
C
D
E
F
G
H
1
23456
• NOTES ON SCHEMATIC DIAGRAM can be found on page 11.
+12V
–12V
+12V
A_+9V
A_+9V
KTC2875
KTC287
80
79
78
77
76
75
74
73
72
71
70
69
68
67
66
65
40
39
38
37
36
35
34
33
32
31
30
29
28
27
26
25
1K
1K
2.2/50
R509
2.2/50
1.8K
KRA107 S
100K
KRA107 S
100K
KRC107 S
0.015
0.015
1K
2.2/50
2.2/50
2.2/50
2.2/50
2.2/50
220
220
220
220
0.015
0.015100K
100K
100K
100K
0.015
0.015
100K
100K
0.015
0.015
220
2.2/50
220
2.2/50
100K
100K
DS1SS133
0.001
DS1SS133
10K
100K
KTC2875 B
KTC2875 B
2.2K
2.2K
2S
180
100
100
47/16
10/16
180
TJM4558CD
1K
15K
22K
15K
100K
1K
10/16
100K
100P(CH)
100P(CH)
0.1
47/16
100P(CH)
100P
(CH)
10/16
10/16
100K
0.1
22K
100K
150
10/16
NJM4565M
100K
100K
33P
(CH)
82K
100/1
33P
(CH)
82K
100/1
220/16
0.022
0.022
150
10/16
15K
10K
220/16
10K
15K
DS1SS133
DS1SS133
100P(CH)
100P
(CH)
18K
18K
47P
(CH) (CH)
47P
1/50
1/50
18K
18K
0.001
6.8K
0.001
6.8K
18K
18K
0.001
0.001
1/50
1/50
6.8K
6.8K
6.8K
0.001
6.8K
0.001
18K
18K
1/50
1/50
0.022
47/16
47/16
0.022
10/16
10/16
10/16
10/16
1K
1K
4.7K
4.7K
0.0047
0.0047
10/16
10/16
5678
4321
432 1
56 78
24 23 22 21 20 19 18 17
89
10111213141516
1234567
48 49 50 51 52 53 54 55 56 57 58 59 60 61 62 63 6441 42 43 44 45 46 47
2SK208
2SK208
0.022
0.022
68
68
2.2 µH
MA111
MA111
MA111
MA111
0.001
P_CONT_LEVEL
LINE3_LCH
LINE3_RCH
LINE1_RCH
LINE2_RCH
LINE2_LCH
LINE1_LCH
OUT_L
CONFIG
A_GND
A_GND
+B_CHECK
UCON5V
RIN
LIN
LOUT2
ROUT2
LOUT1
ROUT1
ROUT3
LOUT3
H.P_SW
CONFIG
CCB_DI
CCB_CL
CCB_DO
CCB_CE
FUN_LOCK
BASS_SW
VOL_CL
VOL_DA
OFFSET PROTECT
A/D_RESET
S_MUTE
S_S_MUTE
C_S_MUTE
F_S_MUTE
W_S_MUTE
L_MUTE
OUTSR_RCH
OUTC
OUTSW
OUTSR_LCH
S_MUTE
MON_OUTR
MON_OUTL
OUT_R
VOL_CL
VOL_DA
TUN_L
TUN_R
PROTECT
PROTECT
9V
LINE1 OUT
D_+5V
L_M
SW
LINE 2
LINE 1 IN
LINE 3
R-CH
L-CH
L-CH
R-CH
R-CH
L-CH
L-CH
R-CH
CENTER
GND(U-COM)
GOUTC
AGND2
VINSW
GOUTSW
AGND1
IN DSPSL
INDSPC
IN DSPSW
OUTSL
OUTSR
VINSL
VINC
OUTSW
OUTC
VINSR
IN2DSP
OUT1(+)
IN DVDSR
VCC
DA
GOUTSR
IN1MIX
OUT2(–)
CL
MUTE
OUT2(+)
INDVD SW
AGND5
AGND6
VEE
AGND4
DGND
OUT1(–)
IN1DSP
INDVDC
IN DVDSL
IN82
AGND8
IN81
IN72
IN71
IN62
OUT2
BBNF1
OUT1
BNF22
BBNF2
IN61
IN52
IN51
BNF12
BNF21
BNF11
IN41
IN42
TNF1
IN32
IN21
GOUT1
AGND9
IN12
IN11
VIN2
GOUT2
ROUT32
ROUT31
AGND10
ROUT11
ROUT22
ROUT21
ROUT12
GOUTSL
AGND3
AGND7
TNF2
VIN1
IN22
IN DSPSR
IN2MIX
IN31
14
16
15
17
18
20
13
19
21
22
12
11
10
7
23
8
9
24
6
4
5
3
2
1
25
26
27
R_CH
L_CH
H.P SW
D_GND
A_GND
PROTECT
D_+5V
D_GND
HEADPHONES PWB-A3
L-CH
H.P SW
A_GND
R-CH
LUG3
1
3
4
5
6
1
2
3
4
5
1
2
3
4
5
DGND
A_+9V
VDD
VSS
+
+
+
VDD
+
VSS
1
32
23
23
1
1
3
4
5
6
7
8
9
10
12
13
2
11
1
1
33
CNP701
P34 5 - H
TO DISPLAY PWB
P32 1 - D, E
TO DSP SECTION
P32 1 - D, E
TO DSP SECTION
P32 1 - D, E
TO DSP SECTION
+B
+B
+B
+B
+B
+B
+B
+B
+B
+B
+B
+B
+B
+B
+B +B
+B
+B
+B
+B
+B
-B
-B
-B
-B
-B
-B
-B
-B
100P
0.001
0.022
TUNER_SM
RDS_RDY
RDS_CLK
RDS_RST
RDS_DO
33
32
31
30
29
28
CONFIG
DRIVER
CONFIG
L_CH
CONFIG
R_CH
GAIN SWITCH
L_CH
GAIN SWITCH
R_CH
L-
BU
L-M
L
L-MUTING
R_CH
S-MUTE
L_CH
S-MUT
R_CH
BI601
CNS601
C15
C14
R14
R15
L01
D5
D4
D3
D2
C16
JT501
LINE1 INPUT/
OUTPUT TERMINAL
R535
R536
C662 C661
R640
C658
R639
C657
R642 R641
C655
C656
C652
C651
R637R638
C653
R635
C654
R636
JT502
LINE2/LINE3
INPUT TERMINAL
R634
R633
C647
C648
C646
C645
R632
R631
R566
R565
Q531
Q532
R564
R563
Q5
D502
D501
Q502
R648
Q501
R649
Q528
R683
R672
R671
C679
IC520
OPE AMP.
R680
R677
R676
R678
R674
R679
C678
R682
C676
C674
C682
C680
C675
C673
C671
C672
R681
C681
R675
R673
R684
C677
R627
C637
R587
C63
C665
C641
R669
R585
Q504
C633
IC505
R584
R583
C638
R588
C64
C642
C634
C666
R586
R670
Q503
C525
1.8K
C526
R510
C513
C512
C530
C529
R516
R515
R518
R517
C536
C535
R514
R513
C534
C533
R511
C527
R512
C528
R508 R507
R383
C383
Q599
Q598
CNP501
IC501
BD3811K1
VOLUME IC
C502
C503
C501
D538
C183
D537
C663
C664
C507
C506
C505
C508
C504
R500
R501
R504
C517
C518
R505
C519
C520
C521
C522
R561
R562
CNP601
C531
C532
R520
R519
C538
R521
R522
C537
R626
C524
C523
JK1
HEADPHONES
FFC701
C517~C520: 0.082
C173
C187
C171

Related product manuals