EasyManua.ls Logo

Sharp SD-AT1000H - Page 31

Sharp SD-AT1000H
72 pages
Print Icon
To Next Page IconTo Next Page
To Next Page IconTo Next Page
To Previous Page IconTo Previous Page
To Previous Page IconTo Previous Page
Loading...
– 31 –
SD-AT1000H
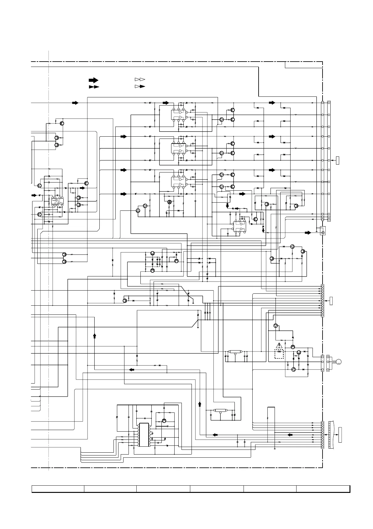
Figure 31 SCHEMATIC DIAGRAM (2/11)
7
8 9 10 11 12
+12V
–15V(A)
+12V(A)
–12V(A)
D_+5V
+12V
D_+5V
M_+12V
+15V(A)
A_–8.2V
A_+8.2V
KTC2875 B
KTC2875 B
2.2K
2.2K
DZ6.2BSC
DZ6.2BSC
DZ6.2BSC
DZ6.2BSC
DZ6.2BSC
DZ6.2BSC
DZ6.2BSC
DZ6.2BSC
DZ6.2BSC
DZ6.2BSC
DZ6.2BSC
DZ6.2BSC
1K
8.2K
8.2K
8.2K
8.2K
8.2K
8.2K
150
150
47/16
47/16
DZ8.2BSC
DZ8.2BSC
2.7K
10K
220K
2SD601 AR
120
470
100/10
2SD601 AR
2.7K
220K
10K
100/10
470
150
10K
KRC104 S
23
1
1
2
3
DS1SS133
10K 0.01
0.01
1K
DS1SS133
1/50
0.022
KIA7805AP
VOLTAGE
REGULATOR
31
0.047
22/16
10K
100K
KTC2875 B
KTC2875 B
2.2K
2.2K
2SB709 AR
47(1/2W)
1K
47/25
C450
47/25
DS1SS133
10K
47K
2SD601 AR
DS1SS133
2SD601 AR
DS1SS133
KRA106 S
33K
47K
33K
470K
100P
(CH)
22/16
0.01
2SD601 AR
2.2K
15K
0.022
3.3K22K
68K
TJM4558CD
OPE AMP.
8
4
0.022
100K
27K
10/16
100/16
KIA7809AP
VOLTAGE
REGULATOR
31
4.7
Posistor
2.2K
22/16
100K
2SD601 AR
DZ7.5BSB
1K
R405
220
2SB709 AR
10/16
2SC5565
DS1SS133
47/16
0.022
CPH3418
100K
100K
4.7K
3.3/50
10/16
33P
(CH)
22K
3.3K
3.3K
3.9K
10/16
3.3K
33P
(CH)
1.5K
3.3K
4.7K
TJM4558CD
OPE AMP.
8
4
4.7K
6.8K
22K
4.7K
3.3K
22K
100K
TJM4558CD
OPE AMP.
8
4
100/16
4.7K
2SD601 AR
10/16
5.6K
0.022
2SD601 AR
22K
100K
10/16
2SD601 AR
3.3K
TJM4558CD
OPE AMP.
8
4
3.9K
2.2K
3.9K
1M
KRA107 S
0.022
2SD601 AR
22/16
2SD601 AR
3.9K
DS1SS133
3.9K
10/16
1K
10/16
2.2K
22K
3.3K
3.3K
2SD601 AR
0.022
0.022
10/16
1.5K
33P
(CH)
3.3K
100K
0.022
18K
KRA107 S
KRA107 S
3.9K
0.1
3.3K
33P
(CH)
KRC102 S
10/16
820
100K
KRA107 S
1.5K
0.001
10/16
22K
10K
3.3K
10/16
3.3K
3.3K
KRA107 S
33P
(CH)
3.3K
3.3K
0.047
0.022
1/50
DS1SS133
47K
47K
470K
2SD601 AR
0.022
0.022
100/16
100/16
33
10
47(1/2W)
0.001
DS1SS133
DS1SS133
1K
DS1SS133
1K
DS1SS133
DS1SS133
1K
100/16
47/16
47/16
KTA1273 Y
47K
DS1SS133
47K
2SD601 AR
470K
5.6K
DZ8.2BSA
47K
22/16
100/16
0.022
KTC4375 Y
5.6K
47K
0.022
22/16
100/16
DZ8.2BSA
150
10/16
NJM4565M
100K
100K
33P
(CH)
82K
100/16
33P
(CH)
82K
100K
100/16
82
10K
82
82
KTC2875 B
82
KTC2875 B
100K
2.2K
220/16
0.022
0.022
150
100K
2.2K
2SB709 AR
10/16
15K
10K
220/16
10K
15K
CNP506
432 1
56 78
321
6
7
5
321
5
6
7
765
32 1
2
2SK208
2SK208
2
321
5
6
7
FAN_LOCK
P_CONT_LEVEL
+B_CHECK
PROTECT
UCON_+5V
FAN_CONT
WOOFER_OUT
_
GND
TUN_R
TUN_L
A_GND
A_GND
+-15V_AGND
DGND
L_MUTE
A_+7V
A_–7V
D_+5V
U
TSR_RCH
U
TC
U
TSW
U
TSR_LCH
OFFSET PROTECT
A/D_RESET
PROTECT
W_S_MUTE
FRONT_LCH
R_CH
L_CH
F_S_MUTE
BASS_SW
OUTSR_LCH
OUTSR_RCH
OUTC
FRONT_RCH
OUTSW
C_S_MUTE
S_S_MUTE
CCB_DO
CCB_CL
CCB_DI
CCB_CE
–12V
A_–7V
LIMIT
D2_GND
GND
D_+5V
SUBWOOFER
OUT
M_+12V
M
PROTECT
TO TUNER UNIT
A_–12V
A_GND
A_+12V
L_MUTE
F_S_MUTE
D
S
G
(1/2W)
(1/2W)
GND
UCON_GND
GND_A
M_GND
A+15V
A-15V
GND(U-COM)
+15V(A)
CE
DO
GND
L OUT
VCC +9V
DI
CL
R OUT
FM VSM
FM DET
9
13
12
11
10
8
7
6
3
4
1
2
5
1
2
2
4
7
5
1
9
3
11
6
8
10
SURROUND
GND
SURROUND R-CH
SURROUND L-CH
FRONT L-CH
CENTER
FRONT R-CH
GND
FRONT GND
SUB
WOOFER
12
6
10
11
1
8
4
9
5
7
3
2
12
6
10
11
1
8
4
9
5
7
3
2
3
1
2
3
VSS
+
+
VDD
+
+
VSS
VDD
VDD
VSS
+
+
+
VSS
VDD
+
+
VDD
+
VSS
22/16
CNS931
P37 8 - A
FROM POWER PWB
CNA100
P39 8 - A
FROM POWER PWB
1
1
23
23
1
23
1
23
1
23
1
2
3
1
23
MAIN PWB-A1 (1/2)
1
11
+B
+B +B
+B
+B
+B
+B
+B
+B
+B
+B
+B
+B
+B
+B
+B
+B
+B
+B+B
+B
+B
+B
+B
+B
+B
+B
+B
+B
+B
+B
+B
+B
+B
+B
+B
-B
-B
-B
-B
-B
-B
-B
-B
-B
-B
0.022
47/25
LC72723M
RDS DECODER
16
15
14
13
12
11
10
9
8
7
6
5
4
3
2
1
0.022
2.2 µH
47/25
1K
0.022
KTC2875 B
1K
56K
56K
0.022
560P
10K
2.2 µH
22P
47/25
1K
0.022
22P
4.332 MHz
10K
1K
220K
68K
0.001
0.001
TUNER_SM
RDS_RDY
RDS_CLK
RDS_RST
RDS_DO
TUNER_SM
XOUT
TEST
CIN
FLOUT
VSSA
VDDA
MPXIN
XIN
READY
RDS-ID/
RDCL
RDDA
RST
MODE
VDDD
VSSd
VREF
GAIN SWITCH
L_CH
GAIN
SWITCH
R_CH
L-MUTE
BUFFER
L-MUTING
L_CH
L-MUTING
R_CH
MUTING
MUTING
L_CH
MUTING
R_CH
S-MUTE
L_CH
S-MUTE
R_CH
PROTECT
DRIVER
VOLTAGE
DRIVER
VOLTAGE
DRIVER
PROTECT
DRIVER
Q428, Q429, Q459: BASS_SW DRIVER
BUFFER
MUTE
DRIVER
MUTE
DRIVER
BUFFER
MUTE
DRIVER
MUTE
DRIVER
BUFFER
BUFFER
MUTE
DRIVER
MUTE
DRIVER
LIMIT
LIMIT
Q530: MUTING
PROTECT
DRIVER
PROTECT
DRIVER
PROTECT
DRIVER
FAN SPEED
DRIVER
FAN SPEED
DRIVER
Q401: MOTOR DRIVER
FAN LOCK DRIVER
R416
R419
R411
C414
R412
C413
R415
C41
R417
R421
C417
R423
C420
C416
R424
R420
C418
R418
R422
C415
IC411
R502
R543
Q515
Q513
R425
Q512
R426
ZD559
ZD557
ZD560
ZD558
L401
ZD564
ZD562
L402
ZD563
ZD561
R506
R503
R446
Q535
Q523
Q524
R445
R439
C429
R438
R443
R441
C427
IC412
R437
R440
R442
R444
C432
C431
C428
C430
R435
C426
C425
R431
R436
R432
R566
R565
Q531
Q532
R564
R563
Q533
R627
C637
R587
C639
R595
R591
R596
Q517
R647
C665
C641
Q516
R669
R585
Q504
R593
R455
R459
IC413
R451
C459
R452
R460
C439
C437
R473
C441
R463
R464
R457
C442
C448
R461
R462
C447
C440
R409
R410
R523
R465
Q537
Q539
Q538
Q536
R466
ZD567
ZD565
ZD568
ZD566
L403
R574
R581
R578
Q545
R575
R577
C608
Q544
R560
R573
R572
R571
R568
C607
C625
C602
C561
Q530
R630
R551
R629
R554
R553
R661
R552
C621
C699
C562
R538
Q459
C460
R433
R428
R414
D419
C446
R413
R427
R492
R493
Q428
Q429
R597
C633
IC505
IC505
BUFFER AMP.
R584
R583
C638
R588
C640
R592
R590
Q518
R598
C642
R594
C634
C666
R586
R670
Q503
Q599
Q598
R531
R532
R600
R601
R603
R602
ZD502
ZD503
Q525
C588
C587
Q526
R604
D517
R605
Q527
R606
C583
C585
C578
C582
C584
C586
R544
R541
C540
C539
ZD403
ZD402
C451
Q541
D581
R655
R658
D582
D583
Q542
R657
R656
R654
R653
Q543
CNP531
C590
D526
D525
C594
C595
C596
R612
D514
R613
R614
C601
C598
R611
R689
R690
R615
Q514
R616
D516
R621
D507
D509
R619
C604
C605
IC507
C606
C696
R406
Q402
D401
R407 C405
C404
R402
R400
C401
R401
ZD401
R404
Q400
C402
Q401
D400
C403
CNP401
IC513
C630
C629
C628
SO501
R626
IC506
C597
C603
R537
R550
R599
D518
Q403
M501
FAN MOTOR
BI500
CNS500
FFC703
R608
C697
C698
R607
LT22
CT28
CT32
CT31
CT27
CT26
ICT21
RT30
RT21
RT27
RT28
RT29
XT21
CT23
CT25
CT22
CT21
CT30
QT21
RT25
RT26
RT24
CT29
LT21
FM SIGNAL
LINE1 SIGNAL
LINE2 SIGNAL
LINE3 SIGNAL

Related product manuals