EasyManua.ls Logo

Sharp SJ-44L-WH1 - Page 10

Sharp SJ-44L-WH1
28 pages
Print Icon
To Next Page IconTo Next Page
To Next Page IconTo Next Page
To Previous Page IconTo Previous Page
To Previous Page IconTo Previous Page
Loading...
10
SJ-44L
SJ-48L
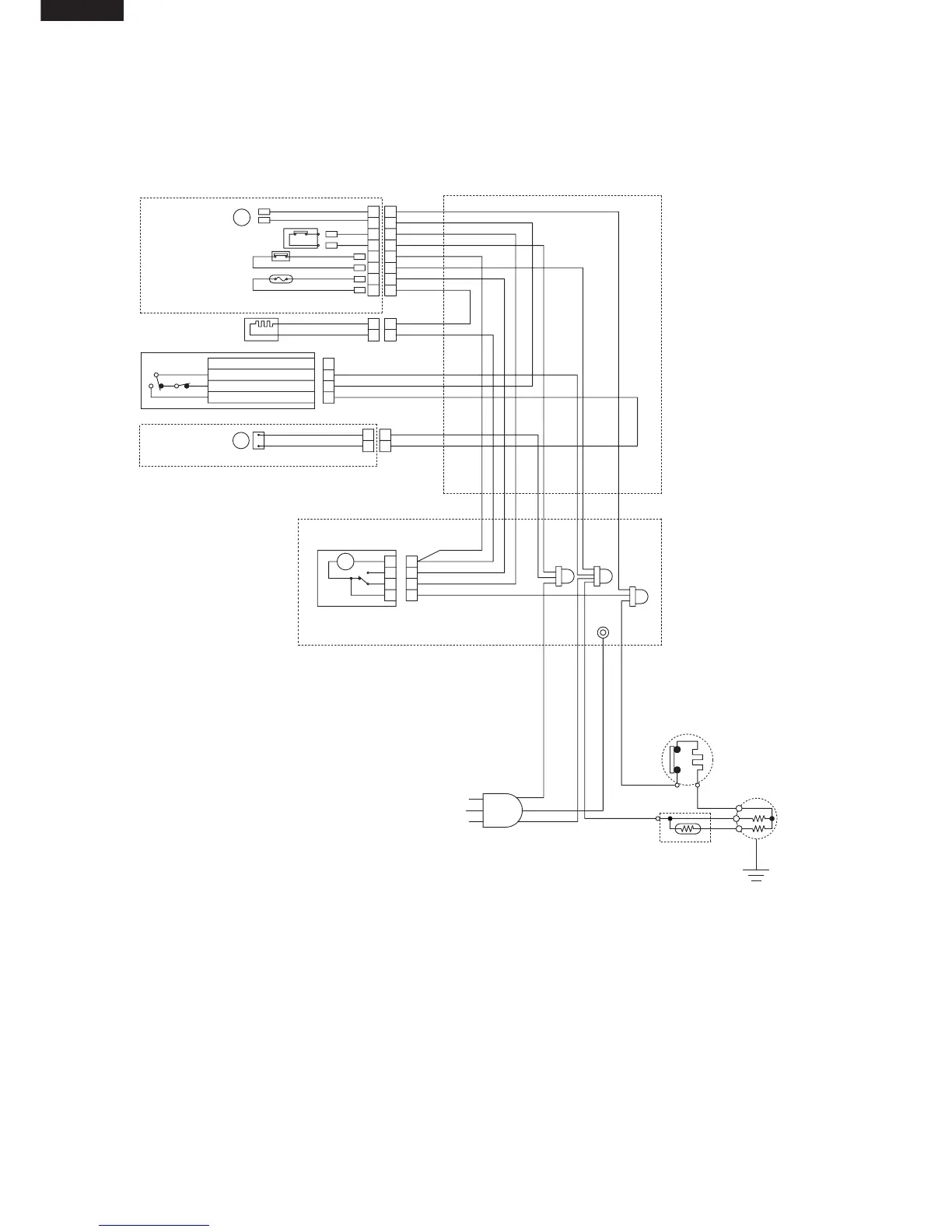
Figure W-3. Electric Accessories Layout (SJ-44L-WH1,SJ-48L-WH1)
EARTH
Cabinet ass'y
E.V. cover ass'y
Lead EV-cover ass'y
Fan motor
F-thermostat
Def thermo. ass'y
Fuse ass'y
FM
Def. heater ass'y
Door switch
2 (PUSH OPEN)
3 (PUSH CLOSE)
4 (PUSH OPEN)
1 (NEUTRAL)
1
2
1
2
1
2
1
2
1
2
3
4
1
2
3
4
1
2
3
4
1
5
2
6
3
7
4
8
1
5
2
6
3
7
4
8
GY-1
OR-1
R-1
BR-1
Y- 1
W-1
BL-1
BL-2
BR-2
SB-1
(SB-1)
BK-1
(W-1)
Y- 2
(OR-1)
lamp box ass'y
Lamp 15W
Lamp socket
L
Ter minal box
TM
Defrost timer
(Y-1)
(Y-2)
(R-1)
(BK-1)
GY-2
Protector
Compress
C
M
A
Starting
relay
Source cord
BROWN
BLUE
GRAY
GY
BR
OR
Y
R
P
BL
BK
SB
G-Y
W
: GRAY
: BROWN (live)
: ORANGE
: YELLOW
: RED
: PINK
: BLUE (neutral)
: BLACK
: SKY-BLUE
: GREEN-YELLOW (earth)
: WHITE

Related product manuals