EasyManua.ls Logo

Sharp SJ-44L-WH1 - Wiring Diagram

Sharp SJ-44L-WH1
28 pages
Print Icon
To Next Page IconTo Next Page
To Next Page IconTo Next Page
To Previous Page IconTo Previous Page
To Previous Page IconTo Previous Page
Loading...
9
SJ-44L
SJ-48L
WIRING DIAGRAM
Be sure to replace the electrical parts with specified ones for maintaining the safety and performance of the set.
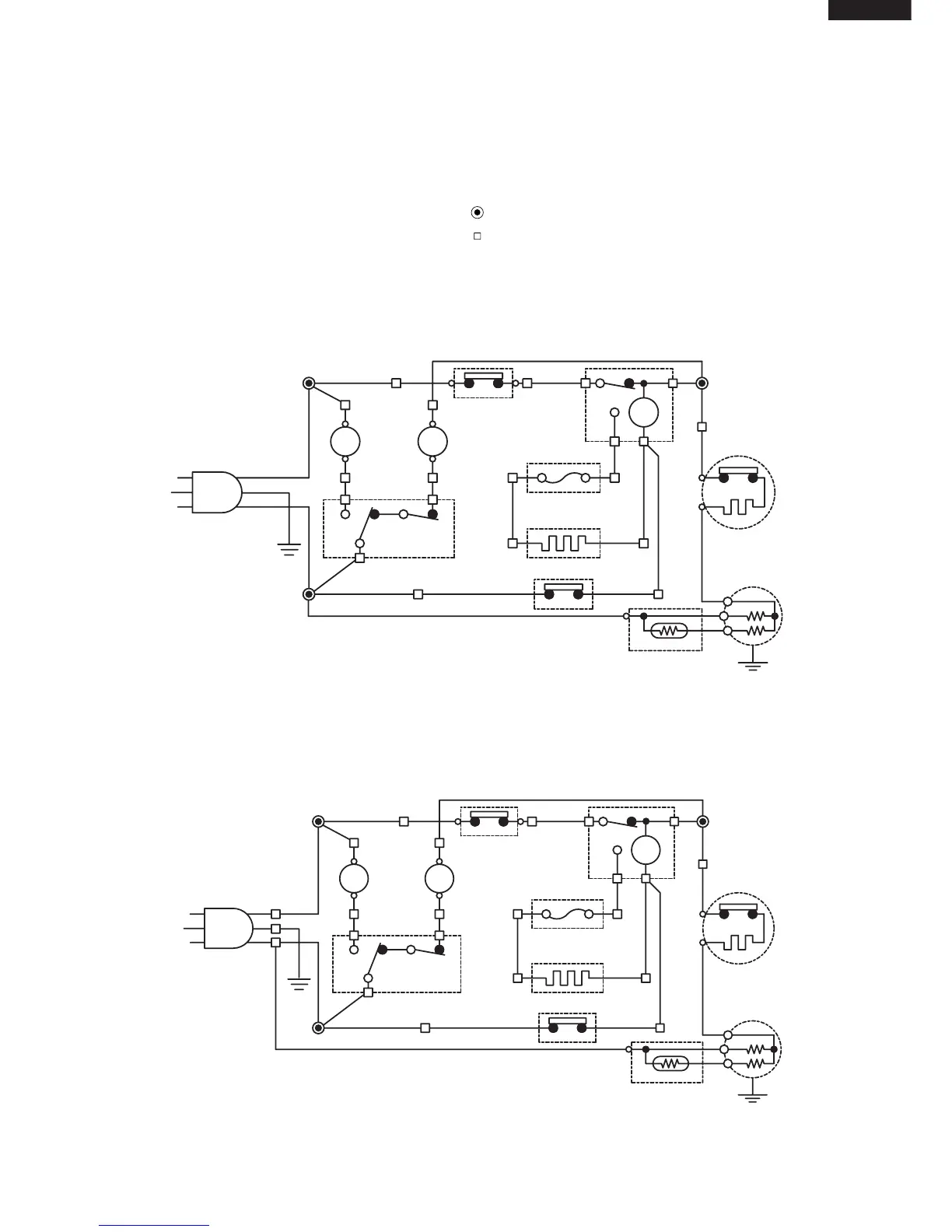
Figure W-1. Wiring Diagram(SJ-44L-WH1,SJ-48L-WH1)
CONNECTED IN TERMINAL BOX
CONNECTOR
GY
BR
OR
Y
R
P
BL
BK
SB
G-Y
W
: GRAY
: BROWN (live)
: ORANGE
: YELLOW
: RED
: PINK
: BLUE(neutral)
: BLACK
: SKY-BLUE
: GREEN-YELLOW (earth)
: WHITE
F-Thermostat
(R)
Defrost timer
TM
Thermo.
fuse
FM
Defrost
heater
Defrost
thermo.
Starting relay
C
M
A
Compress
or
Protector
(BL)
Door switch
Source
Plug
(SB)
Fan motor
L
(OR)
(BR)
(W)
(Y)
(GY)
(BK)
Lamp
Figure W-2. Wiring Diagram(SJ-44L-WH2,SJ-48L-WH2)
E
F-Thermostat
(R)
Defrost timer
TM
Thermo.
fuse
FM
Defrost
heater
Defrost
thermo.
Starting relay
C
M
A
Compress
or
Protector
(BL)
Door switch
Source
Plug
(SB)
Fan motor
L
(OR)
(BR)
(W)
(Y)
(GY)
(BK)
Lamp

Related product manuals