EasyManua.ls Logo

Sharp SJ-44L-WH1 - Page 11

Sharp SJ-44L-WH1
28 pages
Print Icon
To Next Page IconTo Next Page
To Next Page IconTo Next Page
To Previous Page IconTo Previous Page
To Previous Page IconTo Previous Page
Loading...
11
SJ-44L
SJ-48L
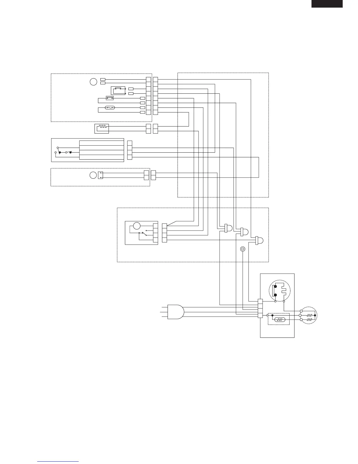
Figure W-4. Electric Accessories Layout (SJ-44L-WH2,SJ-48L-WH2)
Cabinet ass’y
E.V. cover ass’y
Lead EV-cover ass’y
Fan motor
F-thermostat
Def thermo. ass’y
Fuse ass’y
FM
Def. heater ass’y
Door switch
2 (PUSH OPEN)
3 (PUSH CLOSE)
4 (PUSH OPEN)
1 (NEUTRAL)
1
2
1
2
1
2
1
2
1
2
3
4
1
2
3
4
1
2
3
4
1
L
E
N
1
5
2
6
3
7
4
8
1
5
2
6
3
7
4
8
GY-1
OR-1
R-1
BR-1
Y-1
W-1
BL-1
BL-2
BR-2
SB-1
(SB-1)
BK-1
(W-1)
Y-2
(OR-1)
R lamp box ass’y
Lamp 15W
Lamp socket
L
Terminal box
TM
Defrost timer
(Y-1)
(Y-2)
(R-1)
(BK-1)
GY-2
Terminal block
Protector
Compressor
C
M
A
Starting
relay
Source cord
BROWN
BLUE
GRAY
EARTH
GY
BR
OR
Y
R
P
BL
BK
SB
G-Y
W
: GRAY
: BROWN (live)
: ORANGE
: YELLOW
: RED
: PINK
: BLUE (neutral)
: BLACK
: SKY-BLUE
: GREEN-YELLOW (earth)
: WHITE

Related product manuals