EasyManua.ls Logo

Sharp SM-307H - Schematic Diagrams

Sharp SM-307H
24 pages
Print Icon
To Next Page IconTo Next Page
To Next Page IconTo Next Page
To Previous Page IconTo Previous Page
To Previous Page IconTo Previous Page
Loading...
SM-307H
SM-307H
:
ICiOl
PHONO
EQ
$010
ae
>
L
4
220(1/2W)
“10
yz
a
4
Sto
in
47K
c
aay
6.
:
:
'
/
%
clo6
=
-
a
47K
i
|
i
;
t
:
f
a
BOY
os
oe
alee
ae
a
see
oe
ae
oe
ag
ee
clos
Clio
00022
0.0082
SOl02-A
lo/16v
|+}
0.022
cue
33/50V
Biee
|
4@
+15V
-15V
arts)
[Mic
|
<3
oe
Poe
GND
(Signal)
‘Y
CNS408
TO
MODE
sw.
P26
9—E
+15V
GND
(Signal)
-I5V
TAPES
IBV.
TO
MAIN
PWB-Al
TAPE
+12V
Pestite
TAPE
GND
PLAYER
+12V
PLAYER
GND
CONTROL
PWB-B2
P2i
1-8
GND
(Digital)
RITU
R2Ta
TUNER
TAPE
ANALOG
SW
1102
RCOMI
R3CD
R4PH
RCOM2
RSTV
R6VCR
RCOM3
R7
RCOM4
VEE
cD
PHONO
Tv
VCR
Lc7s23
cD
PHONO
TV
VCR
L2TA
LL
COM!
L3cD_L4¢PH
LCOM2
L5TV_
LeVCR
LCOM3
L7
LCOM4
voD
ES
s
e)
TUNER
TAPE
uiTu
$0l02-B
L-cH
(Qs
——}—-—_
@
RI53°
-RIS5
33K
18K
TV
RI54
RIS56
Ci36
33K
18K
1ooP.
R-CH(G
s0lo2-c
L-
HQ
-
.
=
RIST
ISS
33k
18K
ver
RI58
RIGO:
C138
K
16K
loop.
ISS133
Rr-cH(G)
=
(172)
BUFFER
AMP
CNPIOL
+15V
ee
eee
_---
ee
ES
SS
eee
MIC
GND
(Signal)
MIXING
LEVEL
CNS405
TO
MAIN
PWB-AI
P26
10-A
HEADPHONES
PWB
-
A5
e
NOTES
ON
SCHEMATIC
DIAGRAM
can
be
found
on
page
15.
eae
;
e
ANMERKUNGEN
ZUM
SCHEMATISCHEN
SCHALTPLAN
stehen
auf
Seite
15.
ue
Hae
7
;
¢
REMARQUES
CONCERNANT
LE
DIAGRAMME
SCHEMATIQUE
sont
indiquées
a
la
page
15.
+B
FM
Signal
Phono
Signal
=
Mic
Signal
Playback
Signal
__
Record
Signal
—B
CD
Signal
4
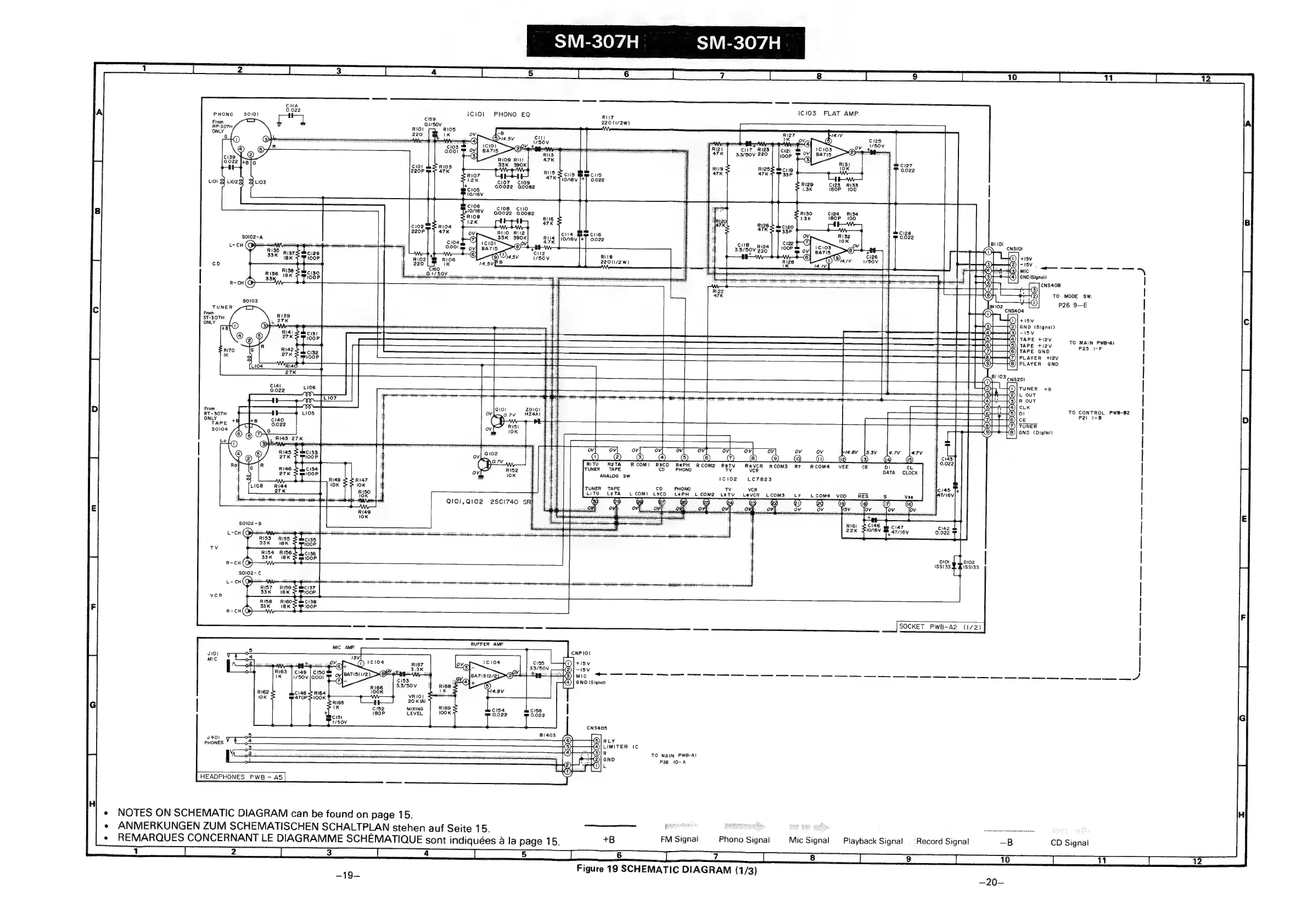
Figure
19
SCHEMATIC
DIAGRAM
(1/3)
20
~19—
—20—

Related product manuals