EasyManua.ls Logo

Sharp VC-90ET - Page 65

Sharp VC-90ET
109 pages
Print Icon
To Next Page IconTo Next Page
To Next Page IconTo Next Page
To Previous Page IconTo Previous Page
To Previous Page IconTo Previous Page
Loading...
VIDE-V24277
/
DRUCK
7
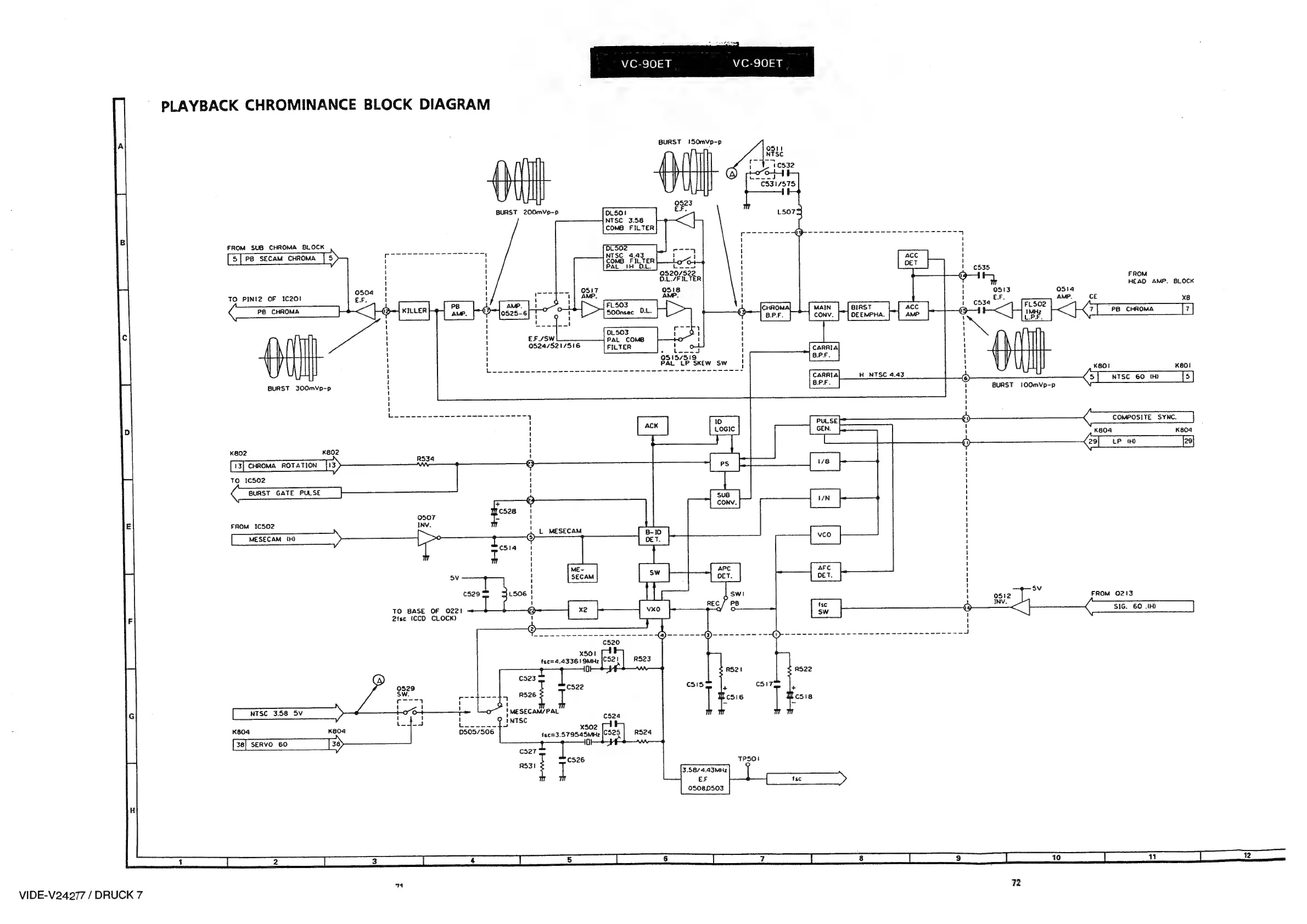
PLAYBACK
CHROMINANCE
BLOCK
DIAGRAM
FROM
SUB
CHROMA
BLOCK
[S|
PB
SECAM
CHROMA
[s)
Regge
is
we
ay
ae
H
!
!
1
1
0504
i
TO
PINI2
OF
IC2O!
EF.
a
ic
x
=
tad
cr
m
bs)
(5
crnowa
A
TO
1€502
BURST
GATE
PULSE
i
O507
FROM
ICSO2
INV.
SV
cs29
TO
BASE
OF
O22!
2fsc
(CCD
CLOCK)
L-----+-
0505/506
[sal
senvo
60d
{Mitt
0523
E
BURST
300mVp-p
Li~-
+++
ee
ee
ee
x802
«B02
R534
[13]
CHROMA
ROTATION
13)
VC-90ET
VC-SOET
BURST
!SOmVp-p
BURST
200mVp-p
DL50!
NTSC
3.58
<a
LL-o
0520/522
.L./FILTER
FROM
O.L./FILTE!
HEAD
AMP.
BLOCK
os!8
AMP.
PAL
COMB
FILTER
«
bev
cd
05157519
PAL
LP
SKEW
SW
--
+--+
ee
ee
K80O!
KO!
5]
NTSC
60
(H)
5
|
BURST
!00mVp-p
H
COMPOSITE
SYNC.
i)
!
KB04
K804
1
a
29]
1
€3
'
1
1
i)
e4
cs28
1
1
L_MESECAM
(©)
C514
'
1
'
1
(Becaw
1
i)
=)
LSO6
i
FROM
0213
1
!
@
c520
x50!
fsc=4.433619MHz
(C521
|
R523
HN)
R521
R522
cs23
cs22
C515
Ly
csi7=
|,
7
RES
Rcsis
Rcsis
'
=
7
|
MESECAM/PAL
255
_INTSC
x502
fsc=3.579545MHz
(C525
|
R524
O
cs27
C526
TPSO!
O
R531
-
3
zl
3.58/4.43MHz
EF
05080503
ee
74
72
12

Related product manuals