EasyManua.ls Logo

Sharp VC-90ET - Page 66

Sharp VC-90ET
109 pages
Print Icon
To Next Page IconTo Next Page
To Next Page IconTo Next Page
To Previous Page IconTo Previous Page
To Previous Page IconTo Previous Page
Loading...
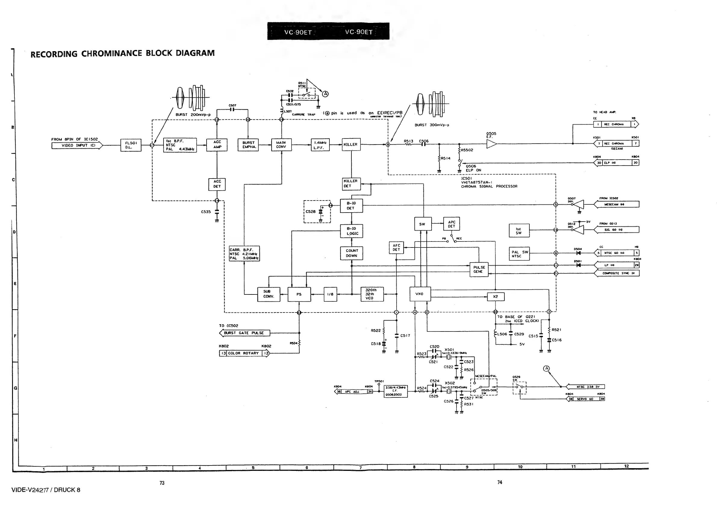
RECORDING
CHROMINANCE
BLOCK
DIAGRAM
\
BURST
200mVp-p
B
FROM
8PIN
OF
ICI502
VIDEO
INPUT
{C)
Cc
D
VC-90ET
cso7
'
1
'
1
!
1
i]
1
i]
'
i]
J
!
'
I
|
IcarR.
BP.F.
|
INTSC
4.2)MHz
1
[PAL
5.06MHz
1
!
t
1
'
i]
i]
1
'
'
'
t
i
i]
1
'
TO
-ICS02
BURST
GATE
PULSE
K802
K802
[rs[coron_woraRy
[13
az
gz
ee
ng
~
HE
=
c
m
2
---------@-------+
CS531/575
1307
wnnine
trap
=
Pin
is
used
as
on
EE(REC)/PB
selector
termini
100.)
R513
KILLER
1/8
32th
vco
R522
CSIT
R534
csi8
TPSO!
Keoe
xeoa
|
(Seraamen
[apc
soy
|
Ef
v4
Bel
0508,0503
BURST
300mVp-p
c
1c501
VHITA8B757AN-
1
CHROMA
SIGNAL
PROCESSOR
TO
BASE
OF
O22!
2te
(CCD
CLOCK)
d
R52!
L506
cs529
C515
a
CcS16
c520
OY
501
R523
186=4.4336
|
OMHz
cs2i
c522
MESECAM/P
AL
ene
ey
C524
x502
i
=3.579845)
R524
fac=3.
capac
O
506!
C525
ae
eee
t-j--
K804 K804
C526
ae
C3a]_servo
60
136]
I
R53!
Lo
73
VIDE-V24277
/
DRUCK
8
14

Related product manuals