EasyManua.ls Logo

Sharp VL-E610S - Page 79

Sharp VL-E610S
129 pages
Print Icon
To Next Page IconTo Next Page
To Next Page IconTo Next Page
To Previous Page IconTo Previous Page
To Previous Page IconTo Previous Page
Loading...
A
B
C
D
E
F
G
H
123456
7 8 9 10 11 12
VL-E610S/VL-E610H
VL-E660S/VL-E96E
VL-E98E
VL-E610S/VL-E610H
VL-E660S/VL-E96E
VL-E98E
7-33
7-34
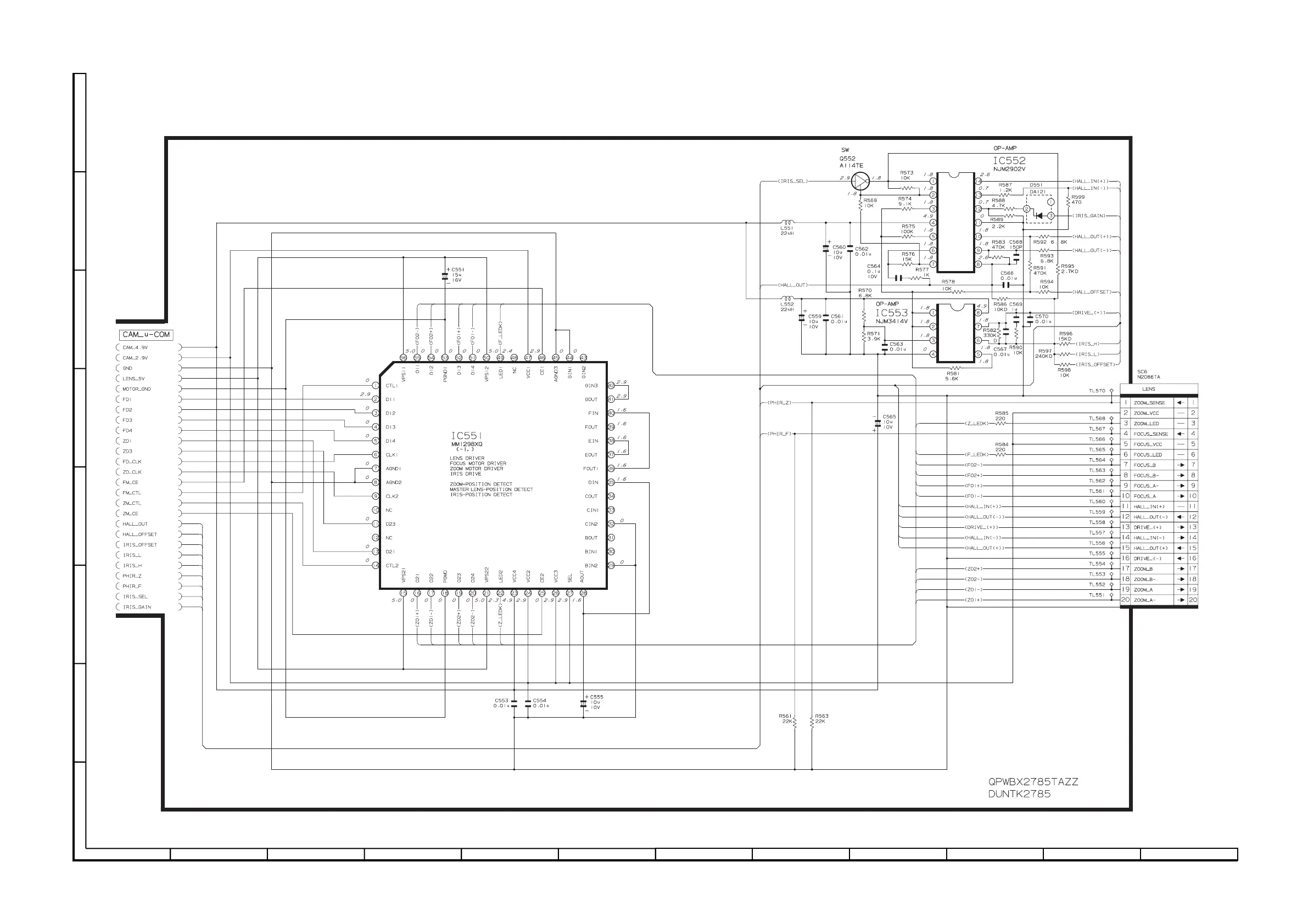
7-16. LENS DRIVE CIRCUIT SCHEMATIC DIAGRAM

Related product manuals