EasyManua.ls Logo

Sharp VL-E785U - Page 16

Sharp VL-E785U
36 pages
Print Icon
To Next Page IconTo Next Page
To Next Page IconTo Next Page
To Previous Page IconTo Previous Page
To Previous Page IconTo Previous Page
Loading...
16
A
B
C
D
E
F
G
H
12 3 4567
VL-E780U
VL-E785U
VL-E785T
G
H
I
J
K
L
M
7
8 9 10 11 12
13
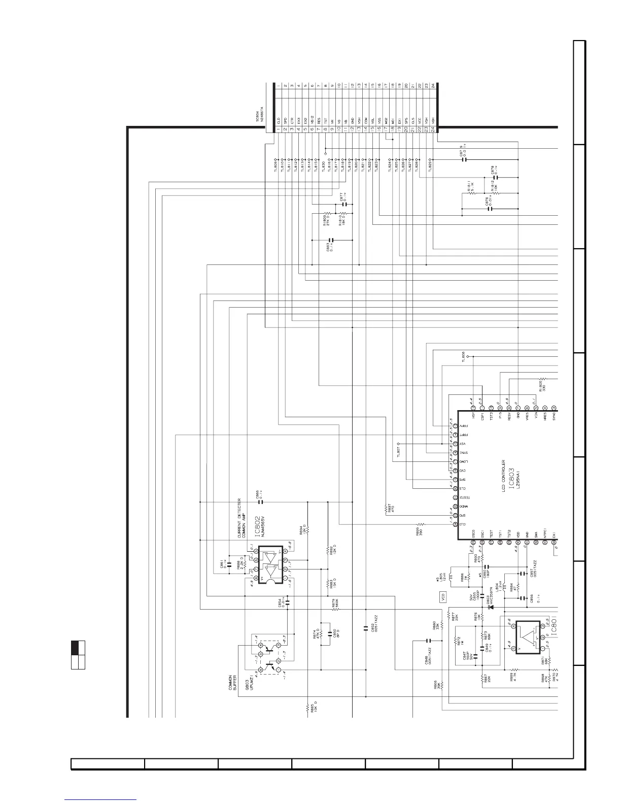
LOCATION MAP: (3/4)
13
24

Related product manuals