EasyManua.ls Logo

Sharp VL-H875U - Page 56

Sharp VL-H875U
148 pages
Print Icon
To Next Page IconTo Next Page
To Next Page IconTo Next Page
To Previous Page IconTo Previous Page
To Previous Page IconTo Previous Page
Loading...
VL-H870U
VL-H875U
VL-H890U
S
R
Q
P
O
N
M
L
K
J
4
1
3
2
LOCATION MAP: (1/4)
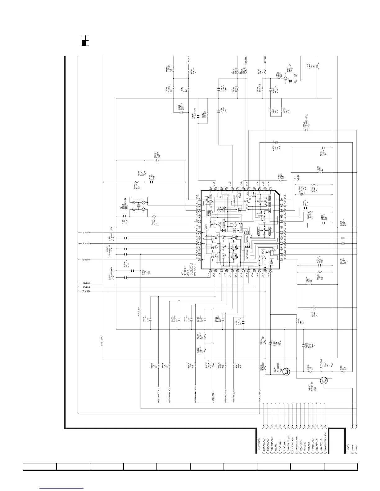
8-3. LCD CIRCUIT SCHEMATIC DIAGRAM (VL-H890U)
8-13

Related product manuals