EasyManua.ls Logo

Sharp WH-HOT HOT - Circuit Diagram (PCB Control Assy)

Sharp WH-HOT HOT
21 pages
Print Icon
To Next Page IconTo Next Page
To Next Page IconTo Next Page
To Previous Page IconTo Previous Page
To Previous Page IconTo Previous Page
Loading...
16
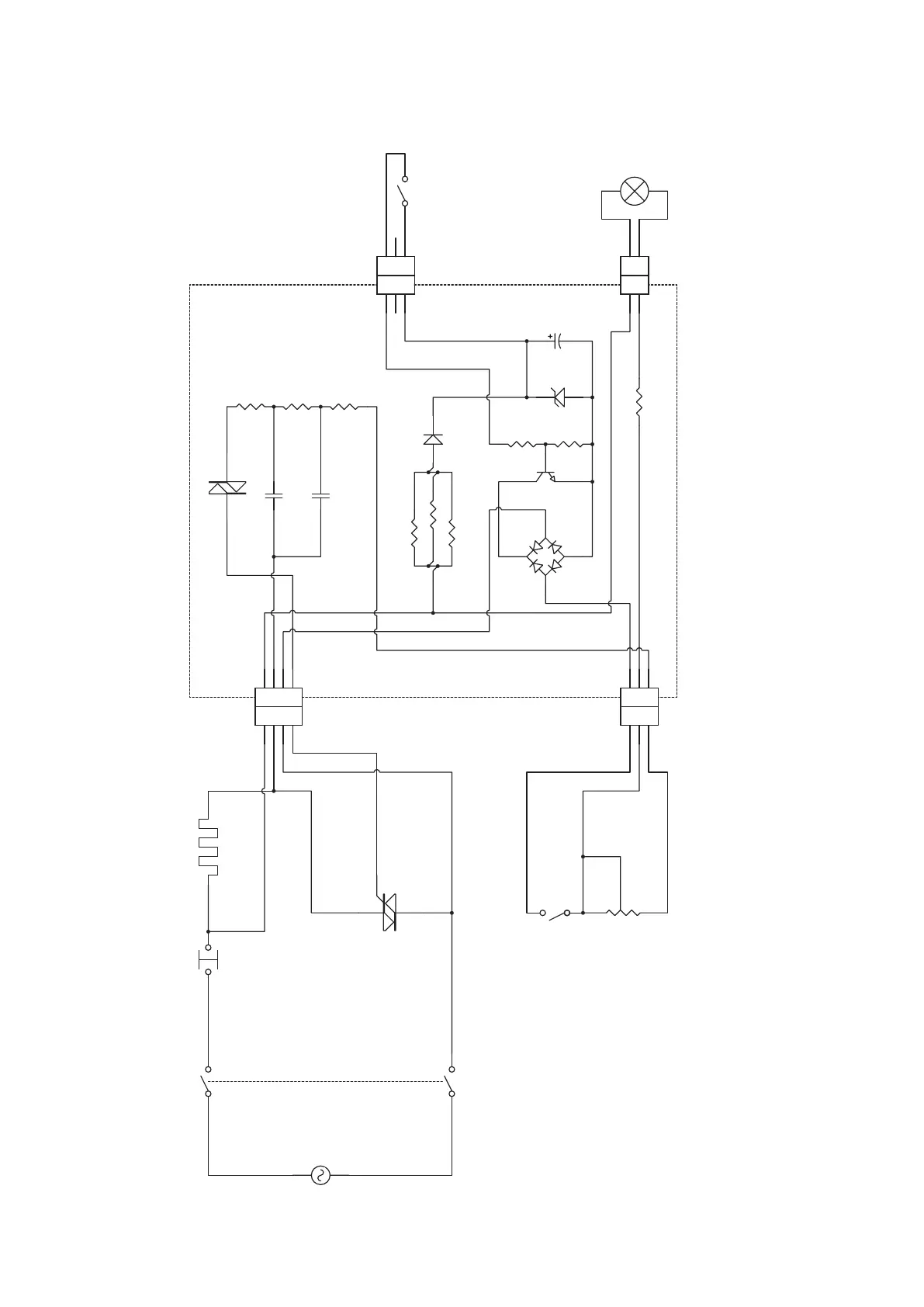
CIRCUIT DIAGRAM (PCB CONTROL ASS’Y)
T1
T2
G
TR1
TG25C60(3500W)
VR1
350K
S1
VOLUME SW
85'C
S2
FLOW_SW
POWER & CONTROL SIDE (PCB-1)
white
white
orange
blue
red
1
2
3
CN3_1
A
C
White
NEON LAMP
1
2
3
4
CN1_1
1
2
3
CN2_1
1
2
CN4_1
R3
15K 1/2W small
R2
3.3K
R4
47
C2
39nF 400V
DIAC1
DB3
C1
39 nF 400V
R1
100k
1
2
3
CN3
D1
1N4007
R6
47K
R7 100k 1/2w(s)
R5
1K
ZD1
BZX55C12
Q1
KSP44
1
2
3
4
CN1
1
2
3
CN2
1
2
CN4
R9 100k 1/2W(s)
R8 100k 1/2W(s)
C3
33uF/50v
D2
B6M
TG35C60(4500W)
V in
220V
ELB
black
THERMOSTAT 1
MAIN HEATER
black
brown
black
L
N

Related product manuals