EasyManua.ls Logo

Sharp XL-55 - Page 26

Sharp XL-55
56 pages
Print Icon
To Next Page IconTo Next Page
To Next Page IconTo Next Page
To Previous Page IconTo Previous Page
To Previous Page IconTo Previous Page
Loading...
XL-55/55C
– 26 –
A
B
C
D
E
F
G
H
1
23456
R
R621
R617
R623
R364
R357
R362
R356
R350
C369
C366
C365
R361
C363
C360
C361
R351
C350
C353
C354
R393
R353
R352
C356
C351
C355
R355
R366
R383
C395
C384
R374
C382
C381
R373
R372
C392
R371
R365
C387
R359
R360
C383
C315
R316
C312
R305
R306
R310
C313
C314
C317
R308
C308
C309
C323
R313
R312
C318
C305
C344
C307
R302
R358
C343
R314
C303
C306
C335
C331
R323
C329
R627
C627
R625
J923
J920
C412
R408
R406
R407
C411
R405
C340
C349
C319
C304
C320
C301
R315
R304
C321
C376
R379
R381
C397
R410
R411
R413
R412
C413
C302
1 2 3
CHASSIS
GND
CHASSIS
GND
SPEAKERS
VIDEO/AUX INSUB
WOOFER
OUT
FM/AM
ANTENNA
LEFT
LEFT
RIGHT
RIGHT
FM RF
FM IF
FM BAND
COVERAGE fL
D403
C425
D402
C417
C40
7
C
4
D401
C
4
Q608
R624
C
4
R629
C622
Q609
Q604
R628
Q603
R620
ZD601
D602
C620
C621
D603
R619
C624
C373
C374
R6
3
C371
C372
C364
C368
C367
X351
R363
IC303
C399
R376
C352
CF351
Q3
5
C358
C398
C357
L352
C370
R377
R395
ZD351
R384
Q360
C396
R385
R392
C391
R391
X352
R386
IC302
R382
R387
L351
C386
C385
R309
C378
L353
VR351
L303
T351
CF352
VD302
R301
CF302
IC301
T304
R303
R336
Q306
R307
CF303
D306
VD303
L302
C332
VD301
C362
D301
D302
C337
T306
C334
C330
T302
CNP604
D604
C626
ZD602
C625
Q606
Q605
Q607
C616
CNW652
CNS652
SO601
SO401
D307
D305
CNP301
BF301
Q302
C311
C316
C393
C394
R380
C380
C414
D308
123456789
10111213
11
12 22
1
5
10
15
20
1
1
B
C
E
B
BCE
ECBECBECB
C
E
B
C
E
3
2
1
3
2
1
E
C
B
3
2
1
1
2
3
123
32
23
2
3
4
5
6
7
8
9
1
5
10
15
20
12
13
24
1
1
2
2
CNP652
TO POWER PWB
P25 11 - D
CNS604
FROM POWER AMP. PWB
P25 11 - B
RD
BK
FM MUTE
LEVEL
TP301
AM TRACKING
AM BAND COVERAGE fL
AM IF
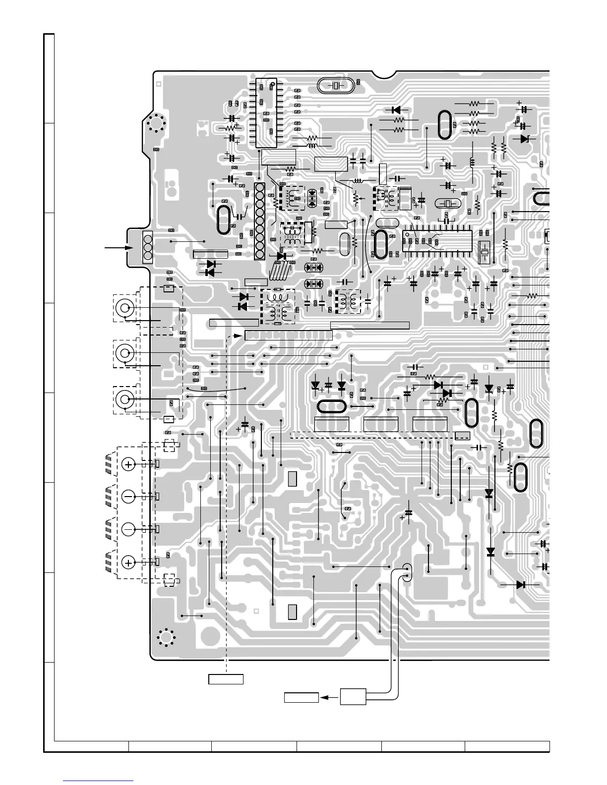
Figure 26 WIRING SIDE OF P.W.BOARD (2/5)

Related product manuals