EasyManua.ls Logo

Sharp XL-55 - Block Diagram

Sharp XL-55
56 pages
Print Icon
To Next Page IconTo Next Page
To Next Page IconTo Next Page
To Previous Page IconTo Previous Page
To Previous Page IconTo Previous Page
Loading...
XL-55/55C
– 14 –
REC MUTE
Q105
Q106
REC
150K
150K
MUTE ALC
+
-
-
+
3
1
5
11
12
8
10
2
IC102
BA3311L
6
7
9
NF
L-IN
R-IN
NF
L-OUT
ALC
R-OUT
Q151
Q152
L151
Q153
Q171
Q172
REC
SWITCHING
Q101-Q104
SWITCHING
1
IC101
IC101
HEAD SELECTOR
BA3126N
2
3
4
5
6
9
REC SW
P/B SW
CONT
P/B SW
REC SW
8
7
A-12V
L-CH
R-CH
R-CH
L-CH
L-CH
L-CH
A-GND
A-GND
A-GND
R-CH
R-CH
ERASE
CNP101
CNS101
CNS901
P.F
CAM SW
Q906
BIAS
REC
RUN_PLS
SURROUND
MOT
SOL
U_CON 5V
D-GND
A_12V
TAPE SW
1
2
3
4
5
6
7
CNP901
PH901
PHOTE INTERRUPTER
SW901
FOOL
PROOF
SW902
CAM
1
CFW901
2
+
-
2
1
M
M901
TAPE MOTOR
SOLENOID
SOL901
TO DISPLAY PWB
Q904
Q902
A_12V
A_12V
SWITCHING
B-CAN(NC)
10 10
1234
5
6
7
8
9
CNP703
M_GND
Q903
Q905
Q901
CF352
CF351
FM IF
24 22
21
20
19
18
17
16
15
14
13
12
11
10
9
8
7
6
5
4 3 2 1
IC303
LA1832S
22
21
20
17
16
15
14
13
12
1 2 3 4
5
6
7
8
9
10
11
IC302
LC72131
X352
X351
456kHz
X IN
NC
CE
DI
CL
MO/ST
FM
FM
DO
CE
DI
CL
DO
FM IN
X OUT
VSS
AOUT
VDD
AM IN
NC
IF IN
IF REQ
SW
VCC
AM TRACKING
AM OSC.
VD301-1
SVC348S
VD301-2
SVC348S
VR351
10K(B)
FM MUTE LEVEL
23
T351
+5V
AM IF
MUTE
R-MUTE
MO/ST
L-CH OUT
R-CH OUT
MPX VCO
AM LOW CUT
FM/AM OUT
MPX IN
AM OSC OUT
FM AFC
AM RF IN
VSM
AM OSC IN AM MIX OUT
AM IF IN
GND
REG
FM IF IN
SD
STEREO
FM DET
PHASE
(AM/FM)
IF OUT
PHASE
FM IF DET./FM MPX./AM IF
4.5MHz
Q351
SWITCHING
R_MUTE
PLL (TUNER)
ZD351
Q360
FM+B
A_12V
3
1
VT
CF302
FM IF
AM OSC OUT
AM MIX OUT
A_GND
+5V
A_12V
D_GND
REC BIAS
CONT
SWITCHING
SWITCHING
RUN PLS
SOL
M_12V
U_CON5V
MOT
SWITCHING
SWITCHING
SWITCHING
TAPE MOTOR
DRIVER
SOLENOID
DRIVER
BIAS OSC
SWITCHING
AM IF IN
1
2
3
4
5
6
7
8
7
6
5
4
3
2
1
8
7
6
5
4
3
2
1
L-CH
R-CH
ERASE
HEAD
RECORD/
PLAYBACK
HEAD
T302
T306
1
2
3
IC102
REC./P.B.
EQUALIZER
AMP.
9
78654323211
VT
Q306
Q302
CF303 T304
BF301
10.7MHz
IC301
FM FRONT END
TA7358AP
BAND
PASS
FILTER
L303
VD302
L302
VD303
FM RF
FM IF FM IF
FM IF AMP.
FM OSC
VT
TP301
1
2
AM/FM
ANTENNA
TERMINALS
CNP301
3
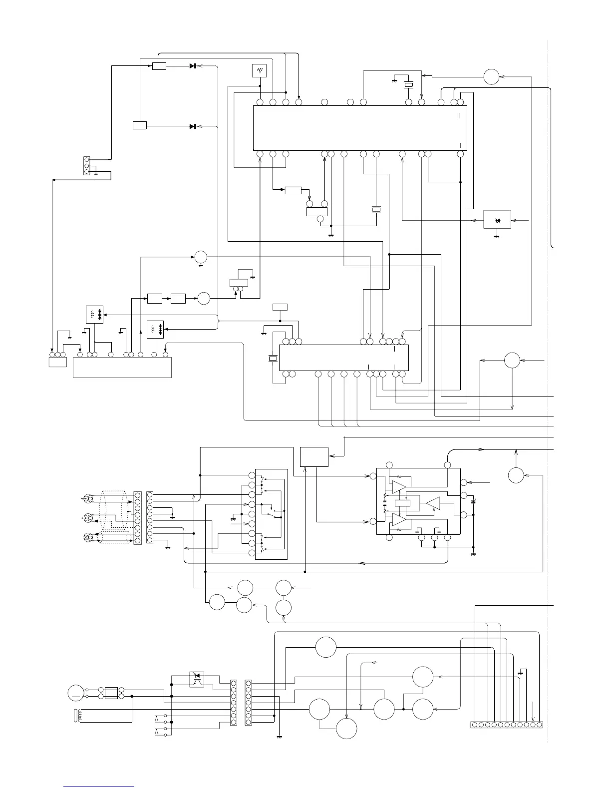
Figure 14 BLOCK DIAGRAM (1/4)

Related product manuals