EasyManua.ls Logo

Sharp XL-55 - Page 42

Sharp XL-55
56 pages
Print Icon
To Next Page IconTo Next Page
To Next Page IconTo Next Page
To Previous Page IconTo Previous Page
To Previous Page IconTo Previous Page
Loading...
XL-55/55C
– 42 –
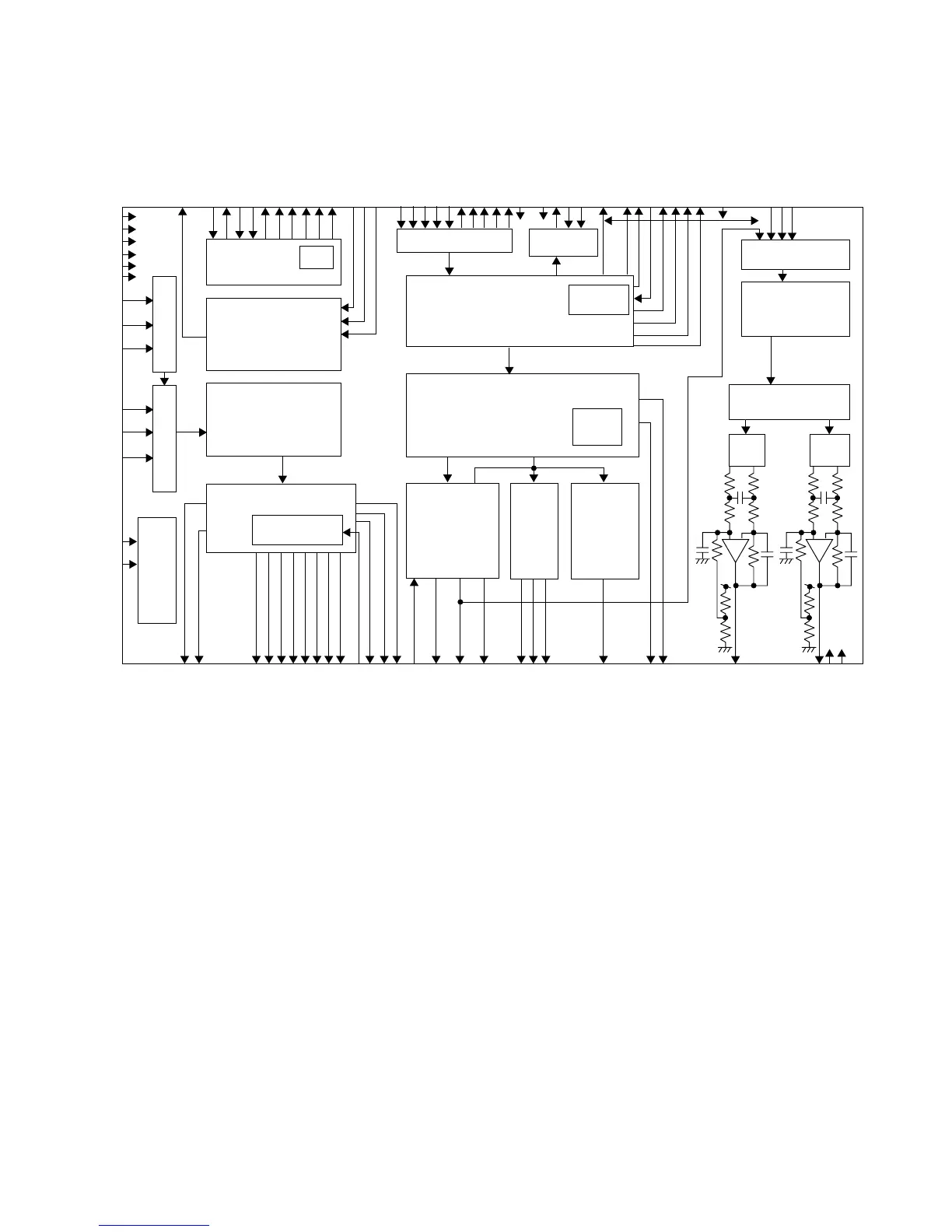
IC801 VHiMN6627482W: Servo/Signal Control (MN6627482W)
STAT
X1
X2
MSEL
CSEL
PMCK(PLAY)
GIO2(FCLK)
SMCK
BYTCK(TRVSTP)
VCOF
VCOF2
MDATA
MCLK
MLD
PSEL
RSEL(GIO3)
ARF
DRF
I
REF
DSLF
PLLF2
PLLF
EFM(CK384)
PCK(DSLB)
AV
DD2
AV
SS2
SUBQ
SOCK(GIO0)
SSEL
FLAG6(RESY)
IOSEL
DEMPH
SUBC
SBCK
GIO1(/CLDCK)
BLKCK
CRC
CLVS
SRDATAIN(PSEL)
BCLKIN(SSEL)
LRCKIN(MSEL)
V
DD
V
SS
DV
DD1
DV
SS1
/RST
/TEST
FE
RFENV
TE
TRCRS
BDO
VDET
/RFDET
OFT
SENSE
WVEL
LDON
/FLOCK
/TLOCK
FBAL
TBAL
FOD
TRD
TVD
VREF
TRV
KICK
TOFS
DMUTE
BCLK
SRDATA
LRCK
OUTR
AV
DD1
AV
SS1
OUTL
IPFLAG
FLAG
PC
ECS
ECM
TIMING
GENERATOR
PITCH CONTROL
MICRO
COMPUTER
INTERFACE
SERVO
CPU
A/D CONVERTER
INPUT PORT
SERVO
TIMING
GENERATOR
VCO
OUTPUT PORT
D/A
CONVERTER
INTER
POLATION
SOFT MUTING
DIGITAL
ATTENUATION
CLV
SERVO
DIGITAL
AUDIO
INTERFACE
16k
SRAM
PWM
(L)
PWM
(R)
1 BIT DAC
PWMLOGIC
8TIMES
OVER
SAMPLING
DIGITAL FILTER
DIGITAL
DEEMPHSIS
DSL • PLL VCO
SUBCODE
BUFFER
EFM DEMODULATION
SYNC INTERPOLATION
SUBCODE DEMODULATION
CD-TEXT
BUFFER
CIRC ERROR CORRECTION
DEINTERLEAVE
-
+
-
+
TX
Figure 42 BLOCK DIAGRAM OF IC

Related product manuals