EasyManua.ls Logo

Sherwin-Williams 824102 - Parts: 2835, 3040, & 3340 Pressure Washers

Default Icon
20 pages
Print Icon
To Next Page IconTo Next Page
To Next Page IconTo Next Page
To Previous Page IconTo Previous Page
To Previous Page IconTo Previous Page
Loading...
16 824111
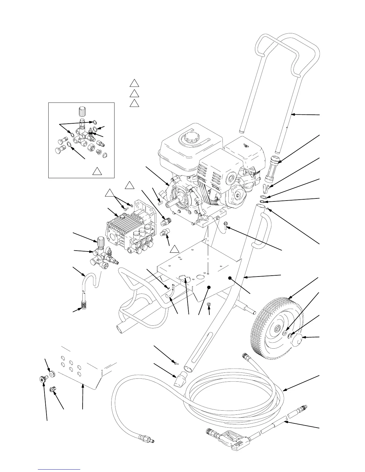
Parts: 2835, 3040, & 3340 Pressure Washers
Detail 1
Detail 1
3
14
16
7
6
9
5
4
13
12
11
26
8
51
15
31
30
2
1
25
24
23
3 Ref22
17
1 Apply sealant to threads
2
8778B
50
49
48
1
1
2
All parts supplied with unloader
47
3 Supplied with pump
3
27
10
40
39
Model 824102, Series A: 2835 Pressure Washer
Model 824103, Series A: 3040 Pressure Washer
Model 824104, Series A: 3340 Pressure Washer
18, 19, 20, 21
52
53
53
54

Related product manuals