EasyManua.ls Logo

Shibaura SG280E - ELECTRICAL DIAGRAM; Vehicle Wiring Schematic

Shibaura SG280E
57 pages
Print Icon
To Next Page IconTo Next Page
To Next Page IconTo Next Page
To Previous Page IconTo Previous Page
To Previous Page IconTo Previous Page
Loading...
54
5454
54
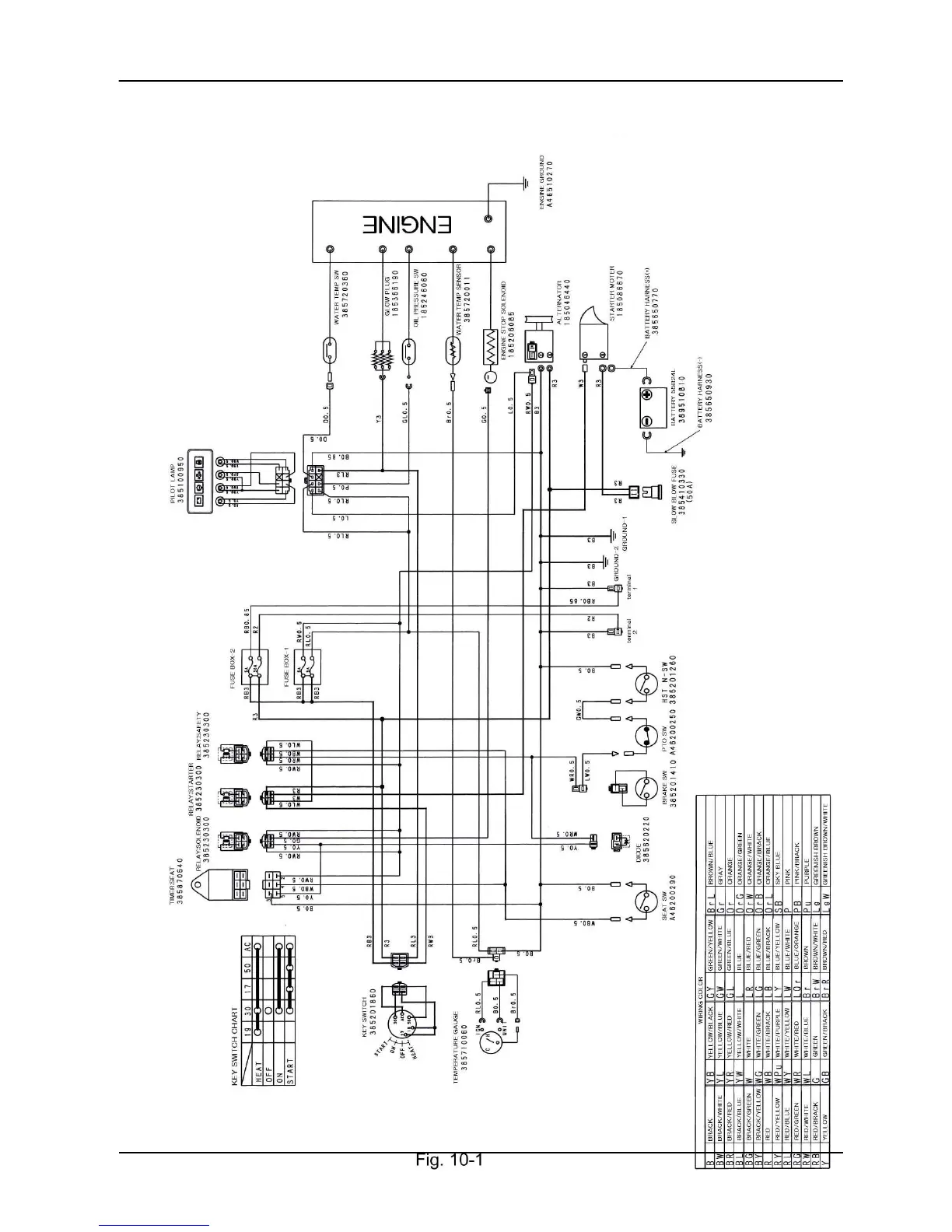
ELECTRICAL DIAGRAM
4. Wiring Diagram

Other manuals for Shibaura SG280E

Related product manuals