EasyManua.ls Logo

Shivaki SSH-PM074DC - 4-2. Evacuation Procedures

Shivaki SSH-PM074DC
69 pages
Print Icon
To Next Page IconTo Next Page
To Next Page IconTo Next Page
To Previous Page IconTo Previous Page
To Previous Page IconTo Previous Page
Loading...
4
4
.
.
R
R
E
E
F
F
R
R
I
I
G
G
E
E
R
R
A
A
N
N
T
T
F
F
L
L
O
O
W
W
D
D
I
I
A
A
G
G
R
R
A
A
M
M
20
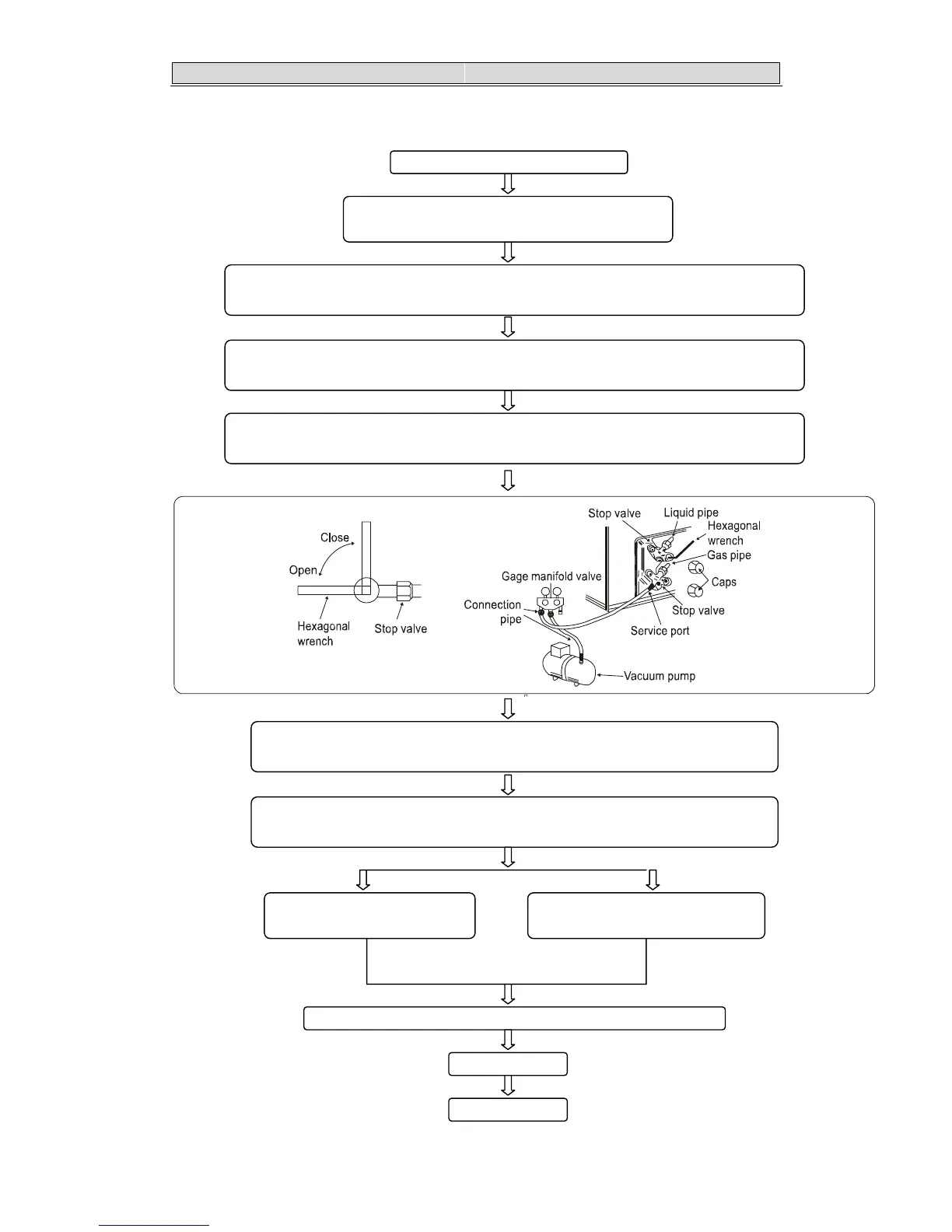
4.2 Evacuation procedures
EVACUATION PROCEDURES
Connect the refrigerant pipes (both the liquid an
g
as
p
i
p
es
)
between the indoor and the outdoor units.
Remove service port cap of the stop valve A and connect gage manifold valve and vacuu
m
p
ump to it.
Run the vacuum pump for more than 15 minutes and at this time confirm that the pressure
gage indicates -0.1Mpa(-76 cmHg).
Stop pump and keep the pressure for one or two minutes. Make sure the pressure is no
change(if the pressure is changed to high, there is some leakage for the pipe connection).
Remove gage manifold valve quickly from the service port of the stop valve A.
full open the stop valves A on gas and liquid pipe sides.
Total pipe length is in the range:
N
o gas charge is needed
Total pipe length exceeding the limit:
Charge the prescribed amount of gas.
Ti
g
hten the ca
p
to the service
p
ort to obtain the initial status.
Reti
g
hten the ca
p
.
Leak test
Repeat the steps above for other valves(B\C\D), be sure all refrigerant pipes are
connected and evacuated, and all valves are full opend.

Related product manuals