EasyManua.ls Logo

Shure UR1M - Page 18

Shure UR1M
30 pages
Print Icon
To Next Page IconTo Next Page
To Next Page IconTo Next Page
To Previous Page IconTo Previous Page
To Previous Page IconTo Previous Page
Loading...
Shure UHF-R Wireless
18
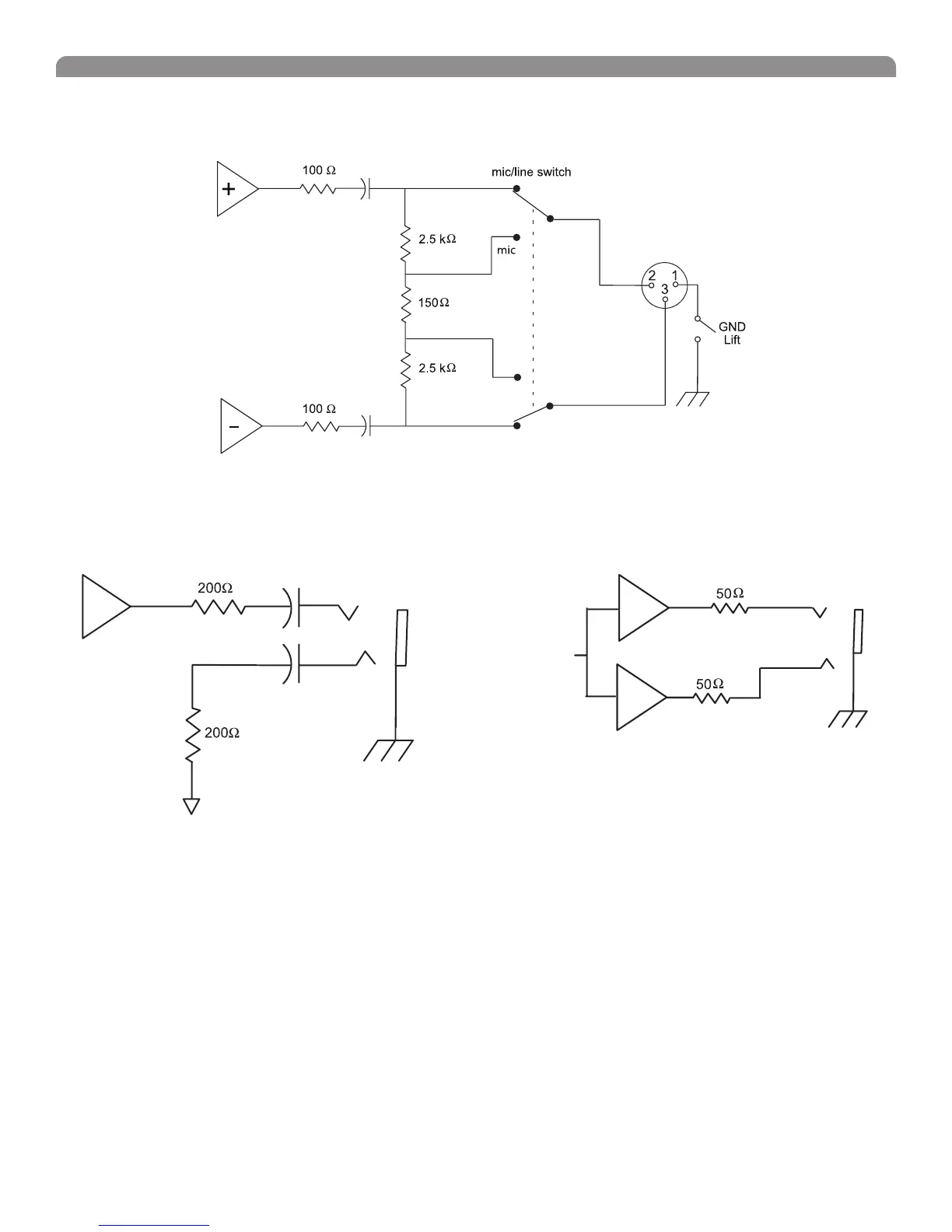
XLR
1/4" Phone
1/4" Monitor/headphone

Other manuals for Shure UR1M

Related product manuals