EasyManua.ls Logo

Siemens 7MF4133 - Flanged Liquid Level Models

Siemens 7MF4133
16 pages
Print Icon
To Next Page IconTo Next Page
To Next Page IconTo Next Page
To Previous Page IconTo Previous Page
To Previous Page IconTo Previous Page
Loading...
Installation Guide UMSITRPDS3-1
1
2
3
4
5
6
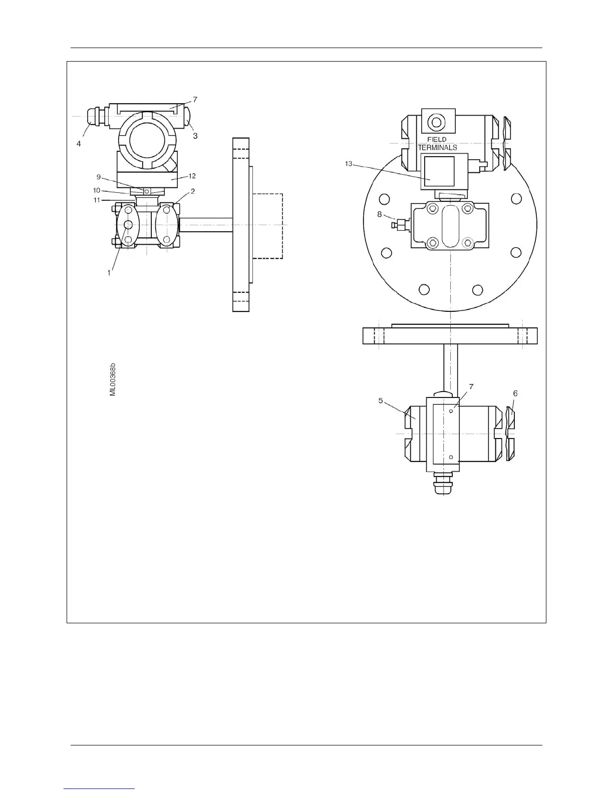
Process connection at low side 1/4-18NPT
Mounting thread M10, M12, or 7/16-20UNF
Blanking plug
Electrical connection:
M20 x 1.5
1/2-14NPT
Field terminals; remove enclosure cap for
access
Electronics module and display; remove
enclosure cap for access
7
8
9
10
11
12
13
Access cover to magnetic pushbuttons
Sealing screw with vent shown (optional)
Enclosure setscrew
Enclosure rotation limits
Enclosure rotation reference arrow (not
shown; see Installation section for details)
Tag plate
Rating plate; approval plate on other side
This Figure is for Models 7MF4633 and
7MF4812
FIGURE 4 Flanged Liquid Level Models
8 February 2012

Related product manuals