EasyManua.ls Logo

Siemens OpenAir GLB141.1P - Page 16

Siemens OpenAir GLB141.1P
16 pages
To Previous Page IconTo Previous Page
To Previous Page IconTo Previous Page
Loading...
Technical Instructions OpenAir GLB Enhanced Non-Spring Return Rotary Electronic Damper Actuator
Document Number 155-785
January 20, 2017
Information in this publication is based on current specifications. The company reserves the right to make changes in specifications and models as
design improvements are introduced. OpenAir is a trademark of Siemens Schweiz AG. Other product or company names mentioned herein may be
the trademarks of their respective owners. © 2017 Siemens Industry, Inc.
Siemens Industry, Inc.
Building Technologies Division
1000 Deerfield Parkway
Buffalo Grove, IL 60089
USA
Tel. + 1 847-215-1000
Your feedback is important to us. If you have
comments about this document, please send them
to sbt_technical.editor.us.sbt@siemens.com
Document No. 155-785
Printed in the USA
Page 16
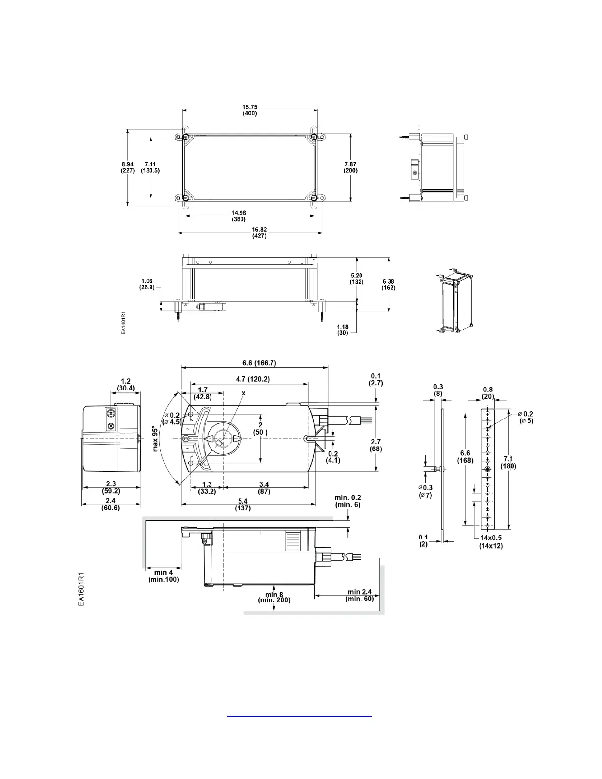
Dimensions
Figure 27. Dimensions of the ASK75.7U Weather Shield in Inches (Millimeters).
Figure 28. GLB Actuator and Mounting Bracket Dimensions in Inches (mm).
Figure 29. Dimensions of the OpenAir GDE/GLB Enhanced Actuator and Mounting Bracket.

Related product manuals