EasyManua.ls Logo

Siemens PN16 - Page 2

Siemens PN16
2 pages
Print Icon
To Previous Page IconTo Previous Page
To Previous Page IconTo Previous Page
Loading...
2 / 2 2014-11-24 M4363 4 319 9563 0 e Siemens Building Technologies
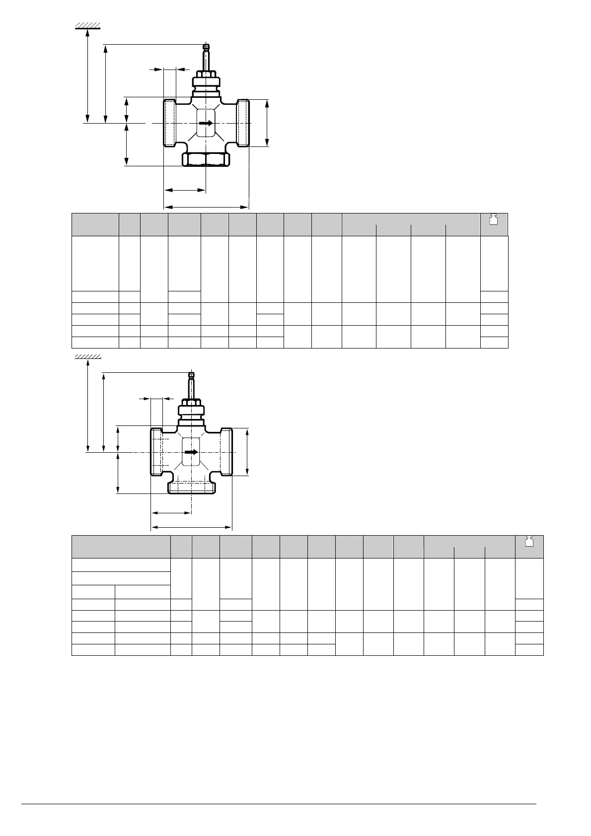
VVG41..
G
L1
H
H2
L3
H1
4363M01
B
L2
Type
DN B G L1 L2 L3 H1 H2 H
kg
[mm] [inch] [mm] [mm] [mm] [mm] [mm] SAX.. SQX.. SKD.. SKB.. [kg]
VVG41.11
VVG41.12
VVG41.13
VVG41.14
VVG41.15
15
10
G 1B
100 50 57 26 122.5
> 468 > 451 > 526 > 601
1.25
VVG41.20 20 G 1¼B 1.30
VVG41.25 25
14
G 1½B
105 52.5
59
34 130.5
> 476 > 459 > 534 > 609
1.60
VVG41.32 32 G 2B 60 2.20
VVG41.40 40 15 G B 130 65 73
46 142.5
> 488 > 471 > 546 > 621
2.70
VVG41.50 50 16 G B 150 75 83 3.90
VXG41..
H
H2
H1
L3
B
L1
G
4463M01
L2
Type
DN B G L1 L2 L3 H1 H2 H
kg
[mm] [inch] [mm] [mm] [mm] [mm] [mm] SAX.. SQX.. SKD.. SKB.. [kg]
VXG41.1301
15
10
G 1B
100 50 50 26 122.5
> 468 > 451 > 526 > 601
1.20
VXG41.1401
VXG41.15 VXG41.1501
VXG41.20 VXG41.2001 20 G 1¼B 1.25
VXG41.25 VXG41.2501 25
14
G 1½B
105 52.5 52.5 34 130.5
> 476 > 459 > 534 > 609
1.50
VXG41.32 VXG41.3201 32 G 2B 2.10
VXG41.40 VXG41.4001 40 15 G 2¼B 130 65 65
46 142.5
> 488 > 471 > 546 > 621
2.60
VXG41.50 VXG41.5001 50 16 G 2¾B 150 75 75 3.80
ã Siemens Switzerland Ltd, 2011

Related product manuals