EasyManua.ls Logo

Siemens RDF400 Series - Wiring Diagrams and Terminal Layouts; RDF300;400;600 Terminal Assignments; RDF340 Terminal Assignments; Typical Wiring Configurations

Siemens RDF400 Series
14 pages
Print Icon
To Next Page IconTo Next Page
To Next Page IconTo Next Page
To Previous Page IconTo Previous Page
To Previous Page IconTo Previous Page
Loading...
12/14
Siemens RDF300…/RDF340 / RDF400… / RDF600... Flush-mounted Room thermostats CE1N3076en
Building Technologies 2018-12-27
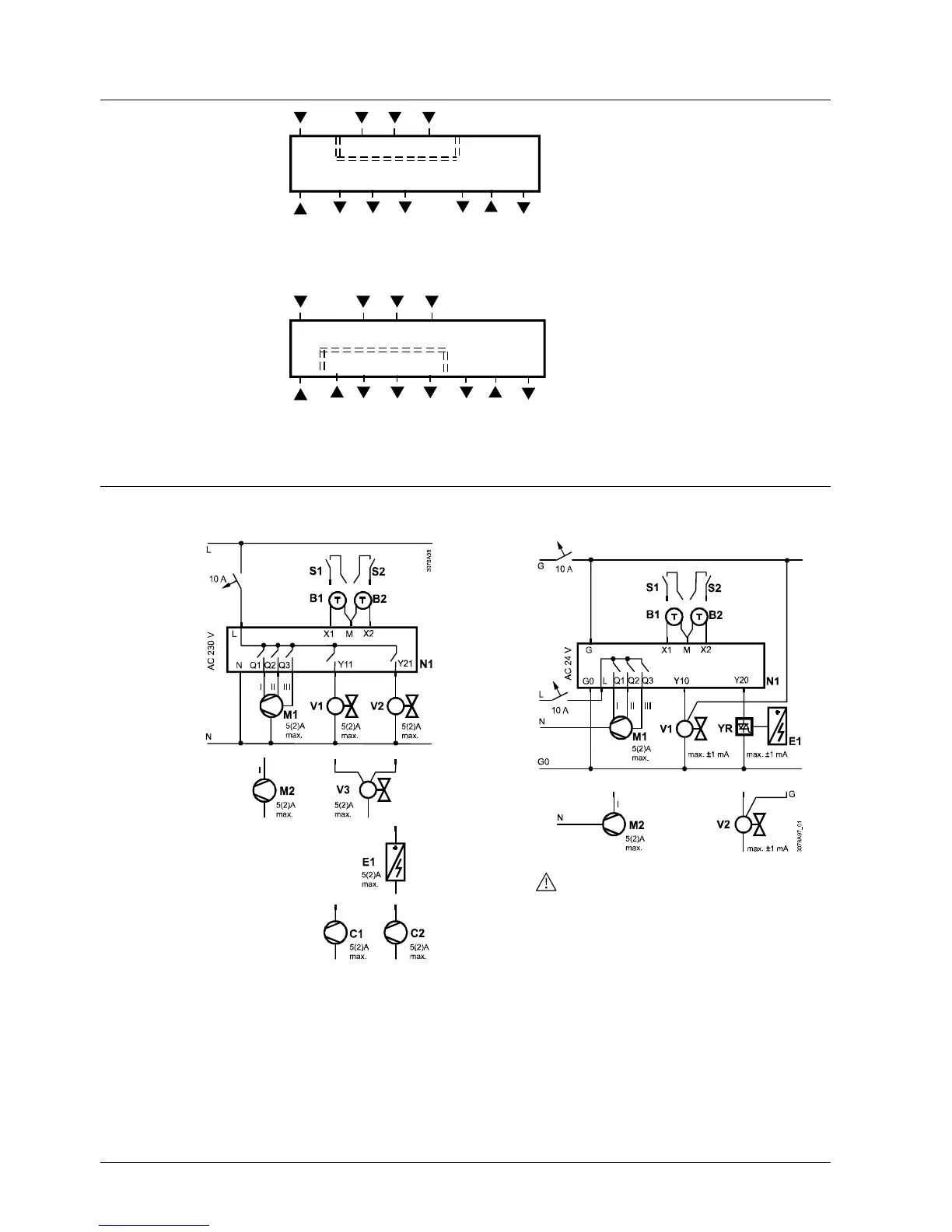
Connection terminals
L X1M
N
Q1 Q2 Q3
Y11N
SELV
Y21
X2
L, N Operating voltage AC 230 V
Q1 Control output “Fan speed 1 AC 230 V”
Q2 Control output “Fan speed 2 AC 230 V”
Q3 Control output “Fan speed 3 AC 230 V”
Y11,Y21 Control output “Valve” AC 230 V (N.O.,
for normally closed valves), output for
compressor or output for electrical heater
X1, X2 Multifunctional input for temperature
sensor (e.g. QAH11.1) or potential-free
switch
M Measuring neutral for sensor and switch
G X1M
G0
Q1 Q2 Q3
Y10 G0
SELV
Y20
X2
L
G, G0 Operating voltage thermostat AC 24 V
L Operating voltage for fan AC 230 V
Q1 Control output “Fan speed 1 AC 230 V”
Q2 Control output “Fan speed 2 AC 230 V”
Q3 Control output “Fan speed 3 AC 230 V”
Y10,Y20 Control output for DC 0…10 V actuator
X1, X2 Multifunctional input for temperature
sensor (e.g. QAH11.1) or switch
M Measuring neutral for sensor and switch
Connection diagrams
RDF300…, RDF400…, RDF600… RDF340…
For US installations use Class 2 rated power
supplies. For other installations use circuit breakers
with rated current of no more than 10 A.
N1 Room thermostat RDF300... / RDF400... / RDF600
M1 3-speed fan
M2 1-speed fan
V1...V3 Valve actuator
E1 Electrical heater
S1, S2 Switch (keycard, window contact, etc.)
B1, B2 Temperature sensor (return air temperature,
external room temperature, changeover
sensor, etc.)
C1, C2 Compressor
N1 Room thermostat RDF340...
M1 3-speed fan
M2 1-speed fan
V1, V2 Valve actuator
YR DC 0...10 signal converter/current valve
E1 Electrical heater
S1, S2 Switch (keycard, window contact, etc.)
B1, B2 Temperature sensor (return air temperature,
external room temperature,
changeover sensor, etc.)
RDF300…/RDF400…
RDF600…
RDF340…

Other manuals for Siemens RDF400 Series

Related product manuals