EasyManua.ls Logo

Siemens SIDOOR - Page 9

Siemens SIDOOR
Print Icon
To Next Page IconTo Next Page
To Next Page IconTo Next Page
To Previous Page IconTo Previous Page
To Previous Page IconTo Previous Page
Loading...
Elektronisch kommutierte Getriebemotoren
A5E31837904/001, 05/2013
7
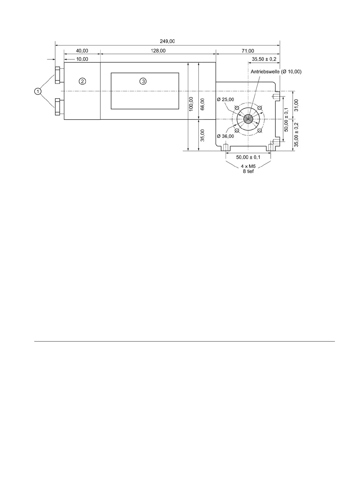
Seitenansicht
Kabelverschraubung (IP54)
Encoder-Gehäuse
Typenschild
Marken
Alle mit dem Schutzrechtsvermerk ® gekennzeichneten Bezeichnungen sind eingetragene Marken der
Siemens AG. Die übrigen
Bezeichnungen in dieser Schrift können Marken sein, deren Benutzung durch Dritte für deren Zwecke die Rechte der Inhaber verl
etzen
kann.
Haftungsausschluss
Wir haben den Inhalt der Druckschrift auf Übereinstimmung mit der beschriebenen Hard
- und Software geprüft. Dennoch können
Abweichungen nicht ausgeschlossen werden, so dass wir für die vollständige Übereinstimmung keine Gewähr übernehmen. Die Angaben in
dieser Druckschrift werden regelmäßig überprüft, notwendige Korrekturen sind in den nachfolgenden Auf
lagen enthalten.
Siemens AG
Industry Sector
Postfach 48 48
90026 NÜRNBERG
Elektronisch kommutierte Getriebemotoren
A5E31837904/001, 05/2013

Related product manuals