EasyManua.ls Logo

Siemens SIMOTION C240 PN - Page 50

Siemens SIMOTION C240 PN
196 pages
To Next Page IconTo Next Page
To Next Page IconTo Next Page
To Previous Page IconTo Previous Page
To Previous Page IconTo Previous Page
Loading...
Interfaces
3.5 Onboard drive interface (C230-2, C240)
SIMOTION C
50 Operating Instructions, 02/2012
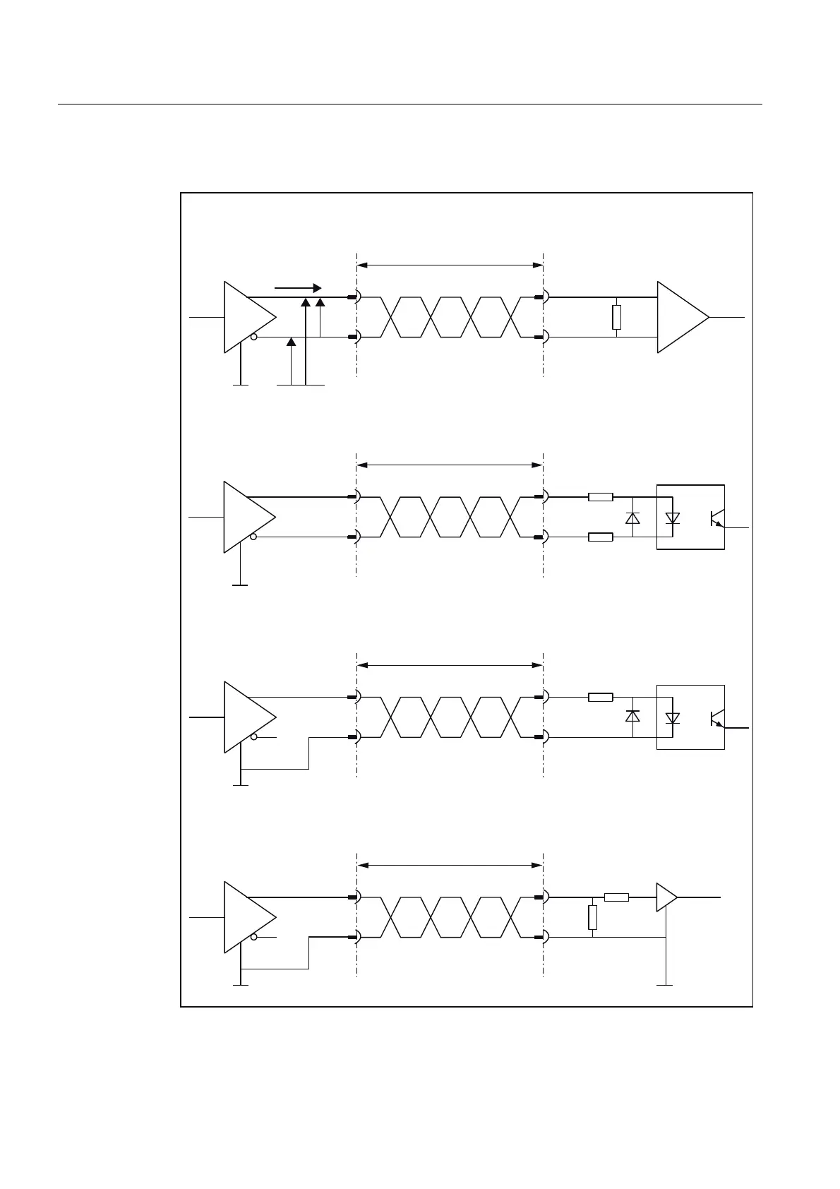
The following figure shows different possibilities for protective signal circuits.
6\PPHWULFWUDQVPLVVLRQZLWKGLIIHUHQWLDOLQSXWDFFRUGLQJWR56
/ืP
5/
/ืP
/ืP
/ืP
6\PPHWULFDOWUDQVPLVVLRQZLWKRSWRFRXSOHULQSXW
$V\PPHWULFDOWUDQVPLVVLRQZLWKRSWRFRXSOHULQSXW
$V\PPHWULFDOWUDQVPLVVLRQZLWKYROWDJHLQSXW
92'
92+92/
*1'
,2
*1'
*1'
*1'
*1'
'ULYHXQLW6,027,21&
Figure 3-6 Possible protective signal circuits for the stepper motor interface

Table of Contents

Related product manuals