EasyManua.ls Logo

Siemens SINUMERIK 840D - Page 112

Siemens SINUMERIK 840D
713 pages
Print Icon
To Next Page IconTo Next Page
To Next Page IconTo Next Page
To Previous Page IconTo Previous Page
To Previous Page IconTo Previous Page
Loading...
B508
B508 Page 4 840D/828D SINUMERIK Operate
Notes
Section 3
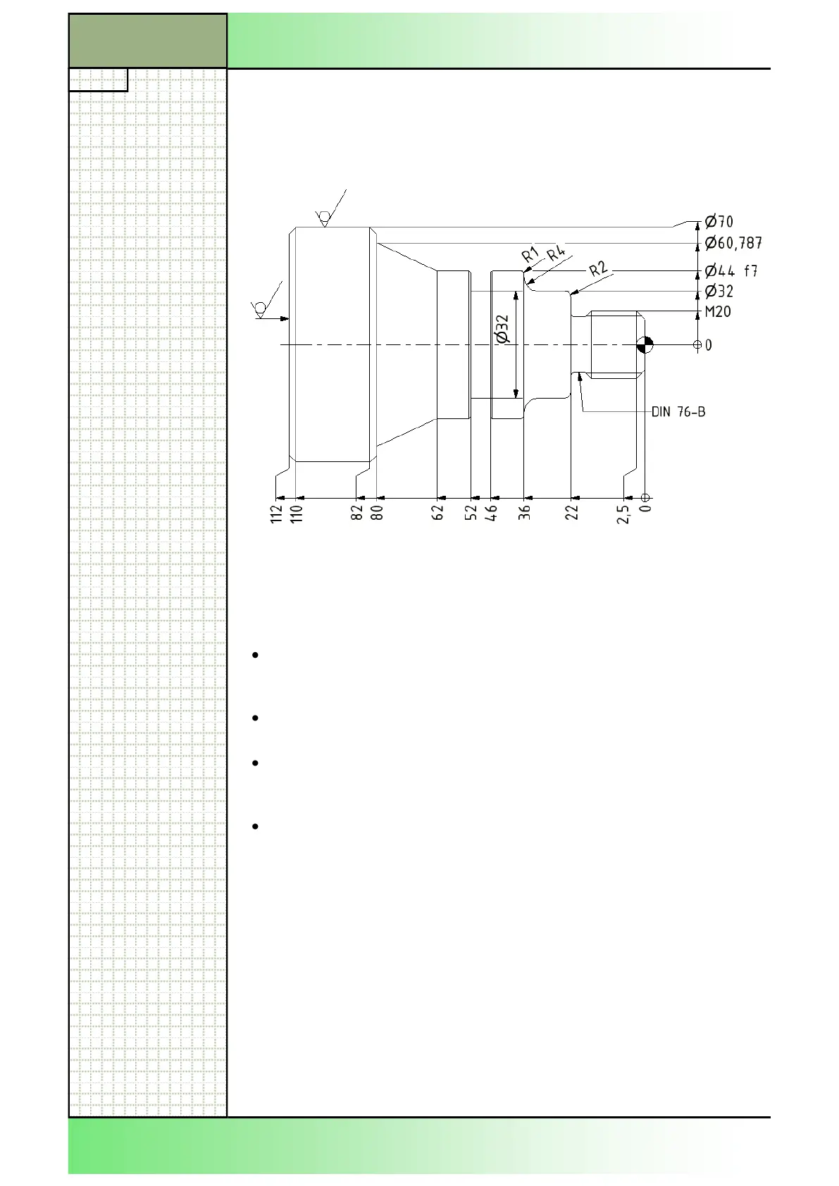
Contour programming of a turned item
The contour of the depicted turned item “Plug” is to be programmed as an
example.
Plug
Guide lines for contour programming of a turned item:
In the subprogram only the complete geometrical contour sequence of
the work piece will be described, beginning at the selected starting
point.
Under-cuts, grooves, threads etc. will not be included in the contour;
they will be machined later using cycles for instance.
The tool call-up, technological instructions (e.g. “F” and “S”), activation
of the tool nose radius correction etc. will be taken care of by the main
program before the contour is called up.
The last block of the contour description must retract the tool from the
work piece.

Other manuals for Siemens SINUMERIK 840D

Related product manuals