EasyManua.ls Logo

Siemens sinumerik fm-nc - Page 173

Siemens sinumerik fm-nc
327 pages
Print Icon
To Next Page IconTo Next Page
To Next Page IconTo Next Page
To Previous Page IconTo Previous Page
To Previous Page IconTo Previous Page
Loading...
6 Assi
g
nin
g
Parameters to the Control and the PLC Pro
g
ram
6
03.96
6.10 Linear motors (1FN1 and 1FN3 motors)
6-173
Siemens AG 2000 All Rights Reserved
SINUMERIK 840D Installation and Start-Up Guide (IAD) 04.00 Edition
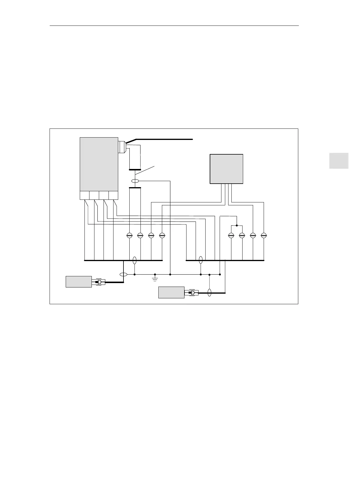
The temperature sensors can be evaluated, for example, as follows:
S Temperature sensor
Motor 1: Evaluation via the drive
Motor 2: Not connected
(shorted-circuited or connected to PE)
S Temperature switch or PTC
Motors 1 and 2: External evaluation
SIMODRIVE
611 D
X411
U2 V2 W2 PE
Drive A
white
black
yellow
red
brown
+ black
1FN
Temperature sensor
coupling lead
Pin 13
Pin 25
Linear scale
Power cable
orange
+ red
white
black
yellow
red
1FN
Power cable
External
evaluation
Motor 1
Motor 2
Fig. 6-41 Wiring of parallel-connected linear motors
Temperature
sensor and
electrical wiring
(see
Section 6.10.5)
04.00

Table of Contents

Related product manuals