EasyManua.ls Logo

Siemens TUTORbit POL687 - Heating Zones, DHW, DHW Return, Solar, Anti-Legionella Shuffle Pump and Only One Module Switch to DHW

Siemens TUTORbit POL687
96 pages
Print Icon
To Next Page IconTo Next Page
To Next Page IconTo Next Page
To Previous Page IconTo Previous Page
To Previous Page IconTo Previous Page
Loading...
40
TUTORBIT
COSMOGAS
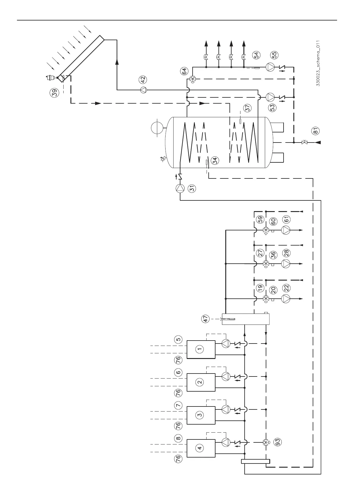
4.21.6 - 3 heating zones, DHW, DHW return, solar, anti-legionella shu󰀪e pump and only one module switch to DHW
Figure 4-23 - Hydraulic connection
Settings:
Conguration > System >
Number of Modules 4
Module 1 Heating
Module 2 Heating
Module 3 Heating
Module 4 DHW
Outdoor sensor Yes
DHW Yes
DHW return sensor Yes
DHW Mode Sensor
Unit of measure °C
Number of Zones 3
Antilegionella Yes
Shu󰀪e type pump Antilegionella
Solar Yes
Solar Antistagnation Yes
Solar Antifrost Yes
Modbus enable No
Heat pump No
Conguration > Zones > 3 way valve > 3 way valve 1>
Zone Type Mix
Conguration > Zones > 3 way valve > 3 way valve 2>
Zone Type Mix
Conguration > Zones > 3 way valve > 3 way valve 3>
Zone Type Mix
4 - INSTALLATION

Table of Contents

Related product manuals